ZHCSCQ7A August   2014  – November 2014 LM3643

PRODUCTION DATA.  

  1. 特性
  2. 应用
  3. 说明
  4. 修订历史记录
  5. Device Comparison Table
  6. Pin Configuration and Functions
  7. Specifications
    1. 7.1 Absolute Maximum Ratings
    2. 7.2 ESD Ratings
    3. 7.3 Recommended Operating Conditions
    4. 7.4 Thermal Information
    5. 7.5 Electrical Characteristics
    6. 7.6 Timing Requirements
    7. 7.7 Switching Characteristics
    8. 7.8 Typical Characteristics
  8. Detailed Description
    1. 8.1 Overview
    2. 8.2 Functional Block Diagram
    3. 8.3 Feature Description
      1. 8.3.1 Flash Mode
      2. 8.3.2 Torch Mode
      3. 8.3.3 IR Mode
    4. 8.4 Device Functioning Modes
      1. 8.4.1 Start-Up (Enabling The Device)
      2. 8.4.2 Pass Mode
      3. 8.4.3 Power Amplifier Synchronization (TX)
      4. 8.4.4 Input Voltage Flash Monitor (IVFM)
      5. 8.4.5 Fault/Protections
        1. 8.4.5.1 Fault Operation
        2. 8.4.5.2 Flash Time-Out
        3. 8.4.5.3 Overvoltage Protection (OVP)
        4. 8.4.5.4 Current Limit
        5. 8.4.5.5 NTC Thermistor Input (Torch/Temp)
        6. 8.4.5.6 Undervoltage Lockout (UVLO)
        7. 8.4.5.7 Thermal Shutdown (TSD)
        8. 8.4.5.8 LED and/or VOUT Short Fault
    5. 8.5 Programming
      1. 8.5.1 Control Truth Table
      2. 8.5.2 I2C-Compatible Interface
        1. 8.5.2.1 Data Validity
        2. 8.5.2.2 Start and Stop Conditions
        3. 8.5.2.3 Transferring Data
        4. 8.5.2.4 I2C-Compatible Chip Address
    6. 8.6 Register Descriptions
      1. 8.6.1  Enable Register (0x01)
      2. 8.6.2  IVFM Register (0x02)
      3. 8.6.3  LED1 Flash Brightness Register (0x03)
      4. 8.6.4  LED2 Flash Brightness Register (0x04)
      5. 8.6.5  LED1 Torch Brightness Register (0x05)
      6. 8.6.6  LED2 Torch Brightness Register (0x06)
      7. 8.6.7  Boost Configuration Register (0x07)
      8. 8.6.8  Timing Configuration Register (0x08)
      9. 8.6.9  TEMP Register (0x09)
      10. 8.6.10 Flags1 Register (0x0A)
      11. 8.6.11 Flags2 Register (0x0B)
      12. 8.6.12 Device ID Register (0x0C)
      13. 8.6.13 Last Flash Register (0x0D)
  9. Applications and Implementation
    1. 9.1 Application Information
    2. 9.2 Typical Application
      1. 9.2.1 Design Requirements
      2. 9.2.2 Detailed Design Procedure
        1. 9.2.2.1 Output Capacitor Selection
        2. 9.2.2.2 Input Capacitor Selection
        3. 9.2.2.3 Inductor Selection
      3. 9.2.3 Application Curves
  10. 10Power Supply Recommendations
  11. 11Layout
    1. 11.1 Layout Guidelines
    2. 11.2 Layout Example
  12. 12器件和文档支持
    1. 12.1 器件支持
      1. 12.1.1 Third-Party Products Disclaimer
    2. 12.2 相关文档
      1. 12.2.1 相关链接
    3. 12.3 商标
    4. 12.4 静电放电警告
    5. 12.5 术语表
  13. 13机械、封装和可订购信息

1 特性

  • 工作期间允许的总 LED 电流为 1.5A
    (ILED1 + ILED2 = 1.5A)
  • 两个可独立编程的 LED 电流源
  • 准确的可编程 LED 电流范围为 1.4mA 到 1.5A
  • 优化了低电池电量条件下的闪存 LED 电流(输入电压闪存监控器 (IVFM))
  • 手电筒模式(100mA 时)和闪存模式(1A 至 1.5A 时)的效率超过 85%
  • 支持阴极接地 LED 操作,改进了热管理
  • 小型解决方案尺寸:< 16mm2
  • 硬件选通使能 (STROBE)
  • 射频功率放大器脉冲事件的同步输入 (TX)
  • 硬件火炬使能 (TORCH/TEMP)
  • 远程 NTC 监控 (TORCH/TEMP)
  • 400kHz I2C 兼容接口
    • LM3643(I2C 地址 = 0x63)
    • LM3643A(I2C 地址 = 0x67)

2 应用

    可拍照手机白色 LED 闪光灯

3 说明

LM3643 是一款双 LED 闪存驱动器,能够以较小的解决方案尺寸提供高度可调节性。LM3643 采用 2MHz 或 4MHz 固定频率同步升压转换器为 1.5A 恒流 LED 源供电。LM3643 升压闪存驱动器可提供的总 LED 电流为 1.5A (ILED1 + ILED2)。 两个 128 级电流源可灵活调整 LED1 与 LED2 之间的电流比,每个驱动器最多能够提供 1.5A 电流(例如:ILED1 = 1.5A 和 ILED2 = 0FF;ILED1 = 0FF 和 ILED2 = 1.5A;或者电流低于 1.5A 的电流配置:ILED1 = 950mA,ILED2 = 250mA)。自适应调节方法可确保电流源保持可调节状态,并且最大限度地提升效率。

LM3643 的功能由兼容 I2C 的接口控制。这些 功能 包括:硬件闪光灯和硬件手电筒引脚(STROBE 和 TORCH/TEMP)、TX 中断和负温度系数 (NTC) 热敏电阻监视器。器件在每个输出引脚均提供了可独立编程的电流,以便在闪存模式或录像(手电筒)模式条件下驱动 LED。

该器件的开关频率选项为 2MHz 或 4MHz,具备过压保护 (OVP) 和可调节限流功能,因此可采用微型超薄电感和 10μF 陶瓷电容。该器件的工作环境温度范围为 -40°C 至 +85°C。

器件信息(1)

器件型号 封装 封装尺寸(最大值)
LM3643 芯片级球状引脚栅格阵列 (DSBGA) (12) 1.69mm x 1.31mm
  1. 要了解所有可用封装,请见数据表末尾的可订购产品附录。

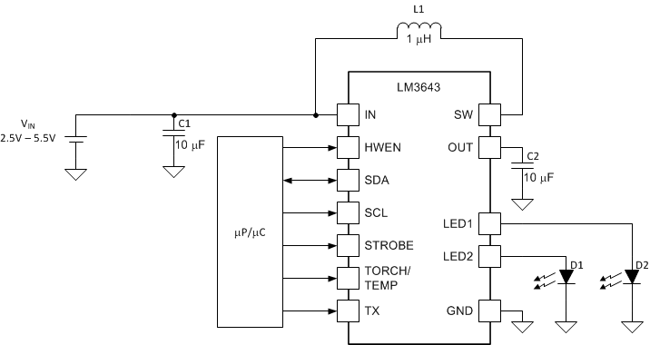
简化电路原理图

LM3643 LM3643A 43_44_typ.gif