ZHCSAD3B January   2012  – December 2014 BQ24190 , BQ24192 , BQ24192I

PRODUCTION DATA.  

  1. 特性
  2. 应用
  3. 说明
  4. 修订历史记录
  5. 说明 (续)
  6. Device Comparison Table
  7. Pin Configuration and Functions
  8. Specifications
    1. 8.1 Absolute Maximum Ratings
    2. 8.2 ESD Ratings
    3. 8.3 Recommended Operating Conditions
    4. 8.4 Thermal Information
    5. 8.5 Electrical Characteristics
    6. 8.6 Typical Characteristics
  9. Detailed Description
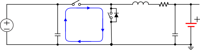
    1. 9.1 Overview
    2. 9.2 Functional Block Diagram
    3. 9.3 Feature Description
      1. 9.3.1 Device Power Up
        1. 9.3.1.1 Power-On-Reset (POR)
        2. 9.3.1.2 Power Up from Battery without DC Source
          1. 9.3.1.2.1 BATFET Turn Off
          2. 9.3.1.2.2 Shipping Mode
        3. 9.3.1.3 Power Up from DC Source
          1. 9.3.1.3.1 REGN LDO
          2. 9.3.1.3.2 Input Source Qualification
          3. 9.3.1.3.3 Input Current Limit Detection
          4. 9.3.1.3.4 D+/D- Detection Sets Input Current Limit in bq24190
          5. 9.3.1.3.5 PSEL/OTG Pins Set Input Current Limit in bq24192, bq24192I
          6. 9.3.1.3.6 HIZ State wth 100mA USB Host
          7. 9.3.1.3.7 Force Input Current Limit Detection
        4. 9.3.1.4 Converter Power-Up
        5. 9.3.1.5 Boost Mode Operation from Battery
      2. 9.3.2 Power Path Management
        1. 9.3.2.1 Narrow VDC Architecture
        2. 9.3.2.2 Dynamic Power Management
        3. 9.3.2.3 Supplement Mode
      3. 9.3.3 Battery Charging Management
        1. 9.3.3.1 Autonomous Charging Cycle
        2. 9.3.3.2 Battery Charging Profile
        3. 9.3.3.3 Battery Path Impedance IR Compensation
        4. 9.3.3.4 Thermistor Qualification
          1. 9.3.3.4.1 Cold/Hot Temperature Window
        5. 9.3.3.5 Charging Termination
          1. 9.3.3.5.1 Termination when REG02[0] = 1
          2. 9.3.3.5.2 Termination when REG05[6] = 1
        6. 9.3.3.6 Charging Safety Timer
        7. 9.3.3.7 USB Timer when Charging from USB100mA Source
      4. 9.3.4 Status Outputs (PG, STAT, and INT)
        1. 9.3.4.1 Power Good Indicator (PG)
        2. 9.3.4.2 Charging Status Indicator (STAT)
        3. 9.3.4.3 Interrupt to Host (INT)
      5. 9.3.5 Protections
        1. 9.3.5.1 Input Current Limit on ILIM
        2. 9.3.5.2 Thermal Regulation and Thermal Shutdown
        3. 9.3.5.3 Voltage and Current Monitoring in Buck Mode
          1. 9.3.5.3.1 Input Over-Voltage (ACOV)
          2. 9.3.5.3.2 System Over-Voltage Protection (SYSOVP)
        4. 9.3.5.4 Voltage and Current Monitoring in Boost Mode
          1. 9.3.5.4.1 VBUS Over-Voltage Protection
        5. 9.3.5.5 Battery Protection
          1. 9.3.5.5.1 Battery Over-Current Protection (BATOVP)
          2. 9.3.5.5.2 Charging During Battery Short Protection
          3. 9.3.5.5.3 System Over-Current Protection
      6. 9.3.6 Serial Interface
        1. 9.3.6.1 Data Validity
        2. 9.3.6.2 START and STOP Conditions
        3. 9.3.6.3 Byte Format
        4. 9.3.6.4 Acknowledge (ACK) and Not Acknowledge (NACK)
        5. 9.3.6.5 Slave Address and Data Direction Bit
          1. 9.3.6.5.1 Single Read and Write
          2. 9.3.6.5.2 Multi-Read and Multi-Write
    4. 9.4 Device Functional Modes
      1. 9.4.1 Host Mode and Default Mode
        1. 9.4.1.1 Plug in USB100mA Source with Good Battery
        2. 9.4.1.2 USB Timer when Charging from USB 100-mA Source
    5. 9.5 Register Map
      1. 9.5.1 I2C Registers
        1. 9.5.1.1  Input Source Control Register REG00 (bq24190, bq24192 reset = 00110000, or 30; bq24192I reset = 00111000, or 38)
        2. 9.5.1.2  Power-On Configuration Register REG01 (reset = 00011011, or 1B)
        3. 9.5.1.3  Charge Current Control Register REG02 (bq24190, bq24192 reset = 01100000, or 60; bq24192I reset = 00100000, or 20)
        4. 9.5.1.4  Pre-Charge/Termination Current Control Register REG03 (reset = 00010001, or 11)
        5. 9.5.1.5  Charge Voltage Control Register REG04 (bq24190, bq241192 reset = 10110010, or B2; bq24192I reset = 10011010, or 9A)
        6. 9.5.1.6  Charge Termination/Timer Control Register REG05 (reset = 10011010, or 9A)
        7. 9.5.1.7  IR Compensation / Thermal Regulation Control Register REG06 (reset = 00000011, or 03)
        8. 9.5.1.8  Misc Operation Control Register REG07 (reset = 01001011, or 4B)
        9. 9.5.1.9  System Status Register REG08
        10. 9.5.1.10 Fault Register REG09
        11. 9.5.1.11 Vender / Part / Revision Status Register REG0A (bq24190 reset = 00100011, or 23; bq24192 reset = 00101011, or 2B; bq24192I reset = 00001011, or 0B)
  10. 10Application and Implementation
    1. 10.1 Application Information
    2. 10.2 Typical Application
      1. 10.2.1 Design Requirements
      2. 10.2.2 Detailed Design Procedure
        1. 10.2.2.1 Inductor Selection
        2. 10.2.2.2 Input Capacitor
        3. 10.2.2.3 Output Capacitor
      3. 10.2.3 Application Performance Plots
  11. 11Power Supply Recommendations
  12. 12Layout
    1. 12.1 Layout Guidelines
    2. 12.2 Layout Example
  13. 13器件和文档支持
    1. 13.1 文档支持
      1. 13.1.1 相关文档
    2. 13.2 相关链接
    3. 13.3 商标
    4. 13.4 静电放电警告
    5. 13.5 术语表
  14. 14机械、封装和可订购信息

1 特性

  • 高效 4.5A 开关模式充电器
    • 2A 充电电流下的充电效率达 92%;4A 充电电流下的充电效率达 90%
    • 通过电池路径阻抗补偿缩短充电时间
  • 兼容 MaxLife 技术,与 bq27531 搭配使用时可实现快速充电
  • 借助 12mΩ 电池放电金属氧化物半导体场效应晶体管 (MOSFET) 实现最高电池放电效率,放电电流高达 9A
  • 单输入 USB 兼容/适配器充电器
    • 与 USB 电池充电器技术规格 1.2 兼容的 USB 主机或充电端口 D+/D- 检测
    • 输入电压和电流限制支持 USB 2.0 和 USB 3.0
    • 输入电流限值:100mA、150mA、500mA、900mA、1.2A、1.5A、2A 和 3A
  • 输入工作电压范围:3.9V 至 17V
    • 通过输入电压动态电源管理 (DPM) 调节功能支持所有类型的适配器
  • USB OTG 5V/1.3A 同步升压转换器操作
    • 5V/1A 条件下的升压效率达 93%
  • 窄 VDC (NVDC) 电源路径管理
    • 与无电池或深度放电电池工作时可瞬时接通
    • 电池管理模式中的理想二极管运行
  • 薄型电感的开关频率为 1.5MHz
  • 具有或不具有主机管理的自主电池充电
    • 电池充电使能
    • 电池充电预调节
    • 充电终止和再充电
  • 高精度(0°C 至 125°C)
    • 充电电压调节范围为 ±0.5%
    • 充电电流调节范围为 ±7%
    • 输入电流调节范围为 ±7.5%
    • 升压模式下输出调节范围 ±2%
  • 高集成
    • 电源路径管理
    • 同步开关 MOSFET
    • 集成电流感测
    • 阴极负载二极管
    • 内部环路补偿
  • 安全性
    • 电池温度感测和充电安全定时器
    • 热调节和热关断
    • 输入系统过压保护
    • MOSFET 过流保护
  • 针对 LED 或主机处理器的充电状态输出
  • 低电池泄漏电流并支持关闭模式
  • 4.00mm x 4.00mm 紧凑型超薄四方扁平无引线 (VQFN)-24 封装

2 应用

  • 平板电脑和智能手机
  • 便携式音频扬声器
  • 便携式媒体播放器
  • 互联网器件

3 说明

bq24190、bq24192 和 bq24192I 是高度集成的开关模式电池管理和系统电源路径管理器件,适用于各类、平板电脑和其他便携式设备的单节锂离子和锂聚合物电池。

器件信息(1)

产品型号 封装 封装尺寸(标称值)
bq24190 VQFN (24) 4.00mm x 4.00mm
bq24192
bq24192I
  1. 如需了解所有可用封装,请见数据表末尾的可订购产品附录。
bq24190 bq24192 bq24192I Bq24190_with_D_D_Detection_charging_from_USB_SDP_DCP_SLUSAW5A.gif

4 修订历史记录

Changes from A Revision (October 2012) to B Revision

  • 已统一 整篇数据表 中的封装说明Go
  • Added ESD 额定值,特性 描述,器件功能模式,应用和实施,电源相关建议,布局,器件和文档支持以及机械、封装和可订购信息。Go
  • Added 特性:兼容 MaxLife 技术,与 bq27531 搭配使用时可实现快速充电Go
  • Changed VSLEEPZ, VBAT_DPL_HY, VBATGD , ICHG_20pct, VSHORT, IADPT_DPM, KILIM, VBTST_REFRESH in Electrical CharacteristicsGo
  • Added –40°C to 85° to IBAT Test ConditionGo
  • Added REG00[6:3] = 0110 (4.36 V) or 1011 (4.76 V) to VINDPM_REG_ACC Test ConditionsGo
  • Added Typical input current of 1.5 A based on KLIM to IADPT_DPM Test ConditionsGo
  • Added a MIN value of 435 to KILIMGo
  • Deleted TJunction_REG MIN and MAXGo
  • Added rising to VHTF parameter Go
  • Deleted VREGN, VVBUS = 5 V, IREGN = 20 mA MAX valueGo
  • Changed Functional Block DiagramGo
  • Changed Charging Current in Table 4Go
  • Changed REG09[5:4] to REG08[5:4] in Charging Termination sectionGo
  • Added or when FORCE_20PCT (REG02[0]) bit is set, to Charging Safety Timer descriptionGo
  • Added last paragraph to Charging Safety Timer descriptionGo
  • Added twice to Host Mode and Default Mode descriptionGo
  • Changed REG05[5:4]=11 to REG05[5:4]=00 in Host Mode and Default Mode descriptionGo
  • Changed Charge Current Control Register REG02 Bit 0 descriptionGo
  • Changed Charge Current Control Register REG02 Bit 0 noteGo
  • Changed REG05 Bit 0 from JEITA ISET (0°C-10°C) to ReservedGo
  • Changed REG07 Bit 4 from JEITA_VSET (45°C to 60°C) to ReservedGo
  • Changed BOOT to BTST in Figure 38Go
  • Changed BOOT to BTST in Figure 39Go
  • Changed bq24193 to bq24192 in Figure 42Go