ZHCSAC4B October   2012  – November 2017 SN65HVD82

PRODUCTION DATA.  

  1. 特性
  2. 应用
  3. 说明
  4. 修订历史记录
  5. Pin Configuration and Functions
  6. Specifications
    1. 6.1 Absolute Maximum Ratings
    2. 6.2 ESD Ratings
    3. 6.3 Recommended Operating Conditions
    4. 6.4 Thermal Information
    5. 6.5 Electrical Characteristics
    6. 6.6 Switching Characteristics
    7. 6.7 Typical Characteristics
  7. Parameter Measurement Information
  8. Detailed Description
    1. 8.1 Overview
    2. 8.2 Functional Block Diagram
    3. 8.3 Feature Description
      1. 8.3.1 Receiver Failsafe
      2. 8.3.2 Low-Power Standby Mode
    4. 8.4 Device Functional Modes
  9. Application and Implementation
    1. 9.1 Application Information
      1. 9.1.1 Device Configuration
      2. 9.1.2 Bus - Design
      3. 9.1.3 Cable-Length Versus Data Rate
      4. 9.1.4 Stub - Length
      5. 9.1.5 3-V to 5-V Interface
      6. 9.1.6 Noise Immunity
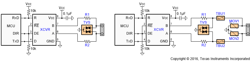
      7. 9.1.7 Transient Protection
    2. 9.2 Typical Application
      1. 9.2.1 Design Requirements
      2. 9.2.2 Detailed Design Procedure
        1. 9.2.2.1 Custom Design With WEBENCH® Tools
        2. 9.2.2.2 Isolated Bus Node Design
      3. 9.2.3 Application Curve
  10. 10Power Supply Recommendations
  11. 11Layout
    1. 11.1 Layout Guidelines
      1. 11.1.1 Design and Layout Considerations For Transient Protection
    2. 11.2 Layout Example
  12. 12器件和文档支持
    1. 12.1 器件支持
      1. 12.1.1 Third-Party Products Disclaimer
      2. 12.1.2 使用 WEBENCH® 工具定制设计方案
    2. 12.2 社区资源
    3. 12.3 商标
    4. 12.4 静电放电警告
    5. 12.5 Glossary
  13. 13机械、封装和可订购信息

特性

  • 总线 I/O 保护
    • ±16kV 人体模型 (HBM) 保护
    • ±12kV IEC 61000-4-2 接触放电
    • +4kV IEC61000-4-4 快速瞬态突发
  • 工业温度范围:-40°C 至 85°C
  • 用于噪声抑制的较大接收器滞后(典型值为 60mV)
  • 低功耗
    • <1µA 待机电流
    • <1mA 静态电流
  • 信号传输速率经优化高达 250kbps
  • 借助 WEBENCH® 电源设计器,使用 SN65HVD82 创建定制设计方案

应用

  • 电表
  • 楼宇自动化
  • 工业网络
  • 安全电子器件

说明

该器件兼具驱动器和接收器功能,稳健耐用,可满足特定工业 应用中的严格要求。这些总线引脚可耐受 ESD 事件,并且具备符合人体模型、气隙放电和接触放电规范的高水平保护。

该器件将差分驱动器与差分接收器相结合,共同由单个 5V 电源供电。驱动器差分输出和接收器差分输入在内部连接,构成一个适用于半双工(两线制总线)通信的总线端口。该器件 具有 宽共模电压范围,因此适用于长线缆上的 多点 应用。该器件的额定温度范围介于 -40°C 和 85°C 之间。

器件信息(1)

器件型号 封装 封装尺寸(标称值)
SN65HVD82 SOIC (8) 4.90mm x 3.91mm
  1. 如需了解所有可用封装,请参阅数据表末尾的可订购产品附录。

逻辑图(正逻辑)

SN65HVD82 logic_diag_llsed6.gif