ZHCS484H October   2011  – January 2017 TLV62080 , TLV62084 , TLV62084A

UNLESS OTHERWISE NOTED, this document contains PRODUCTION DATA.  

  1. 特性
  2. 应用范围
  3. 说明
  4. 修订历史记录
  5. Device Comparison Table
  6. Pin Configurations and Functions
  7. Specifications
    1. 7.1 Absolute Maximum Ratings
    2. 7.2 ESD Ratings
    3. 7.3 Recommended Operating Conditions
    4. 7.4 Thermal Information
    5. 7.5 Electrical Characteristics
    6. 7.6 Typical Characteristics
  8. Detailed Description
    1. 8.1 Overview
    2. 8.2 Functional Block Diagram
    3. 8.3 Feature Description
      1. 8.3.1 100% Duty-Cycle Low-Dropout Operation
      2. 8.3.2 Enabling and Disabling the Device
      3. 8.3.3 Output Discharge
      4. 8.3.4 Soft Start
      5. 8.3.5 Power Good
      6. 8.3.6 Undervoltage Lockout
      7. 8.3.7 Thermal Shutdown
      8. 8.3.8 Inductor Current-Limit
    4. 8.4 Device Functional Modes
      1. 8.4.1 Power Save Mode
  9. Application and Implementation
    1. 9.1 Application Information
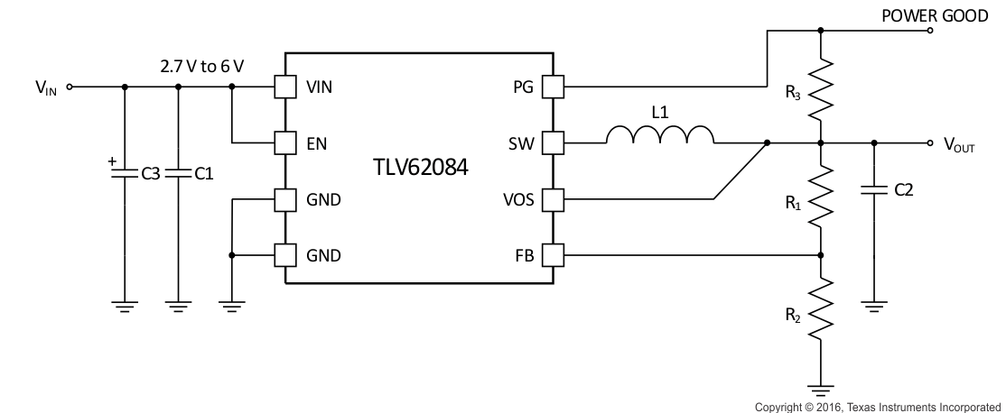
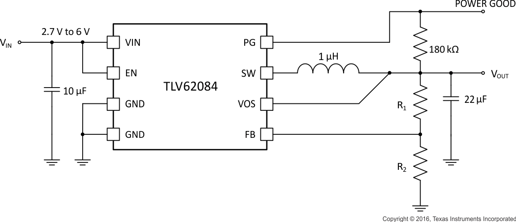
    2. 9.2 Typical Application
      1. 9.2.1 Design Requirements
      2. 9.2.2 Detailed Design Procedure
        1. 9.2.2.1 Custom Design With WEBENCH® Tools
        2. 9.2.2.2 Output Filter Design
        3. 9.2.2.3 Inductor Selection
        4. 9.2.2.4 Capacitor Selection
        5. 9.2.2.5 Setting the Output Voltage
      3. 9.2.3 Application Curves
  10. 10Power Supply Recommendations
  11. 11Layout
    1. 11.1 Layout Guidelines
    2. 11.2 Layout Example
    3. 11.3 Thermal Considerations
  12. 12器件和文档支持
    1. 12.1 器件支持
      1. 12.1.1 Third-Party Products Disclaimer
      2. 12.1.2 开发支持
        1. 12.1.2.1 使用 WEBENCH® 工具定制设计方案
    2. 12.2 文档支持
    3. 12.3 相关链接
    4. 12.4 商标
    5. 12.5 静电放电警告
    6. 12.6 接收文档更新通知
    7. 12.7 社区资源
    8. 12.8 Glossary
  13. 13机械、封装和可订购信息

特性

  • DCS-Control™架构,用于快速瞬态稳压
  • 2.5V 至 6V 输入电压范围 (TLV62080)
  • 2.7V 至 6V 输入电压范围(TLV62084 和 TLV62084A)
  • 100% 占空比,以实现最低压降
  • 用于实现轻载效率的省电模式
  • 输出放电功能
  • 电源正常输出
  • 热关断
  • 采用 2mm x 2mm、8 引脚晶圆级小外形无引线 (WSON) 封装
  • 有关改进的 特性 集,请参见 TPS62080
  • 使用 TLV6208x 并借助 WEBENCH® Power Designer 创建定制设计方案

应用范围

  • 电池供电类便携式器件
  • 负载点稳压器
  • PC、笔记本电脑、服务器
  • 机顶盒
  • 固态硬盘 (SSD)、存储器电源

说明

TLV6208x 系列器件是小型降压转换器,所用外部组件较少,可实现具有成本效益的解决方案。此类器件属于同步降压转换器,其输入电压范围为 2.5V/2.7V(TLV62080 为 2.5V,TLV62084x 为 2.7V)至 6V。TLV6208x 器件专注于在宽输出电流范围内实现高效降压转换。该转换器在中等至高负载条件下采用脉宽调制 (PWM) 模式,而在轻载电流条件下自动进入省电模式,从而在整个负载电流范围内保持高效运行。

为了满足系统电源轨需求,内部补偿电路支持在较大外部输出电容值范围内进行选择。凭借 DCS-Control™(无缝过渡至节能模式的直接控制)架构,该器件实现了优异的负载瞬态性能和输出电压稳压精度。该器件采用带有散热焊盘的 2mm x 2mm 晶圆级小外形无引线 (WSON) 封装。

器件信息(1)

器件型号 封装 封装尺寸(标称值)
TLV62080 WSON (8) 2.00mm x 2.00mm
TLV62084, TLV62084A
  1. 要了解所有可用封装,请见数据表末尾的可订购产品附录。

空白

典型应用电路原理图

效率与输出电流间的关系(VOUT = 1.2V)


空白




空白

TLV62080 TLV62084 TLV62084A SLVSAK9_simplified_62084.gif
TLV62080 TLV62084 TLV62084A D002_SLVSAK9.gif