ZHCS328D February   2013  – January 2025 TAS2505

PRODUCTION DATA  

  1.   1
  2. 特性
  3. 应用
  4. 说明
  5. 引脚配置和功能
  6. 规格
    1. 5.1  绝对最大额定值
    2. 5.2  ESD 等级
    3. 5.3  建议运行条件
    4. 5.4  热性能信息
    5. 5.5  电气特性
    6. 5.6  主模式下的 I2S/LJF/RJF 时序
    7. 5.7  从模式下的 I2S/LJF/RJF 时序
    8. 5.8  主模式下的 DSP 时序
    9. 5.9  从模式下的 DSP 时序
    10. 5.10 I2C 接口时序
    11. 5.11 SPI 接口时序
    12. 5.12 典型特性
      1. 5.12.1 D 类扬声器驱动器性能
      2. 5.12.2 HP 驱动器性能
  7. 参数测量信息
  8. 详细说明
    1. 7.1 概述
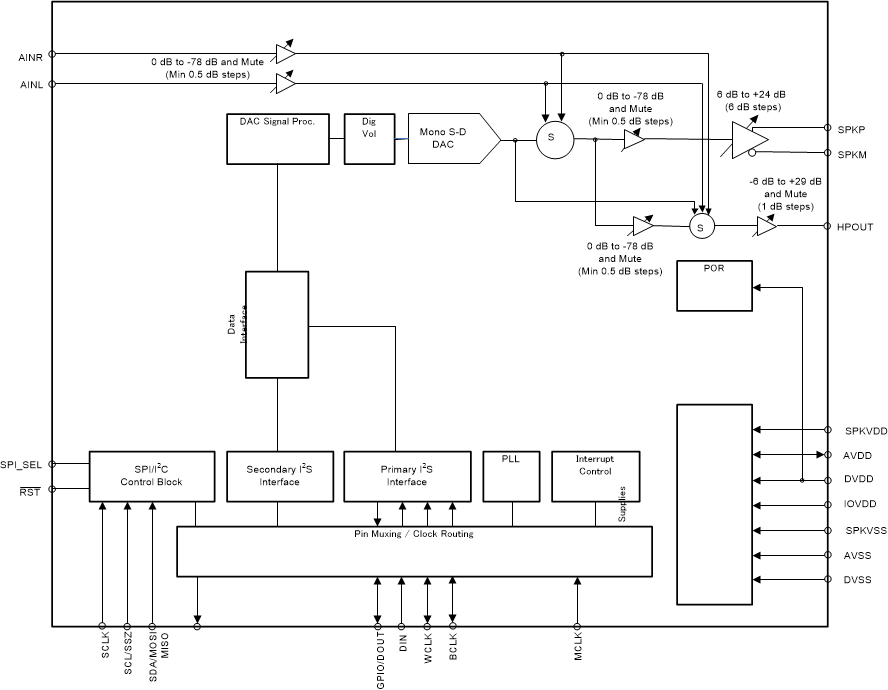
    2. 7.2 功能方框图
    3. 7.3 特性说明
      1. 7.3.1 音频模拟 I/O
      2. 7.3.2 音频 DAC 和音频模拟输出
      3. 7.3.3 DAC
      4. 7.3.4 POR
      5. 7.3.5 时钟生成和 PLL
    4. 7.4 器件功能模式
      1. 7.4.1 数字引脚
      2. 7.4.2 模拟引脚
      3. 7.4.3 多功能引脚
      4. 7.4.4 模拟信号
        1. 7.4.4.1 模拟输入 AINL 和 AINR
      5. 7.4.5 DAC 处理模块-概述
      6. 7.4.6 数字混合和路由
      7. 7.4.7 模拟音频路由
      8. 7.4.8 数字音频和控制接口
        1. 7.4.8.1 数字音频接口
        2. 7.4.8.2 控制接口
          1. 7.4.8.2.1 I2C 控制模式
          2. 7.4.8.2.2 SPI 数字接口
        3. 7.4.8.3 器件特定功能
  9. 寄存器映射
  10. 应用和实施
    1. 9.1 应用信息
    2. 9.2 典型应用
      1. 9.2.1 典型配置
        1. 9.2.1.1 设计要求
        2. 9.2.1.2 详细设计过程
        3. 9.2.1.3 应用曲线
    3. 9.3 电源相关建议
    4. 9.4 布局
      1. 9.4.1 布局指南
      2. 9.4.2 布局示例
  11. 10器件和文档支持
    1. 10.1 第三方产品免责声明
    2. 10.2 文档支持
      1. 10.2.1 相关文档
    3. 10.3 接收文档更新通知
    4. 10.4 支持资源
    5. 10.5 商标
    6. 10.6 静电放电警告
    7. 10.7 术语表
    8. 10.8 社区资源
  12. 11修订历史记录
  13. 12机械、封装和可订购信息
Data Sheet

TAS2505 具有音频处理功能的 2.6W 数字/模拟输入 D 类扬声器放大器

本资源的原文使用英文撰写。 为方便起见,TI 提供了译文;由于翻译过程中可能使用了自动化工具,TI 不保证译文的准确性。 为确认准确性,请务必访问 ti.com 参考最新的英文版本(控制文档)。

下载最新的英语版本