ZHCS094A September   2008  – November 2014 PCM3070

PRODUCTION DATA.  

  1. 特性
  2. 应用
  3. 说明
  4. LP38690 的
  5. 修订历史记录
  6. Device Comparison Table
  7. Pin Configuration and Functions
  8. Specifications
    1. 8.1  Absolute Maximum Ratings
    2. 8.2  Handling Ratings
    3. 8.3  Recommended Operating Conditions
    4. 8.4  Thermal Information
    5. 8.5  Electrical Characteristics, ADC
    6. 8.6  Electrical Characteristics, Bypass Outputs
    7. 8.7  Electrical Characteristics, Audio DAC Outputs
    8. 8.8  Electrical Characteristics, LDO
    9. 8.9  Electrical Characteristics, Misc.
    10. 8.10 Electrical Characteristics, Logic Levels
    11. 8.11 I2S LJF and RJF Timing in Master Mode (see )
    12. 8.12 I2S LJF and RJF Timing in Slave Mode (see )
    13. 8.13 DSP Timing in Master Mode (see )
    14. 8.14 DSP Timing in Slave Mode (see )
    15. 8.15 I2C Interface Timing
    16. 8.16 SPI Interface Timing (See )
    17. 8.17 Typical Characteristics
      1. 8.17.1 Typical Performance
      2. 8.17.2 Typical Characteristics, FFT
  9. Parameter Measurement Information
  10. 10Detailed Description
    1. 10.1 Overview
    2. 10.2 Functional Block Diagram
    3. 10.3 Feature Description
      1. 10.3.1 Device Connections
        1. 10.3.1.1 Digital Pins
          1. 10.3.1.1.1 Multifunction Pins
        2. 10.3.1.2 Analog Pins
      2. 10.3.2 Analog Audio I/O
        1. 10.3.2.1 Analog Bypass
        2. 10.3.2.2 ADC Bypass Using Mixer Amplifiers
        3. 10.3.2.3 Headphone Output
        4. 10.3.2.4 Line Outputs
      3. 10.3.3 ADC
        1. 10.3.3.1 ADC Processing
          1. 10.3.3.1.1 ADC Processing Blocks
      4. 10.3.4 DAC
        1. 10.3.4.1 DAC Processing Blocks — Overview
      5. 10.3.5 Digital Audio IO Interface
      6. 10.3.6 Clock Generation and PLL
      7. 10.3.7 Control Interfaces
        1. 10.3.7.1 I2C Control
        2. 10.3.7.2 SPI Control
    4. 10.4 Device Functional Modes
      1. 10.4.1 MiniDSP
      2. 10.4.2 Software
    5. 10.5 Register Map
      1. 10.5.1 Register Map Summary
  11. 11Application and Implementation
    1. 11.1 Application Information
    2. 11.2 Typical Application
      1. 11.2.1 Design Requirements
        1. 11.2.1.1 Reference Filtering Capacitor
      2. 11.2.2 Detailed Design Procedures
        1. 11.2.2.1 Analog Input Connection
        2. 11.2.2.2 Analog Output Connection
      3. 11.2.3 Application Curves
  12. 12Power Supply Recommendations
  13. 13Layout
    1. 13.1 Layout Guidelines
    2. 13.2 Layout Example
  14. 14器件和文档支持
    1. 14.1 文档支持
      1. 14.1.1 相关文档
    2. 14.2 商标
    3. 14.3 静电放电警告
    4. 14.4 Glossary
  15. 15机械封装和可订购信息

特性

  • 信噪比 (SNR) 为 100dB 的立体声音频数模转换器 (DAC)
  • SNR 为 93dB 的立体声音频模数转换器 (ADC)
  • 丰富的信号处理选项
  • 嵌入式 miniDSP
  • 6 个单端或 3 个全差分模拟输入
  • 立体声双耳式耳机输出
  • 立体声线路输出
  • 超低噪声可编程增益放大器 (PGA)
  • 模拟旁路模式
  • 可编程锁相环 (PLL)
  • 集成型低压降稳压器 (LDO)
  • 5mm x 5mm、32 引脚四方扁平无引线 (QFN) 封装

应用

  • 条形音箱
  • 平板电视
  • MP3 坞站
  • 蜂窝电话坞站
  • 其他立体声或 2.1 家用音频系统

说明

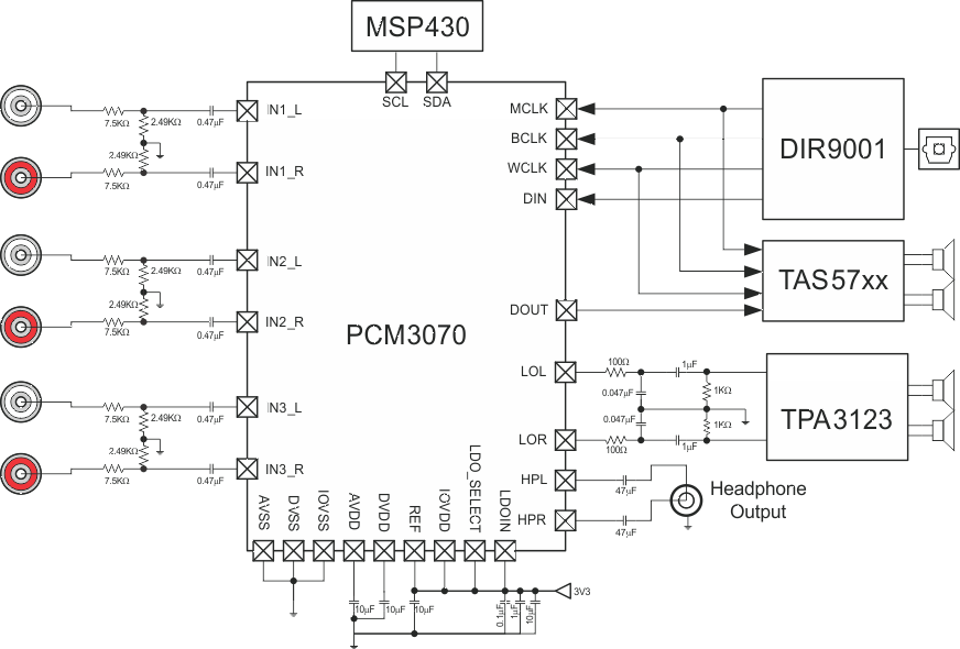
PCM3070 是一款灵活的立体声音频编解码器,配有可编程输入和输出、完全可编程 miniDSP、固定式预定义和可参数化信号处理块、集成式 PLL、集成式 LDO 以及灵活的数字接口。

器件信息(1)

器件型号 封装 封装尺寸(标称值)
PCM3070 超薄四方扁平无引线 (VQFN) (32) 5.00mm x 5.00mm
  1. 要了解所有可用封装,请见数据表末尾的可订购产品附录。

LP38690 的

PCM3070 sim_bd_las724.gif