ZHCAAL9A August   2019  – July 2021 LM3880 , LMR36015 , TPS62840 , TPS65000 , TPS650330-Q1 , TPS7A87 , TPS7A90

 

  1.   商标
  2. 1简介
    1. 1.1 CMOS 图像传感器的电源要求及其电源设计挑战
  3. 2TI 解决方案
    1. 2.1 解决方案概述
    2. 2.2 分立式解决方案电路板设计
      1. 2.2.1 器件选择
      2. 2.2.2 注意事项
      3. 2.2.3 分立式解决方案 PCB 板描述
    3. 2.3 TPS65000 解决方案设计
      1. 2.3.1 器件选择
      2. 2.3.2 TPS65000 解决方案配置
    4. 2.4 TPS650330-Q1 解决方案设计
      1. 2.4.1 器件选择
      2. 2.4.2 TPS650330-Q1 解决方案配置
  4. 3测试结果
    1. 3.1 分立式解决方案电路板的测试结果
      1. 3.1.1 设置
      2. 3.1.2 测试结果
    2. 3.2 TPS65000 解决方案的测试结果
    3. 3.3 TPS650330-Q1 解决方案的测试结果
  5. 4分析
    1. 4.1 PYTHON 系列 CMOS 图像传感器的电源序列修改
    2. 4.2 更改中间电压对整个系统的效率的影响
    3. 4.3 采用 TPS62841 的分立式解决方案与 TPS65000 解决方案为 IMX25X/26X CMOS 图像传感器供电时的效率比较
  6. 5总结
  7. 6参考文献
  8. 7修订历史记录

解决方案概述

本节介绍了用于为Topic Link Label1.1 中所列 CMOS 图像传感器供电的三种解决方案。表 2-1 使用标记“YES”(是)标明了表 1-1 中所列 CMOS 图像传感器适用的电源解决方案。

表 2-1 三种示例 CMOS 图像传感器的电源解决方案
CMOS 图像传感器分立式电路板解决方案 (LMR36015+TPS7A87+TPS7A90/TPS6284X+LM3880)TPS65000 解决方案(分立式电路板解决方案中的 LMR36015+TPS65000 EVM+LM3880 EVM)TPS650330-Q1 解决方案(TPS650330-Q1 EVM 电路板)
PYTHON 300/500/1300不适用
PYTHON 3000/5000不适用不适用
IMX25X/26X

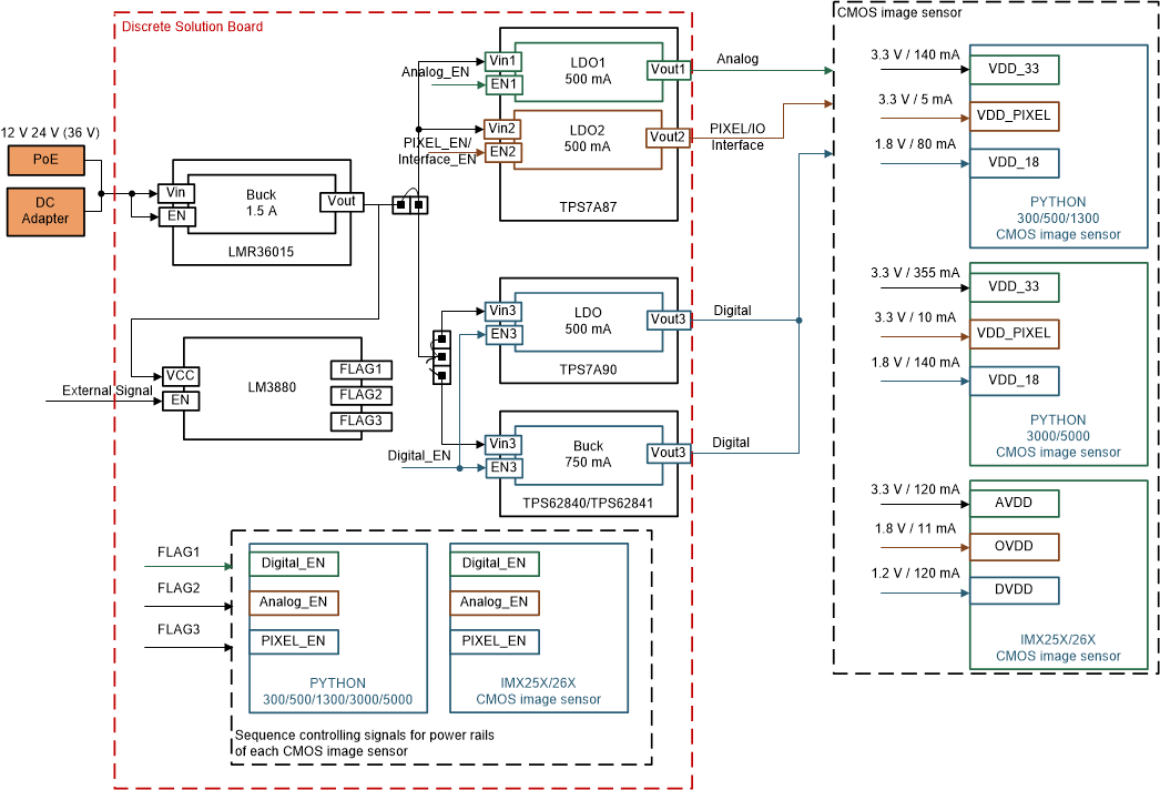
第一种解决方案是图 2-1 中所示的分立式解决方案。该分立式解决方案可为 PYTHON 300/500/1300/3000/5000 系列器件和 IMX25X/26X 系列器件供电。若要为 IMX25X/26X 系列器件供电,需要调整电路板上的分压电阻器和电源序列。

该解决方案包括:

  • 宽输入电压降压转换器 LMR36015,用作第一个功率级来将较高的输入电压(5V、12V 或 24V)转换为较低的中间电压 (4V)。此 4V 中间电压轨用作第二个功率级的输入电压,用于生成 CMOS 图像传感器的电源轨和序列发生器的电源。此外,该 4V 电源轨还可用于为相机的其他电子模块供电。
  • 双路 LDO 器件 TPS7A87,用于为 CMOS 图像传感器中对噪声敏感的模拟电压轨和像素电压轨(或接口电压轨)供电。
  • 单路 LDO TPS7A90,用于为 CMOS 图像传感器的数字电压轨供电。
  • TPS6284X 系列低输入电压降压转换器(TPS62840 用于为 PYTHON 300/500/1300/3000/5000 系列 CMOS 图像传感器的数字电压轨供电,而 TPS62841 用于为 IMX25X/26X 系列 CMOS 图像传感器的数字电压轨供电)。
  • LM3880 模拟序列发生器,用于控制每个电源轨的具体电源时序。

第一个功率级和第二个功率级之间的 2 引脚插头用于断开这两个功率级,从而分别对它们进行测试。TPS7A90 和 TPS6284X 之间放置了一个 3 引脚插头,用于选择 TPS7A90 或 TPS6284X 作为数字电压轨电源。另外还有三个 3 × 2 引脚用于根据图 1-1 中所示的电源时序来调节电源系统的正确电源时序。

该分立式解决方案的主要特性包括:

  • 输入电压:5V/12V/24V,支持高达 60V 的瞬变。
  • 4V,用作中间电压
  • 三个低噪声、高 PSRR 输出电压轨(通常为 1.2V–3.3V)
  • 最高 500mA 的输出电流
  • 最高 250µF 的输出电容器
  • 受控的加电和断电时序
  • 有源输出放电
  • 小尺寸 (25mm × 24mm)

第二个解决方案主要基于 PMIC TPS65000,其方框图如图 2-2 中所示。此解决方案可支持为 PYTHON 300/500/1300 系列器件和 IMX25X/26X 系列器件供电。若要为 IMX25X/26X 系列器件供电,需要修改电路板上的分压电阻器和电源序列。在此解决方案中,分立式解决方案电路板中的 LMR36015 用作第一个功率级,负责将较高的输入电压(5V、12V 或 24V)转换为较低的中间电压 (4V)。TPS65000 EVM 用作第二个功率级,负责将 4V 中间电压转换为模拟电压轨所需的 3.3V、PIXEL 电压轨所需的 3.3V 或接口电压轨所需的 1.8V,以及数字电压轨所需的 1.8V 或 1.2V。LM3880 EVM 用于控制每个电压轨的具体电源序列。

第三个解决方案基于 PMIC 器件 TPS650330-Q1,其方框图如图 2-3 中所示。此解决方案可支持为 IMX25X/26X 系列 CMOS 图像传感器供电。该系统可支持最高 18.3V 的输入电压。不同 CMOS 图像传感器的电压要求和具体电源序列要求可通过在 GUI 中设置 TPS650330-Q1 的寄存器来进行配置。

GUID-C21CDEF3-5B2B-4DF8-BCD1-31D693F643B1-low.gif图 2-1 分立式解决方案电路板方框图
GUID-AB7D4F4B-A5B4-49A0-A307-B737F41DFB32-low.gif图 2-2 PMIC TPS65000 解决方案方框图
GUID-BEFC31C7-196F-4978-8A48-5BCB303DD242-low.gif图 2-3 PMIC TPS650330-Q1 解决方案方框图