SPRUJ79 November 2024 F29H850TU , F29H859TU-Q1
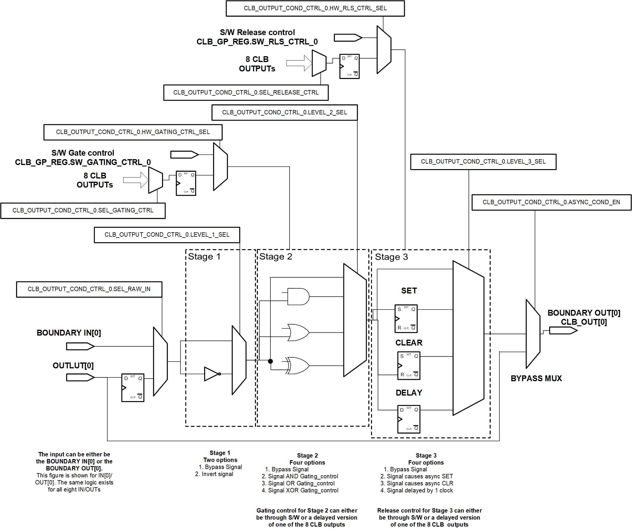
The logic in the AOC block is organized into three stages with the inputs passing through different types of logic modification at each stage before proceeding to the next level. This is shown in Figure 11-17.
There are 8 inputs to this block. Each of these 8 inputs can pick the corresponding BOUNDARY input to the CLB or the CLB TILE output (for example, the INPUT 0 of the AOC block can choose between CLB BOUNDARY INPUT0 and CLB TILE OUTPUT 0). If the CLB TILE OUTPUT 0 is selected, the CLB TILE OUTPUT 0 is always registered before being sent to the subsequent asynchronous signal conditioning stages. In each of the three stages, there is always an option to do nothing and just send the signal as is to the next stage (bypass).
Stage 1: The input signal can be inverted before sending the signal to the next stage.
Stage 2: The signal coming from Stage 1 can be GATED with a gating control signal. The gating control signal can either be from a software register or can be any of the CLB TILE outputs. The GATING function can be a logical AND, OR, or XOR.
Stage 3: The input signal can be used to either set or clear the output on the rising edge of the signal. This is a purely asynchronous set/clear that occurs without needing any clocks. The release control signal, when high, restores the output to the default state (HIGH if asynchronous clear is selected and LOW if asynchronous set is selected). The release control signal can be either from a software register or can be any of the CLB TILE outputs. Optionally, instead of any of the asynchronous set and clear operations, the input signal can just be delayed by a clock cycle.
The interaction of the CLB TILE and the AOC block is shown in Figure 11-18.
Figure 11-17 AOC Block
Figure 11-18 AOC Block and The CLB
TILE