SPRUJ17I March 2022 – August 2025 AM2631 , AM2631-Q1 , AM2632 , AM2632-Q1 , AM2634 , AM2634-Q1
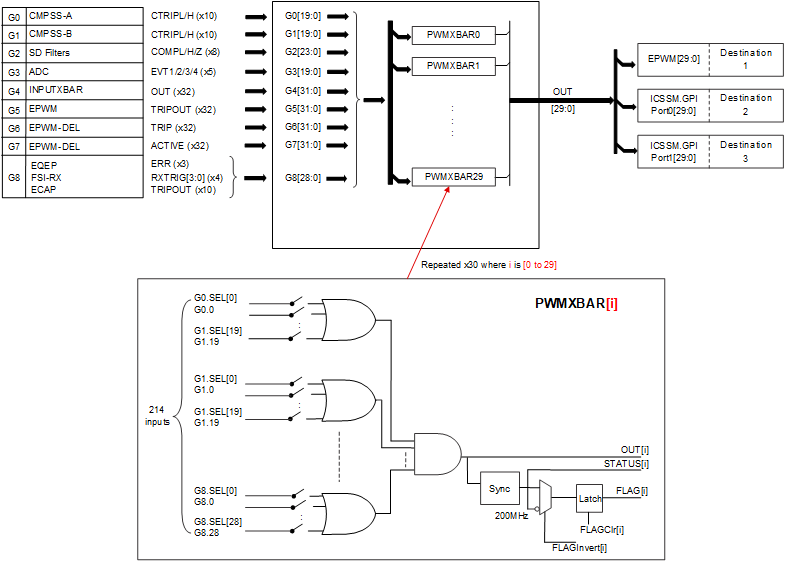
The PWMXBAR routes the trip events of different real-time CONTROLSS instances to either different ePWM trip inputs or to ICSSM GPI inputs. The sources of trip events to ePWM can be any of the following: compare subsystem trip high and low events, SDFM filter events, ADC events, INPUTXBAR outputs, ePWM tripout events, diode emulation trip/active signals, eQEP error events, FSIRX triggers, and eCAP trip outputs.
The architecture of the PWMXBAR includes unit XBARs which allow any of the PWMXBAR inputs to be routed to a single output of the XBAR. Multiple PWMXBAR outputs can have the same trip source routed to them. PWMXBAR outputs can also trigger ICSSM GPI inputs and can capture any inputs to the ePWM trip inputs. Each unit XBAR also has an associated set of PWMXBAR_STATUS and PWMXBAR_FLAG registers which can be used to inform the application of events. The PWMXBAR_FLAG_CLR register allows the application to clear the flags of captured events in a controlled fashion.
The PWMXBAR is configured by writing to the [PWMXBAR[0-29]_G[0-8].SEL] The Figure 7-331 shows all IP sources and destinations and Table 7-163 provides a comprehensive list of the destinations. For more information on configuration, see the CONTROLSS_PWMXBAR register definitions in the XBAR register section.

| PWMXBAR Outputs | Destination-1 | Destination-2 | Destination-3 |
|---|---|---|---|
| PWMXBAR.Out0 | EPWMx.TripInput.1 | ICSSM.GPI_Port0.0 | ICSSM.GPI_Port1.0 |
| PWMXBAR.Out1 | EPWMx.TripInput.2 | ICSSM.GPI_Port0.1 | ICSSM.GPI_Port1.1 |
| PWMXBAR.Out2 | EPWMx.TripInput.3 | ICSSM.GPI_Port0.2 | ICSSM.GPI_Port1.2 |
| PWMXBAR.Out3 | EPWMx.TripInput.4 | ICSSM.GPI_Port0.3 | ICSSM.GPI_Port1.3 |
| PWMXBAR.Out4 | EPWMx.TripInput.5 | ICSSM.GPI_Port0.4 | ICSSM.GPI_Port1.4 |
| PWMXBAR.Out5 | EPWMx.TripInput.6 | ICSSM.GPI_Port0.5 | ICSSM.GPI_Port1.5 |
| PWMXBAR.Out6 | EPWMx.TripInput.7 | ICSSM.GPI_Port0.6 | ICSSM.GPI_Port1.6 |
| PWMXBAR.Out7 | EPWMx.TripInput.8 | ICSSM.GPI_Port0.7 | ICSSM.GPI_Port1.7 |
| PWMXBAR.Out8 | EPWMx.TripInput.9 | ICSSM.GPI_Port0.8 | ICSSM.GPI_Port1.8 |
| PWMXBAR.Out9 | EPWMx.TripInput.10 | ICSSM.GPI_Port0.9 | ICSSM.GPI_Port1.9 |
| PWMXBAR.Out10 | EPWMx.TripInput.11 | ICSSM.GPI_Port0.10 | ICSSM.GPI_Port1.10 |
| PWMXBAR.Out11 | EPWMx.TripInput.12 | ICSSM.GPI_Port0.11 | ICSSM.GPI_Port1.11 |
| PWMXBAR.Out12 | EPWMx.TripInput.13 | ICSSM.GPI_Port0.12 | ICSSM.GPI_Port1.12 |
| PWMXBAR.Out13 | EPWMx.TripInput.14 | ICSSM.GPI_Port0.13 | ICSSM.GPI_Port1.13 |
| PWMXBAR.Out14 | EPWMx.TripInput.15 | ICSSM.GPI_Port0.14 | ICSSM.GPI_Port1.14 |
| PWMXBAR.Out15 | EPWMy.TripInput.1 | ICSSM.GPI_Port0.15 | ICSSM.GPI_Port1.15 |
| PWMXBAR.Out16 | EPWMy.TripInput.2 | ICSSM.GPI_Port0.16 | ICSSM.GPI_Port1.16 |
| PWMXBAR.Out17 | EPWMy.TripInput.3 | ICSSM.GPI_Port0.17 | ICSSM.GPI_Port1.17 |
| PWMXBAR.Out18 | EPWMy.TripInput.4 | ICSSM.GPI_Port0.18 | ICSSM.GPI_Port1.18 |
| PWMXBAR.Out19 | EPWMy.TripInput.5 | ICSSM.GPI_Port0.19 | ICSSM.GPI_Port1.19 |
| PWMXBAR.Out20 | EPWMy.TripInput.6 | ICSSM.GPI_Port0.20 | ICSSM.GPI_Port1.20 |
| PWMXBAR.Out21 | EPWMy.TripInput.7 | ICSSM.GPI_Port0.21 | ICSSM.GPI_Port1.21 |
| PWMXBAR.Out22 | EPWMy.TripInput.8 | ICSSM.GPI_Port0.22 | ICSSM.GPI_Port1.22 |
| PWMXBAR.Out23 | EPWMy.TripInput.9 | ICSSM.GPI_Port0.23 | ICSSM.GPI_Port1.23 |
| PWMXBAR.Out24 | EPWMy.TripInput.10 | ICSSM.GPI_Port0.24 | ICSSM.GPI_Port1.24 |
| PWMXBAR.Out25 | EPWMy.TripInput.11 | ICSSM.GPI_Port0.25 | ICSSM.GPI_Port1.25 |
| PWMXBAR.Out26 | EPWMy.TripInput.12 | ICSSM.GPI_Port0.26 | ICSSM.GPI_Port1.26 |
| PWMXBAR.Out27 | EPWMy.TripInput.13 | ICSSM.GPI_Port0.27 | ICSSM.GPI_Port1.27 |
| PWMXBAR.Out28 | EPWMy.TripInput.14 | ICSSM.GPI_Port0.28 | ICSSM.GPI_Port1.28 |
| PWMXBAR.Out29 | EPWMy.TripInput.15 | ICSSM.GPI_Port0.29 | ICSSM.GPI_Port1.29 |