SNVSA02A January   2016  – December 2016

PRODUCTION DATA.  

  1. Features
  2. Applications
  3. Description
  4. Revision History
  5. Pin Configuration and Functions
  6. Specifications
    1. 6.1 Absolute Maximum Ratings
    2. 6.2 ESD Ratings
    3. 6.3 Recommended Operating Conditions
    4. 6.4 Thermal Information
    5. 6.5 Electrical Characteristics
    6. 6.6 Switching Characteristics
    7. 6.7 Typical Characteristics
  7. Detailed Description
    1. 7.1 Overview
    2. 7.2 Functional Block Diagram
    3. 7.3 Feature Description
      1. 7.3.1  High Voltage Start-up Regulator
      2. 7.3.2  VCC Regulator
      3. 7.3.3  Oscillator
      4. 7.3.4  SYNIN and SYNOUT
      5. 7.3.5  Enable
      6. 7.3.6  Power Good
      7. 7.3.7  Output Voltage
      8. 7.3.8  Minimum Output Voltage Adjustment
      9. 7.3.9  Current Sense
      10. 7.3.10 DCR Current Sensing
      11. 7.3.11 Error Amplifier and PWM Comparator
      12. 7.3.12 Slope Compensation
    4. 7.4 Device Functional Modes
      1. 7.4.1 Hiccup Mode Current Limiting
      2. 7.4.2 Standby Mode
      3. 7.4.3 Soft Start
      4. 7.4.4 Diode Emulation
      5. 7.4.5 High and low-side Drivers
  8. Application and Implementation
    1. 8.1 Application Information
    2. 8.2 Typical Application
      1. 8.2.1 Design Requirements
      2. 8.2.2 Detailed Design Procedure
        1. 8.2.2.1  Inductor Calculation
        2. 8.2.2.2  Current Sense Resistor
        3. 8.2.2.3  Output Capacitor
        4. 8.2.2.4  Input Filter
        5. 8.2.2.5  EMI Filter Design
        6. 8.2.2.6  MOSFET Selection
        7. 8.2.2.7  Driver Slew Rate Control
        8. 8.2.2.8  Sub-Harmonic Oscillation
        9. 8.2.2.9  Control Loop
        10. 8.2.2.10 Error Amplifier
      3. 8.2.3 Application Curves
  9. Power Supply Recommendations
  10. 10Layout
    1. 10.1 Layout Guidelines
    2. 10.2 Layout Example
  11. 11Device and Documentation Support
    1. 11.1 Receiving Notification of Documentation Updates
    2. 11.2 Community Resources
    3. 11.3 Trademarks
    4. 11.4 Electrostatic Discharge Caution
    5. 11.5 Glossary
  12. 12Mechanical, Packaging, and Orderable Information

Features

  • Qualified for Automotive Applications
  • AEC-Q100 Test Guidance With the Following
    • Device Temperature Grade 1: –40ºC to +125ºC Ambient Operating Temperature
    • Device HBM ESD Classification Level 2
    • Device CDM ESD Classification Level C4B
  • Input Operating Range from 3.8 V to 65 V (70 V Absolute Maximum)
  • Two Interleaved Buck Controllers With:
    • VOUT1 Fixed 3.3 V, 5 V, or Adjustable
      from 1.5 V – 15 V, Accuracy ±1%
    • VOUT2 Fixed 5 V, 8 V, or Adjustable
      from 1.5 V – 15 V, Accuracy ±1%
  • Fixed 2.2-MHz or 440-kHz Switching Frequency, Accuracy ±7%
  • Optional Synchronization to an External Clock
  • SYNC Output Clock for Additional Converters
  • Shutdown Mode Current: 9 µA Typical
  • No Load Standby Current: 35 µA Typical (One Channel Operating)
  • Current Limit Threshold Programmable to 50 mV or 75 mV, Accuracy ±10%
  • Independent Enable Inputs for VOUT1 and VOUT2
  • Hiccup Mode Protection for Sustained Overload
  • Independent Power Good Outputs
  • High-Side and Low-Side Gate Drivers With Adjustable Slew Rate Control
  • Selectable Diode Emulation or Continuous Conduction at Light Load
  • 40-Pin VQFN Package With Wettable Flanks

Applications

  • Automotive Electronics
  • Infotainment Systems
  • Instrument Clusters
  • Advanced Driver Assistance (ADAS)

Description

The LM5140-Q1 is a dual synchronous buck controller intended for high voltage wide VIN step-down converter applications. The control method is based on current mode control. Current mode control provides inherent line feedforward, cycle-by-cycle current limiting, and easier loop compensation.

The LM5140-Q1 features adjustable slew rate control to simplify compliance with the CISPR and automotive EMI requirements. The LM5140-Q1 operates at selectable switching frequencies of 2.2 MHz or 440 kHz with the two controller channels switching 180º out of phase. In light or no-load conditions, the LM5140-Q1 operates in skip cycle mode for improved low power efficiency. The LM5140-Q1 includes a high voltage bias regulator with automatic switchover to an external bias supply to improve efficiency and reduce input current. Additional features include frequency synchronization, cycle-by-cycle current limit, hiccup mode fault protection for sustained overloads, independent power good outputs, and independent enable inputs.

Device Information(1)

PART NUMBER PACKAGE BODY SIZE (NOM)
LM5140-Q1 VQFN (40) 6.00 mm × 6.00 mm
  1. For all available packages, see the orderable addendum at the end of the data sheet.

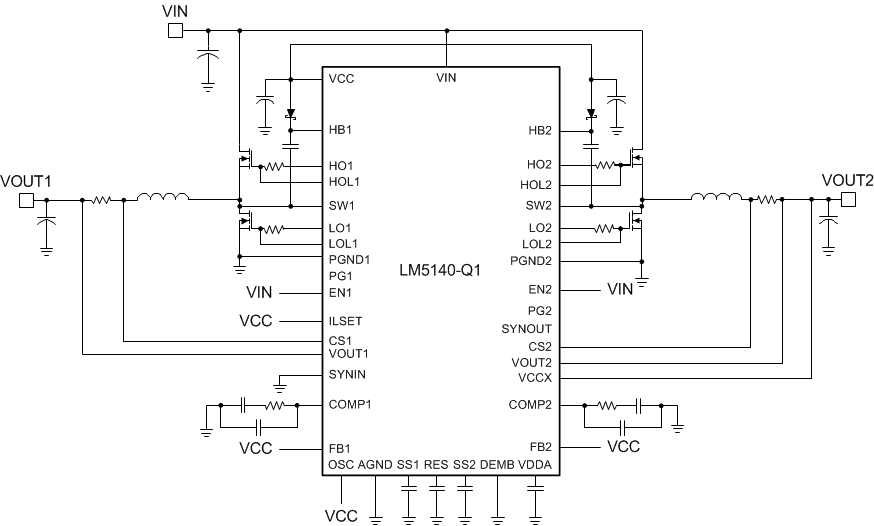
Simplified Schematic

LM5140-Q1 simplified_schematic_snvsa02.gif