SLOS528F July   2009  – April 2017 TPA3110D2

PRODUCTION DATA.  

  1. Features
  2. Applications
  3. Description
  4. Revision History
  5. Device Comparison Table
  6. Pin Configuration and F unctions
  7. Specifications
    1. 7.1 Absolute Maximum Ratings
    2. 7.2 ESD Ratings
    3. 7.3 Recommended Operating Conditions
    4. 7.4 Thermal Information
    5. 7.5 DC Characteristics: 24 V
    6. 7.6 DC Characteristics: 12 V
    7. 7.7 AC Characteristics: 24 V
    8. 7.8 AC Characteristics: 12 V
    9. 7.9 Typical Characteristics
  8. Parameter Measurement Information
  9. Detailed Description
    1. 9.1 Overview
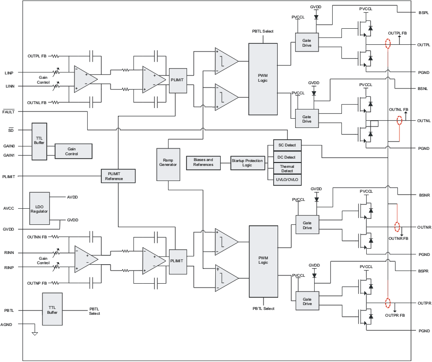
    2. 9.2 Functional Block Diagram
    3. 9.3 Feature Description
      1. 9.3.1 TPA3110D2 Modulation Scheme
        1. 9.3.1.1 Ferrite Bead Filter Considerations
        2. 9.3.1.2 Efficiency: LC Filter Required With The Traditional Class-D Modulation Scheme
        3. 9.3.1.3 When to Use an Output Filter for EMI Suppression
      2. 9.3.2 Gain Setting Via GAIN0 And GAIN1 Inputs
      3. 9.3.3 Differential Inputs
      4. 9.3.4 PLIMIT
      5. 9.3.5 GVDD Supply
      6. 9.3.6 PBTL Select
      7. 9.3.7 Thermal Protection
      8. 9.3.8 DC Detect
      9. 9.3.9 Short-Circuit Protection and Automatic Recovery Feature
    4. 9.4 Device Functional Modes
      1. 9.4.1 SD Operation
  10. 10Application and Implementation
    1. 10.1 Application Information
    2. 10.2 Typical Applications
      1. 10.2.1 Stereo Class-D Amplifier With BTL Output and Single-Ended Inputs With Power Limiting
        1. 10.2.1.1 Design Requirements
        2. 10.2.1.2 Detailed Design Procedure
          1. 10.2.1.2.1 Input Resistance
          2. 10.2.1.2.2 Input Capacitor, CI
          3. 10.2.1.2.3 BSN and BSP Capacitors
          4. 10.2.1.2.4 Using Low-ESR Capacitors
        3. 10.2.1.3 Application Curves
      2. 10.2.2 Stereo Class-D Amplifier With PBTL Output and Single-Ended Input
        1. 10.2.2.1 Design Requirements
        2. 10.2.2.2 Detailed Design Procedure
        3. 10.2.2.3 Application Curve
  11. 11Power Supply Recommendations
    1. 11.1 Power Supply Decoupling, CS
  12. 12Layout
    1. 12.1 Layout Guidelines
    2. 12.2 Layout Example
  13. 13Device and Documentation Support
    1. 13.1 Device Support
      1. 13.1.1 Development Support
    2. 13.2 Documentation Support
      1. 13.2.1 Related Documentation
    3. 13.3 Community Resources
    4. 13.4 Trademarks
    5. 13.5 Electrostatic Discharge Caution
    6. 13.6 Glossary
  14. 14Mechanical, Packaging, and Orderable Information

Features

  • 15-W/ch into an 8-Ω Loads at 10% THD+N From a 16-V Supply
  • 10-W/ch into 8-Ω Loads at 10% THD+N From a 13-V Supply
  • 30-W into a 4-Ω Mono Load at 10% THD+N From a 16-V Supply
  • 90% Efficient Class-D Operation Eliminates Need for Heat Sinks
  • Wide Supply Voltage Range Allows Operation From 8 V to 26 V
  • Filter-Free Operation
  • SpeakerGuard™ Speaker Protection Includes Adjustable Power Limiter Plus DC Protection
  • Flow Through Pin Out Facilitates Easy Board Layout
  • Robust Pin-to-Pin Short Circuit Protection and Thermal Protection With Auto Recovery Option
  • Excellent THD+N / Pop-Free Performance
  • Four Selectable, Fixed Gain Settings
  • Differential Inputs

Applications

  • Televisions
  • Consumer Audio Equipment

Description

The TPA3110D2 is a 15-W (per channel) efficient, Class-D audio power amplifier for driving bridged-tied stereo speakers. Advanced EMI Suppression Technology enables the use of inexpensive ferrite bead filters at the outputs while meeting EMC requirements. SpeakerGuard™ speaker protection circuitry includes an adjustable power limiter and a DC detection circuit. The adjustable power limiter allows the user to set a "virtual" voltage rail lower than the chip supply to limit the amount of current through the speaker. The DC detect circuit measures the frequency and amplitude of the PWM signal and shuts off the output stage if the input capacitors are damaged or shorts exist on the inputs.

The TPA3110D2 can drive stereo speakers as low as 4 Ω. The high efficiency of the TPA3110D2, 90%, eliminates the need for an external heat sink when playing music.

The outputs are also fully protected against shorts to GND, VCC, and output-to-output. The short-circuit protection and thermal protection includes an auto-recovery feature.

Device Information(1)

PART NUMBER PACKAGE BODY SIZE (NOM)
TPA3110D2 HTSSOP (28) 9.70 mm × 4.40 mm
  1. For all available packages, see the orderable addendum at the end of the data sheet.

TPA3110D2 Simplified Application Schematic

TPA3110D2 sim_app_cir_los528.gif