SLLU332 April   2021 ISOW1044

 

  1.   Trademarks
  2. 1Introduction
  3. 2Overview
  4. 3Pin Configuration of the ISOW1044 Isolated CAN Transceiver with Integrated DC-DC Converter
  5. 4EVM Setup and Operation
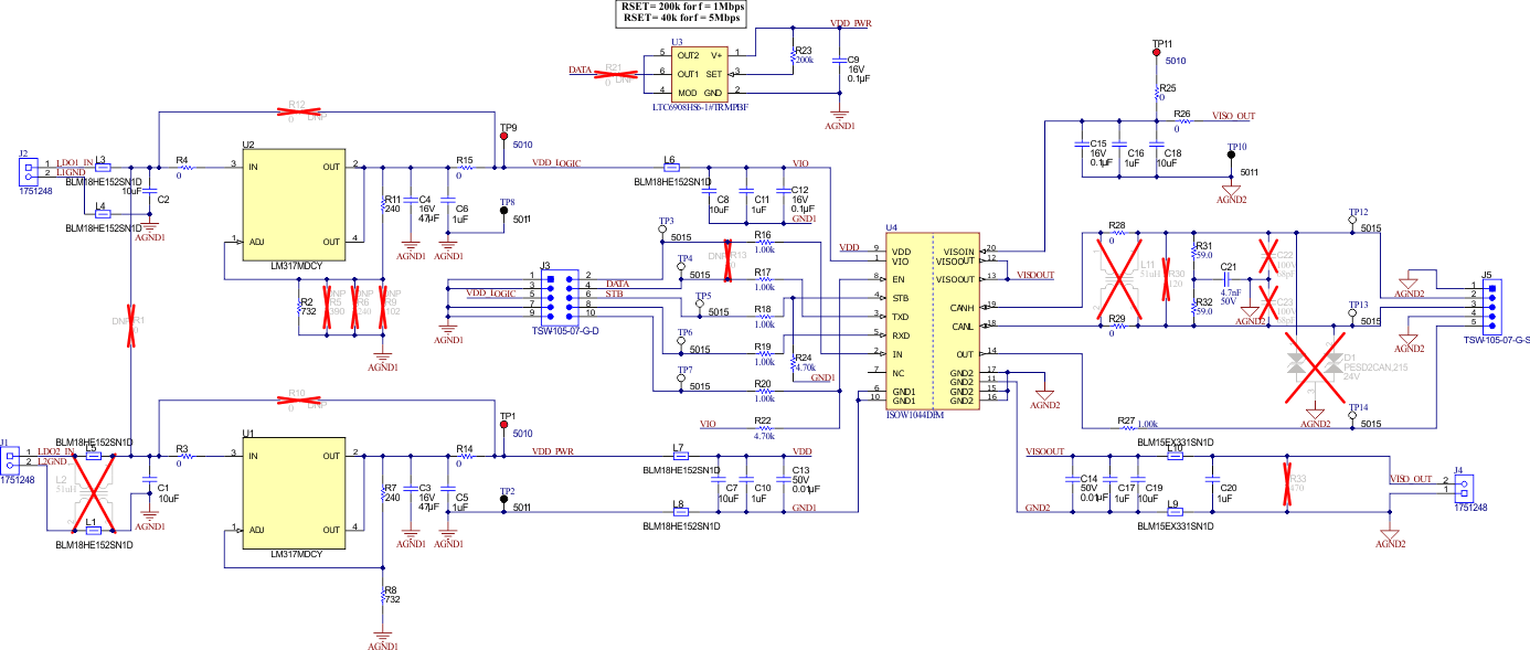
  6. 5EVM Schematic
  7. 6PCB Layout and 3D Diagram
  8. 7Bill of Materials

EVM Schematic

Figure 5-1 shows the ISOW1044DFMEVM schematic.

GUID-20210405-CA0I-HTMR-KPWW-RX2XCVX5Q81K-low.gifFigure 5-1 ISOW1044DFMEVM Schematic