SBOS508A December   2009  – December 2015 INA129-EP

PRODUCTION DATA.  

  1. Features
  2. Applications
  3. Description
  4. Revision History
  5. Pin Configuration and Functions
  6. Specifications
    1. 6.1 Absolute Maximum Ratings
    2. 6.2 ESD Ratings
    3. 6.3 Recommended Operating Conditions
    4. 6.4 Thermal Information
    5. 6.5 Electrical Characteristics
    6. 6.6 Typical Characteristics
  7. Detailed Description
    1. 7.1 Overview
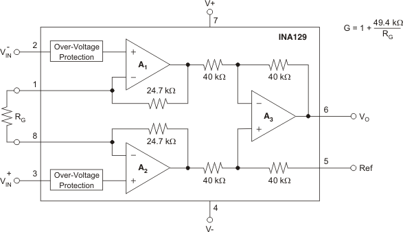
    2. 7.2 Functional Block Diagram
    3. 7.3 Feature Description
    4. 7.4 Device Functional Modes
      1. 7.4.1 Noise Performance
      2. 7.4.2 Input Common-Mode Range
  8. Application and Implementation
    1. 8.1 Application Information
    2. 8.2 Typical Application
      1. 8.2.1 Design Requirements
      2. 8.2.2 Detailed Design Procedure
        1. 8.2.2.1 Setting the Gain
        2. 8.2.2.2 Dynamic Performance
        3. 8.2.2.3 Offset Trimming
        4. 8.2.2.4 Input Bias Current Return Path
      3. 8.2.3 Application Curves
  9. Power Supply Recommendations
    1. 9.1 Low Voltage Operation
  10. 10Layout
    1. 10.1 Layout Guidelines
    2. 10.2 Layout Example
  11. 11Device and Documentation Support
    1. 11.1 Community Resources
    2. 11.2 Trademarks
    3. 11.3 Electrostatic Discharge Caution
    4. 11.4 Glossary
  12. 12Mechanical, Packaging, and Orderable Information

封装选项

机械数据 (封装 | 引脚)
散热焊盘机械数据 (封装 | 引脚)
订购信息

1 Features

  • Low Offset Voltage
  • Low Input Bias Current
  • High CMR: 95 dB (Typical)
  • Inputs Protected to ±40 V
  • Wide Supply Range: ±2.25 V to ±18 V
  • Low Quiescent Current: 2 mA (Typical)

2 Applications

  • Bridge Amplifier
  • Thermocouple Amplifier
  • RTD Sensor Amplifier
  • Medical Instrumentation
  • Data Acquisition
  • Supports Extreme Temperature Applications:
    • Controlled Baseline
    • One Assembly and Test Site
    • One Fabrication Site
    • Available in Military (–55°C to +125°C) Temperature Range (1)
    • Extended Product Life Cycle
    • Extended Product-Change Notification
    • Product Traceability
(1)
(1)Custom temperature ranges available

3 Description

The INA129-EP device is a low power, general-purpose instrumentation amplifier offering excellent accuracy. The versatile 3-op amp design and small size make the device ideal for a wide range of applications. Current-feedback input circuitry provides wide bandwidth even at high gain (200 kHz at G = 100).

A single external resistor sets any gain from 1 to 10,000. The INA129-EP provides an industry-standard gain equation; the INA129-EP gain equation is compatible with the AD620.

The INA129-EP device is laser trimmed for very low offset voltage, drift, and high common-mode rejection (113 dB at G ≥ 100). It operates with power supplies as low as ±2.25 V, and quiescent current is only 750 μA–ideal for battery operated systems. Internal input protection can withstand up to ±40 V without damage.

The INA129-EP is available in a 8-Pin SOIC surface-mount package specified for the –55°C to 125°C temperature range.

Device Information(1)

PART NUMBER PACKAGE BODY SIZE (NOM)
INA129-EP SOIC (8) 4.90 mm × 3.91 mm
  1. For all available packages, see the orderable addendum at the end of the data sheet.

Simplified Schematic

INA129-EP fbd_bos501.gif