ZHCSDW7A May 2013 – June 2015 DS110DF111
PRODUCTION DATA.
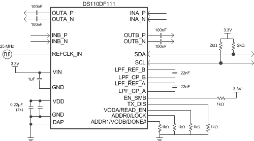
DS110DF111 是一款具有集成信号调节功能的双通道(双向单信道)重定时器。 DS110DF111 的每条通道包括一个输入连续时间线性均衡器 (CTLE)、时钟和数据恢复 (CDR) 功能以及发送驱动器。
DS110DF111 具有片上判决反馈均衡器 (DFE),可延长在有损且存在串扰的高速串行链路中的发送距离并提高稳定性,从而实现比特误差率 (BER) < 1x10-15。 对于要求较低的应用和互连,关闭 DFE 也能够获得相同的 BER 性能。 DS125DF111 和 DS110DF111 器件引脚兼容。
DS110DF111 每条通道的串行数据速率均可独立锁定在 8.5Gbps 到 11.3Gbps 范围内或者任何支持的子速率上。 这简化了系统设计并降低了总成本。
可编程发送去加重驱动器提供精确设置,从而符合 SFF-8431 输出眼图模板。 利用完全自适应接收均衡(CTLE 和 DFE),可以延长在因使用多个连接器而受损的铜缆和背板上的发送距离。 CDR 功能可消除抖动并恢复重定时高速串行数据,是前端口并行光学模块应用的理想选择。
| 器件型号 | 封装 | 封装尺寸(标称值) |
|---|---|---|
| DS110DF111 | WQFN (24) | 4.0mm x 4.0mm |
