SLVS857B December 2009 – January 2015 DRV8808
PRODUCTION DATA.
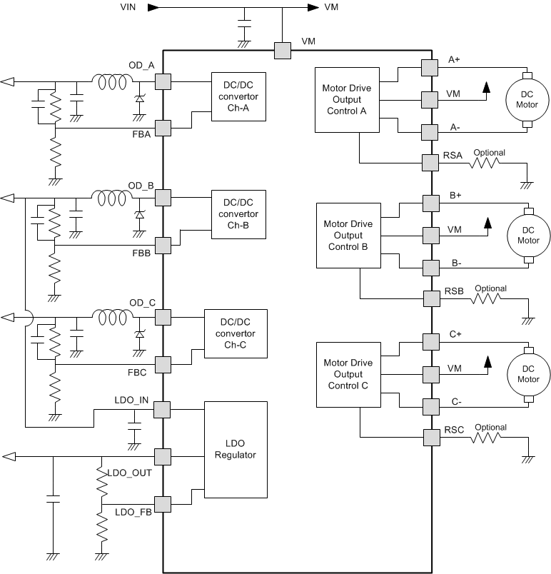
The DRV8808 device provides the integrated motor driver solution for printers. The chip has three full H-bridges and three buck DC-DC converters.
The output driver block for each consists of N-channel power MOSFETs configured as full H-bridges to drive the motor windings. The device can be configured to use internal or external current sense for winding current control.
The SPI input pins are 3.3-V compatible and have inputs that are 5-V tolerant.
The DRV8808 has three DC-DC switched-mode buck converters to generate a programmable output voltage from 1 V up to 90% of VM, with up to 1.35-A load current capability.
The device is configured using the CSELECT terminal at start-up, and serial interface during run time.
An internal shutdown function is provided for overcurrent protection, short-circuit protection, undervoltage lockout, and thermal shutdown. Also, the device has the reset function at power on, and the input on the nReset pin.
| PART NUMBER | PACKAGE | BODY SIZE (NOM) |
|---|---|---|
| DRV8808 | HTSSOP (48) | 12.50 mm x 6.10 mm |

Changes from A Revision (August 2011) to B Revision