ZHCSGT0 July 2017 DRV3201-Q1
PRODUCTION DATA.
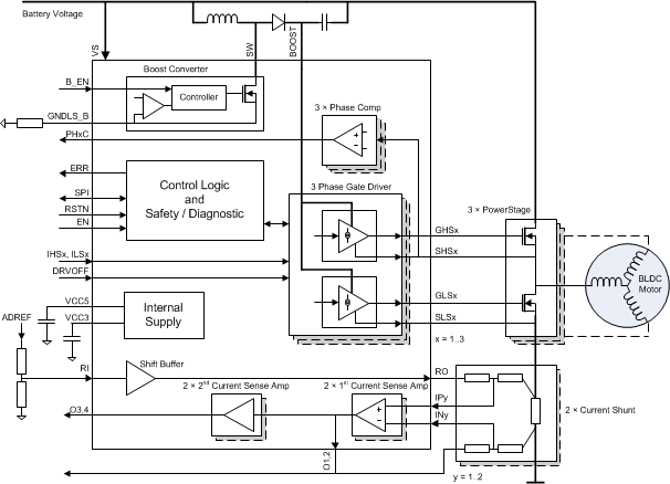
此桥式驱动器专门用于包括安全相关 应用在内的汽车三相位无刷直流电机控制。它提供 6 个用于正常电平 N 通道金属氧化物半导体场效应晶体管 (MOSFET) 晶体管的专用驱动器。此驱动器的功能被设计成处理 250nC 的栅极电荷,并且为了实现轻松的输出斜率调节,可设定此驱动器的拉/灌电流。该器件还通过 SPI 接口集成了先进的诊断、保护和监控 特性 。一个具有集成 FET 的升压转换器提供过驱电压,从而可实现对功率级的完全控制,即使当电池电压低至 4.75V 时也是如此。
| 器件型号 | 封装 | 封装尺寸(标称值) |
|---|---|---|
| DRV3201-Q1 | HTQFP (64) | 10.00mm x 10.00mm |
要接收文档更新通知,请导航至 TI.com 上的器件产品文件夹。单击右上角的通知我 进行注册,即可每周接收产品信息更改摘要。有关更改的详细信息,请查看任何已修订文档中包含的修订历史记录。
下列链接提供到 TI 社区资源的连接。链接的内容由各个分销商“按照原样”提供。这些内容并不构成 TI 技术规范,并且不一定反映 TI 的观点;请参阅 TI 的 《使用条款》。
PowerPAD, E2E are trademarks of Texas Instruments.
All other trademarks are the property of their respective owners.

这些装置包含有限的内置 ESD 保护。 存储或装卸时,应将导线一起截短或将装置放置于导电泡棉中,以防止 MOS 门极遭受静电损伤。
SLYZ022 — TI Glossary.
This glossary lists and explains terms, acronyms, and definitions.