SLPS673 March   2017 CSD95491Q5MC

PRODUCTION DATA.  

  1. 1Features
  2. 2Applications
  3. 3Description
  4. 4Revision History
  5. 5Pin Configuration and Functions
  6. 6Specifications
    1. 6.1 Absolute Maximum Ratings
    2. 6.2 ESD Ratings
    3. 6.3 Recommended Operating Conditions
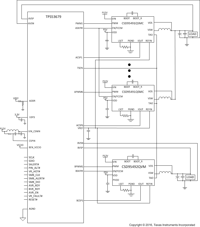
  7. 7Application Schematic
  8. 8Device and Documentation Support
    1. 8.1 Receiving Notification of Documentation Updates
    2. 8.2 Community Resources
    3. 8.3 Trademarks
    4. 8.4 Electrostatic Discharge Caution
    5. 8.5 Glossary
  9. 9Mechanical, Packaging, and Orderable Information
    1. 9.1 Mechanical Drawing
    2. 9.2 Recommended PCB Land Pattern
    3. 9.3 Recommended Stencil Opening

封装选项

机械数据 (封装 | 引脚)
  • DMC|12
散热焊盘机械数据 (封装 | 引脚)
订购信息

Features

  • 60-A Continuous Operating Current Capability
  • Over 94.4% System Efficiency at 30 A
  • High-Frequency Operation (up to 1.25 MHz)
  • Diode Emulation Function
  • Temperature Compensated Bi-Directional Current Sense
  • Analog Temperature Output
  • Fault Monitoring
  • 3.3-V and 5-V PWM Signal Compatible
  • Tri-State PWM Input
  • Integrated Bootstrap Switch
  • Optimized Dead Time for Shoot-Through Protection
  • High-Density VSON 5-mm × 6-mm Footprint
  • Ultra-Low-Inductance Package
  • System Optimized PCB Footprint
  • Thermally Enhanced Topside Cooling
  • RoHS Compliant – Lead-Free Terminal Plating
  • Halogen Free
  • Application Diagram

    CSD95491Q5MC Application_Schem.gif

Applications

  • Multiphase Synchronous Buck Converters
    • High-Frequency Applications
    • High-Current, Low-Duty Cycle Applications
  • POL DC-DC Converters
  • Memory and Graphic Cards
  • Desktop and Server VR12.x / VR13.x V-Core Synchronous Buck Converters
  • High-Current POL for Network Communications

Description

The CSD95491Q5MC NexFET™ power stage is a highly optimized design for use in a high-power, high-density synchronous buck converter. This product integrates the driver IC and power MOSFETs to complete the power stage switching function. This combination produces high-current, high-efficiency, and high-speed switching capability in a small 5-mm × 6-mm outline package. It also integrates the accurate current sensing and temperature sensing functionality to simplify system design and improve accuracy. In addition, the PCB footprint has been optimized to help reduce design time and simplify the completion of the overall system design.

Device Information(1)

DEVICE MEDIA QTY PACKAGE SHIP
CSD95491Q5MC 13-Inch Reel 2500 VSON
5.00-mm × 6.00-mm
Package
Tape and Reel
CSD95491Q5MCT 7-Inch Reel 250
  1. For all available packages, see the orderable addendum at the end of the data sheet.

Typical Power Stage Efficiency and Power Loss

CSD95491Q5MC D000_SLPS655.gif

Revision History

DATE REVISION NOTES
March 2017 * Initial release.