ZHCSPB2J November   1998  – November 2021 CD54HC138 , CD54HC238 , CD54HCT138 , CD54HCT238 , CD74HC138 , CD74HC238 , CD74HCT138 , CD74HCT238

PRODUCTION DATA  

  1. 特性
  2. 说明
  3. Revision History
  4. Pin Configuration and Functions
    1.     5
  5. Specifications
    1. 5.1 Absolute Maximum Ratings
    2. 5.2 Recommended Operating Conditions
    3. 5.3 Thermal Information
    4. 5.4 Electrical Characteristics
    5. 5.5 Switching Characteristics (2)
  6. Parameter Measurement Information
  7. Detailed Description
    1. 7.1 Overview
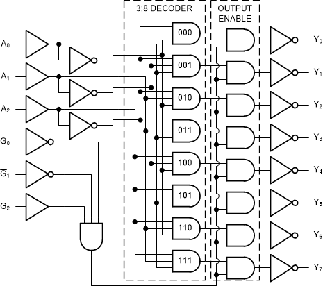
    2. 7.2 Functional Block Diagram
    3. 7.3 Device Functional Modes
  8. Power Supply Recommendations
  9. Layout
    1. 9.1 Layout Guidelines
  10. 10Device and Documentation Support
    1. 10.1 Documentation Support
      1. 10.1.1 Related Documentation
    2. 10.2 接收文档更新通知
    3. 10.3 支持资源
    4. 10.4 Trademarks
    5. 10.5 Electrostatic Discharge Caution
    6. 10.6 Glossary
  11. 11Mechanical, Packaging, and Orderable Information

封装选项

请参考 PDF 数据表获取器件具体的封装图。

机械数据 (封装 | 引脚)
  • PW|16
  • NS|16
  • N|16
  • D|16
散热焊盘机械数据 (封装 | 引脚)
订购信息

特性

  • 选择一个数据输出(共八个):
    • 针对 '138 的低电平有效
    • 针对 '238 的高电平有效
  • l/O 端口或存储器选择器
  • 三个使能输入以简化级联
  • 当 VCC = 5V,CL = 15pF,TA = 25°C 时的传播延迟典型值为 13ns
  • 扇出(在温度范围内)
    • 总线驱动器输出:15 个 LSTTL 负载
    • 标准输出:10 个 LSTTL 负载
  • 宽工作温度范围:-55°C 至 125°C
  • 平衡的传播延迟及转换时间
  • 与 LSTTL 逻辑 IC 相比,可显著降低功耗
  • HC 类型
    • 工作电压为 2 V 至 6 V
    • 高抗噪性:当 VCC = 5 V 时,NIL = 30%,NIH = VCC 的 30%
  • HCT 类型
    • 4.5V 至 5.5V 工作电压
    • 直接 LSTTL 输入逻辑兼容性,VIL = 0.8V(最大值),VIH = 2V(最小值)
    • CMOS 输入兼容性,当电压为 VOL、VOH 时,Il ≤ 1µA
GUID-20210218-CA0I-M11P-LCKQ-TNXKGB9NZGJB-low.gif功能框图 '138