ZHCSX03F December   2002  – June 2024 ULQ2003A-Q1 , ULQ2004A-Q1

PRODUCTION DATA  

  1.   1
  2. 特性
  3. 应用
  4. 说明
  5. Pin Configuration and Functions
  6. Specifications
    1. 5.1 Absolute Maximum Ratings
    2. 5.2 ESD Ratings
    3. 5.3 Recommended Operating Conditions
    4. 5.4 Thermal Information
    5. 5.5 Electrical Characteristics, ULQ2003AT and ULQ2003AQ
    6. 5.6 Electrical Characteristics, ULQ2004AT
    7. 5.7 Switching Characteristics, ULQ2003A and ULQ2004A
    8. 5.8 Dissipation Ratings
    9. 5.9 Typical Characteristics
  7. Parameter Measurement Information
  8. Detailed Description
    1. 7.1 Overview
    2. 7.2 Functional Block Diagram
    3. 7.3 Feature Description
    4. 7.4 Device Functional Modes
      1. 7.4.1 Inductive Load Drive
      2. 7.4.2 Resistive Load Drive
  9. Application and Implementation
    1. 8.1 Application Information
    2. 8.2 Typical Application
      1. 8.2.1 Design Requirements
      2. 8.2.2 Detailed Design Procedure
        1. 8.2.2.1 Drive Current
        2. 8.2.2.2 Low-Level Output Voltage
        3. 8.2.2.3 Power Dissipation and Temperature
      3. 8.2.3 Application Curve
    3. 8.3 System Examples
    4. 8.4 Power Supply Recommendations
    5. 8.5 Layout
      1. 8.5.1 Layout Guidelines
      2. 8.5.2 Layout Example
  10. Device and Documentation Support
    1. 9.1 Related Links
    2. 9.2 支持资源
    3. 9.3 Trademarks
    4. 9.4 静电放电警告
    5. 9.5 术语表
  11. 10Revision History
  12. 11Mechanical, Packaging, and Orderable Information

封装选项

请参考 PDF 数据表获取器件具体的封装图。

机械数据 (封装 | 引脚)
  • PW|16
  • DYY|16
  • D|16
散热焊盘机械数据 (封装 | 引脚)
订购信息

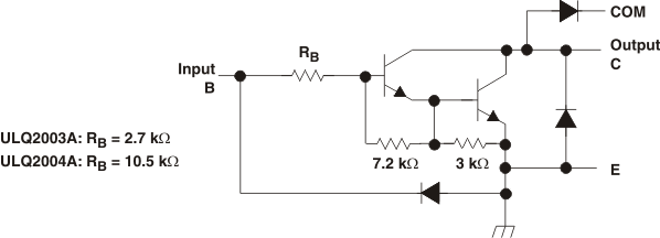
Functional Block Diagram

ULQ2003A-Q1 ULQ2004A-Q1 Logic DiagramFigure 7-1 Logic Diagram
ULQ2003A-Q1 ULQ2004A-Q1 Schematics (Each Darlington Pair)
All resistor values shown are nominal.
The collector-emitter diode is a parasitic structure and should not be used to conduct current. If the collector(s) go below ground an external Schottky diode should be added to clamp negative undershoots.
Figure 7-2 Schematics (Each Darlington Pair)