ZHCSLD8G April 1999 – April 2025 UCC2813-0 , UCC2813-1 , UCC2813-2 , UCC2813-3 , UCC2813-4 , UCC2813-5 , UCC3813-0 , UCC3813-1 , UCC3813-2 , UCC3813-3 , UCC3813-4 , UCC3813-5
PRODUCTION DATA
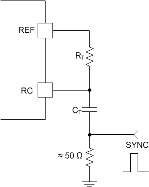
最好通过通用技术来实现这些 PWM 控制器的同步,如 图 7-9 所示。器件振荡器被编程为以比同步频率低约 20% 的频率下自由运行。在 50Ω 电阻器上施加一个短暂的正脉冲以强制同步。通常,100ns 宽度、1V 振幅的脉冲足以满足大多数应用的要求。
该控制器还可以与直接施加到振荡器 RC 引脚的脉冲序列同步。一旦超过振荡器上限阈值,器件会在内部拉低该节点。该 130Ω 接地阻抗将持续有效,直到 RC 上的电压降至 0.2V 以下。外部同步电路必须适应这些条件。
图 7-9 同步振荡器