ZHCS907A May 2012 – December 2014 UCC27518 , UCC27519
PRODUCTION DATA.
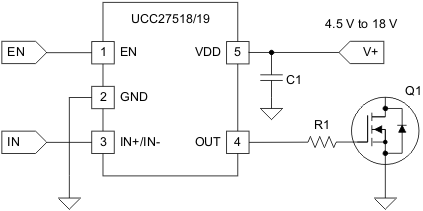
UCC27518 和 UCC27519 单通道高速低侧栅极驱动器器件可有效驱动金属氧化物半导体场效应晶体管 (MOSFET) 和绝缘栅双极型晶体管 (IGBT) 电源开关。 UCC27518 和 UCC27519 采用的设计方案可最大程度减少击穿电流,从而为电容负载提供较高的峰值拉/灌电流脉冲,同时提供轨到轨驱动能力以及超短的传播延迟(典型值为 17ns)。
当 VDD = 12V 时,UCC27518 和 UCC27519 可提供峰值为 4A 的灌/拉(对称驱动)电流驱动能力。
UCC27518 和 UCC27519 具有 4.5V 至 18V 的宽 VDD 范围,以及 –40°C 至 140°C 的宽温度范围。 当超出 VDD 工作范围时,VDD 引脚上的内部欠压闭锁 (UVLO) 电路可使输出保持低电平。 该器件不仅能够工作在低于 5V 的低电压下,还具备同类产品中最佳的开关特性,因此非常适用于驱动诸如 GaN 功率半导体器件等新上市的宽带隙电源开关器件。
| 器件型号 | 封装 | 封装尺寸(标称值) |
|---|---|---|
| UCC27518 | SOT-23 (5) | 2.90mm x 1.60mm |
| UCC27519 |
