ZHCS784D March   2012  – December 2014 UCC27516 , UCC27517

PRODUCTION DATA.  

  1. 特性
  2. 应用
  3. 说明
  4. 修订历史记录
  5. 说明 (续)
  6. Device Comparison Table
  7. Pin Configuration and Functions
  8. Specifications
    1. 8.1 Absolute Maximum Ratings
    2. 8.2 ESD Ratings
    3. 8.3 Recommended Operating Conditions
    4. 8.4 Thermal Information
    5. 8.5 Electrical Characteristics
    6. 8.6 Switching Characteristics
    7. 8.7 Typical Characteristics
  9. Detailed Description
    1. 9.1 Overview
    2. 9.2 Functional Block Diagrams
    3. 9.3 Feature Description
      1. 9.3.1 VDD and Undervoltage Lockout
      2. 9.3.2 Operating Supply Current
      3. 9.3.3 Input Stage
      4. 9.3.4 Enable Function
      5. 9.3.5 Output Stage
      6. 9.3.6 Low Propagation Delays
    4. 9.4 Device Functional Modes
  10. 10Application and Implementation
    1. 10.1 Application Information
    2. 10.2 Typical Application
      1. 10.2.1 Design Requirements
      2. 10.2.2 Detailed Design Procedure
        1. 10.2.2.1 Input-to-Output Logic
        2. 10.2.2.2 Input Threshold Type
        3. 10.2.2.3 VDD Bias Supply Voltage
        4. 10.2.2.4 Peak Source and Sink Currents
        5. 10.2.2.5 Enable and Disable Function
        6. 10.2.2.6 Propagation Delay
      3. 10.2.3 Application Curves
  11. 11Power Supply Recommendations
  12. 12Layout
    1. 12.1 Layout Guidelines
    2. 12.2 Layout Example
    3. 12.3 Thermal Considerations
    4. 12.4 Power Dissipation
  13. 13器件和文档支持
    1. 13.1 相关链接
    2. 13.2 商标
    3. 13.3 静电放电警告
    4. 13.4 术语表
  14. 14机械、封装和可订购信息

封装选项

机械数据 (封装 | 引脚)
散热焊盘机械数据 (封装 | 引脚)
订购信息

10 Application and Implementation

NOTE

Information in the following applications sections is not part of the TI component specification, and TI does not warrant its accuracy or completeness. TI’s customers are responsible for determining suitability of components for their purposes. Customers should validate and test their design implementation to confirm system functionality.

10.1 Application Information

High-current gate-driver devices are required in switching power applications for a variety of reasons. In order to effect fast switching of power devices and reduce associated switching power losses, a powerful gate driver is employed between the PWM output of controllers and the gates of the power-semiconductor devices. Further, gate drivers are indispensable when there are times that the PWM controller cannot directly drive the gates of the switching devices. With advent of digital power, this situation is often encountered because the PWM signal from the digital controller is often a 3.3-V logic signal, which is not capable of effectively turning on a power switch. A level-shifting circuitry is needed to boost the 3.3-V signal to the gate-drive voltage (such as 12 V) in order to fully turn on the power device and minimize conduction losses. Because traditional buffer-drive circuits based on NPN/PNP bipolar transistors in totem-pole arrangement, being emitter-follower configurations, lack level-shifting capability, the circuits prove inadequate with digital power. Gate drivers effectively combine both the level-shifting and buffer-drive functions. Gate drivers also find other needs such as minimizing the effect of high-frequency switching noise by locating the high-current driver physically close to the power switch, driving gate-drive transformers and controlling floating power-device gates, reducing power dissipation and thermal stress in controllers by moving gate-charge power losses into itself. Finally, emerging wide-bandgap power-device technologies, such as GaN based switches, which are capable of supporting very high switching frequency operation, are driving very special requirements in terms of gate-drive capability. These requirements include operation at low VDD voltages (5 V or lower), low propagation delays and availability in compact, low-inductance packages with good thermal capability. In summary gate-driver devices are extremely important components in switching power combining benefits of high-performance, low cost, component count and board space reduction with a simplified system design.

10.2 Typical Application

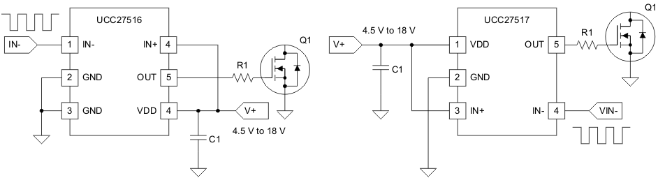
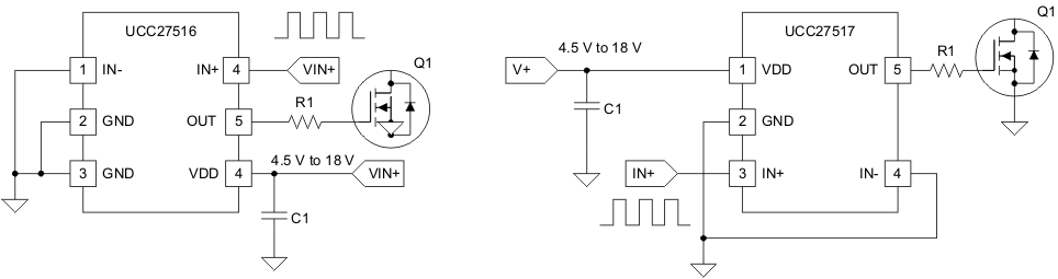
The UCC27516 and UCC27517 devices can be used in non-inverting and inverting driver configurations.

NOTE

The UCC27516 features two ground pins, pin 2 and pin 3. TI recommends tying both pins together using PCB trace as close as possible to the device.

UCC27516 UCC27517 ai1_lusay4.gif
(IN- Is Grounded to the Enable Output)
Figure 24. Using Noninverting Input
UCC27516 UCC27517 ai2_lusay4.gif
(IN+ Is Tied to VDD Enable Output)
Figure 25. Using Inverting Input

10.2.1 Design Requirements

When selecting the proper gate driver device for an end application, some design considerations must be evaluated first to make the most appropriate selection. Among these considerations are input-to-output configuration, the input threshold type, bias supply voltage levels, peak source and sink currents, availability of independent enable and disable functions, propagation delay, power dissipation, and package type.

Table 4. Design Parameters

Design Parameter Example Value
Input-to-Output Logic Non-Inverting
Input Threshold Type Logic Level
VDD Bias Supply Voltage 10 V (Minimum), 13 V (Nominal), 15 V (Peak)
Peak Source and Sink Currents Minimum 3 A Source, Minimum 3 A Sink
Enable and Disable Function Yes, Needed
Propagation Delay Maximum 40 ns or less

10.2.2 Detailed Design Procedure

10.2.2.1 Input-to-Output Logic

The design should specify which type of input-to-output configuration should be used. If turning on the power MOSFET or IGBT when the input signal is in high state is preferred, then the noninverting configuration must be selected. If turning off the power MOSFET or IGBT when the input signal is in high state is preferred, the inverting configuration must be chosen. The UCC27516 and UCC27517 devices can be configured in either an inverting or noninverting input-to-output configuration, using the IN– or IN+ pins, respectively. To configure the device for use in inverting mode, tie the IN+ pin to VDD and apply the input signal to the IN– pin. For the non inverting configuration, tie the IN– pin to GND and apply the input signal to the IN+ pin.

10.2.2.2 Input Threshold Type

The type of input voltage threshold determines the type of controller used with the gate driver device. The UCC27516 and UCC27517 devices feature a TTL and CMOS-compatible input threshold logic, with wide hysteresis. The threshold voltage levels are low voltage and independent of the VDD supply voltage, which allows compatibility with both logic-level input signals from microcontrollers, as well as higher-voltage input signals from analog controllers. See Electrical Characteristics for the actual input threshold voltage levels and hysteresis specifications for the UCC27516 and UCC27517 devices.

10.2.2.3 VDD Bias Supply Voltage

The bias supply voltage to be applied to the VDD pin of the device should never exceed the values listed in the Recommended Operating Conditions table. However, different power switches demand different voltage levels to be applied at the gate terminals for effective turnon and turnoff. With certain power switches, a positive gate voltage may be required for turnon and a negative gate voltage may be required for turnoff, in which case the VDD bias supply equals the voltage differential. With a wide operating range from 4.5 V to 18 V, the UCC27516 and UCC27517 devices can be used to drive a variety of power switches, such as Si MOSFETs (for example, VGS = 4.5 V, 10 V, 12 V), IGBTs (VGE = 15 V, 18 V), and wide-band gap power semiconductors (such as GaN, certain types of which allow no higher than 6 V to be applied to the gate terminals).

10.2.2.4 Peak Source and Sink Currents

Generally, the switching speed of the power switch during turnon and turnoff should be as fast as possible, to minimize switching power losses. The gate driver device must be able to provide the required peak current for achieving the targeted switching speeds for the targeted power MOSFET.

Using the example of a power MOSFET, the system requirement for the switching speed is typically described in terms of the slew rate of the drain-to-source voltage of the power MOSFET (such as dVDS/dt). For example, the system requirement might state that a SPP20N60C3 power MOSFET must be turned-on with a dVDS/dt of 20V/ns or higher, under a DC bus voltage of 400 V in a continuous-conduction-mode (CCM) boost PFC-converter application. This type of application is an inductive hard-switching application and reducing switching power losses is critical. This requirement means that the entire drain-to-source voltage swing during power MOSFET turnon event (from 400 V in the OFF state to VDS(on) in on state) must be completed in approximately 20 ns or less.

When the drain-to-source voltage swing occurs, the Miller charge of the power MOSFET (QGD parameter in SPP20N60C3 power MOSFET data sheet = 33 nC typical) is supplied by the peak current of gate driver. According to the power MOSFET inductive switching mechanism, the gate-to-source voltage of the power MOSFET at this time is the Miller plateau voltage, which is typically a few volts higher than the threshold voltage of the power MOSFET, VGS(TH). To achieve the targeted dVDS/dt, the gate driver must be capable of providing the QGD charge in 20 ns or less. In other words, a peak current of 1.65 A (= 33 nC / 20 ns) or higher must be provided by the gate driver. The UCC27516 and UCC27517 gate driver is capable of providing 4-A peak sourcing current, which exceeds the design requirement and has the capability to meet the switching speed needed.

The 2.4x overdrive capability provides an extra margin against part-to-part variations in the QGD parameter of the power MOSFET, along with additional flexibility to insert external gate resistors and fine tune the switching speed for efficiency versus EMI optimizations. However, in practical designs the parasitic trace inductance in the gate drive circuit of the PCB will have a definitive role to play on the power MOSFET switching speed. The effect of this trace inductance is to limit the dI/dt of the output current pulse of the gate driver.

To illustrate this, consider output current pulse waveform from the gate driver to be approximated to a triangular profile, where the area under the triangle (½ ×IPEAK × time) would equal the total gate charge of the power MOSFET (QG parameter in SPP20N60C3 power MOSFET datasheet = 87 nC typical).

If the parasitic trace inductance limits the dI/dt, then a situation may occur in which the full peak current capability of the gate driver is not fully achieved in the time required to deliver the QG required for the power MOSFET switching. In other words, the time parameter in the equation would dominate and the IPEAK value of the current pulse would be much less than the true peak current capability of the device, while the required QG is still delivered. Because of this, the desired switching speed may not be realized, even when theoretical calculations indicate the gate driver is capable of achieving the targeted switching speed. Thus, placing the gate driver device very close to the power MOSFET and designing a tight gate drive-loop with minimal PCB trace inductance is important to realize the full peak-current capability of the gate driver.

10.2.2.5 Enable and Disable Function

Certain applications demand independent control of the output state of the driver, without involving the input signal. A pin offering an enable and disable function achieves this requirement. The UCC27516 and UCC27517 devices offer two input pins, IN+ and IN–, both of which control the state of the output as listed in Table 3. Based on whether an inverting or non inverting input signal is provided to the driver, the appropriate input pin can be selected as the primary input for controlling the gate driver. The other unused input pin can be used for the enable and disable functionality. If the design does not require an enable function, the unused input pin can be tied to either the VDD pin (in case IN+ is the unused pin), or GND (in case IN– is unused pin) to ensure it does not affect the output status.

10.2.2.6 Propagation Delay

The acceptable propagation delay from the gate driver is dependent on the switching frequency at which it is used, and the acceptable level of pulse distortion to the system. The UCC27516 and UCC27517 devices feature industry best-in-class 13-ns (typical) propagation delays, which ensure very little pulse distortion and allow operation at very high-frequencies. See Switching Characteristics for the propagation and switching characteristics of the UCC27516 and UCC27517 devices.

10.2.3 Application Curves

UCC27516 UCC27517 ai7_test_slvsco2.gif
VDD = 10 V C(LOAD) = 1 nF
Figure 26. Typical Turnon Waveform
UCC27516 UCC27517 ai8_test_slvsco2.gif
VDD = 10 V C(LOAD) = 1 nF
Figure 27. Typical Turnoff Waveform