ZHCSLZ9C August   2020  – January 2024 UCC21732

PRODUCTION DATA  

  1.   1
  2. 特性
  3. 应用
  4. 说明
  5. Pin Configuration and Functions
  6. Specifications
    1. 5.1  Absolute Maximum Ratings
    2. 5.2  ESD Ratings
    3. 5.3  Recommended Operating Conditions
    4. 5.4  Thermal Information
    5. 5.5  Power Ratings
    6. 5.6  Insulation Specifications
    7. 5.7  Safety-Related Certifications
    8. 5.8  Safety Limiting Values
    9. 5.9  Electrical Characteristics
    10. 5.10 Switching Characteristics
    11. 5.11 Insulation Characteristics Curves
    12. 5.12 Typical Characteristics
  7. Parameter Measurement Information
    1. 6.1 Propagation Delay
      1. 6.1.1 Regular Turn-OFF
    2. 6.2 Input Deglitch Filter
    3. 6.3 Active Miller Clamp
      1. 6.3.1 External Active Miller Clamp
    4. 6.4 Under Voltage Lockout (UVLO)
      1. 6.4.1 VCC UVLO
      2. 6.4.2 VDD UVLO
    5. 6.5 OC (Over Current) Protection
      1. 6.5.1 OC Protection with 2-Level Turn-OFF
  8. Detailed Description
    1. 7.1 Overview
    2. 7.2 Functional Block Diagram
    3. 7.3 Feature Description
      1. 7.3.1  Power Supply
      2. 7.3.2  Driver Stage
      3. 7.3.3  VCC and VDD Undervoltage Lockout (UVLO)
      4. 7.3.4  Active Pulldown
      5. 7.3.5  Short Circuit Clamping
      6. 7.3.6  External Active Miller Clamp
      7. 7.3.7  Overcurrent and Short Circuit Protection
      8. 7.3.8  2-Level Turn-Off
      9. 7.3.9  Fault ( FLT, Reset and Enable ( RST/EN)
      10. 7.3.10 Isolated Analog to PWM Signal Function
    4. 7.4 Device Functional Modes
  9. Applications and Implementation
    1. 8.1 Application Information
    2. 8.2 Typical Application
      1. 8.2.1 Design Requirements
      2. 8.2.2 Detailed Design Procedure
        1. 8.2.2.1 Input Filters for IN+, IN- and RST/EN
        2. 8.2.2.2 PWM Interlock of IN+ and IN-
        3. 8.2.2.3 FLT, RDY and RST/EN Pin Circuitry
        4. 8.2.2.4 RST/EN Pin Control
        5. 8.2.2.5 Turn-On and Turn-Off Gate Resistors
        6. 8.2.2.6 External Active Miller Clamp
        7. 8.2.2.7 Overcurrent and Short Circuit Protection
          1. 8.2.2.7.1 Protection Based on Power Modules with Integrated SenseFET
          2. 8.2.2.7.2 Protection Based on Desaturation Circuit
          3. 8.2.2.7.3 Protection Based on Shunt Resistor in Power Loop
        8. 8.2.2.8 Isolated Analog Signal Sensing
          1. 8.2.2.8.1 Isolated Temperature Sensing
          2. 8.2.2.8.2 Isolated DC Bus Voltage Sensing
        9. 8.2.2.9 Higher Output Current Using an External Current Buffer
  10. Power Supply Recommendations
  11. 10Layout
    1. 10.1 Layout Guidelines
    2. 10.2 Layout Example
  12. 11Device and Documentation Support
    1. 11.1 第三方产品免责声明
    2. 11.2 Documentation Support
      1. 11.2.1 Related Documentation
    3. 11.3 接收文档更新通知
    4. 11.4 支持资源
    5. 11.5 Trademarks
    6. 11.6 静电放电警告
    7. 11.7 术语表
  13. 12Revision History
  14. 13Mechanical, Packaging, and Orderable Information

封装选项

机械数据 (封装 | 引脚)
散热焊盘机械数据 (封装 | 引脚)
订购信息

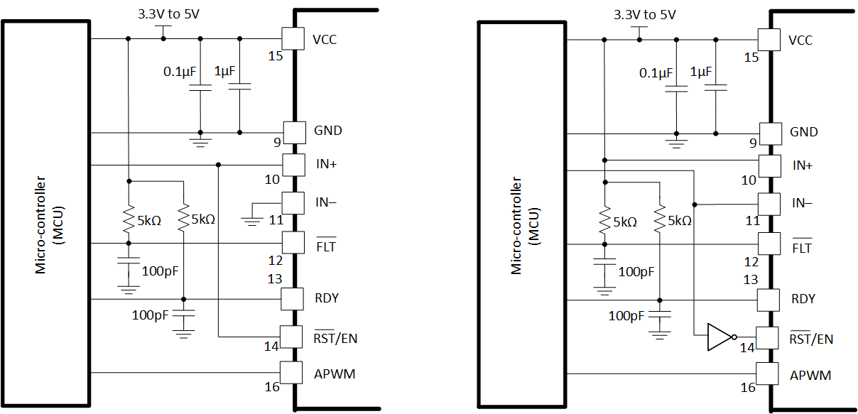
RST/EN Pin Control

The RST/EN pin has two functions. It can be used to enable and shutdown the outputs of the driver, and reset the fault signaled on the FLT pin. RST/EN pin needs to be pulled up to enable the device; when the pin is pulled down, the device is in disabled status. With a 50-kΩ pulldown resistor existing, the driver is disabled by default.

When the driver is latched after overcurrent or short circuit fault is detected, the FLT pin and output are latched low and need to be reset by RST/EN pin. RST/EN pin is active low. The microcntroller needs to send a signal to RST/EN pin after the fault mute time tFLTMUTE to reset the driver. This pin can also be used to automatically reset the driver. The continuous input signal IN+ or IN- can be applied to RST/EN pin, so the microcontroller does not need to generate another control signal to reset the driver. If non-inverting input IN+ is used, then IN+ can be tied to RST/EN pin. If inverting input IN- is used, then a NOT logic is needed between the inverting PWM signal from the microcontroller and the RST/EN pin. In this case, the driver can be reset in every switching cycle without an extra control signal from microcontroller to RST/EN pin.

GUID-0B0DC609-C1A9-4AE2-B108-D3C3D645C4FF-low.gifFigure 8-4 Automatic Reset Control