ZHCSJ18D October   2018  – November 2024 UCC21530

PRODUCTION DATA  

  1.   1
  2. 特性
  3. 应用
  4. 说明
  5. 引脚配置和功能
  6. 规格
    1. 5.1  绝对最大额定值
    2. 5.2  ESD 等级
    3. 5.3  建议运行条件
    4. 5.4  热性能信息
    5. 5.5  功率等级
    6. 5.6  绝缘规格
    7. 5.7  安全限值
    8. 5.8  电气特性
    9. 5.9  时序要求
    10. 5.10 开关特性
    11. 5.11 绝缘特性曲线
    12. 5.12 典型特性
  7. 参数测量信息
    1. 6.1 传播延迟和脉宽失真度
    2. 6.2 上升至下降时间
    3. 6.3 输入和使能响应时间
    4. 6.4 可编程死区时间
    5. 6.5 上电 UVLO 到输出延迟
    6. 6.6 CMTI 测试
  8. 详细说明
    1. 7.1 概述
    2. 7.2 功能方框图
    3. 7.3 特性说明
      1. 7.3.1 VDD、VCCI 和欠压锁定 (UVLO)
      2. 7.3.2 输入和输出逻辑表
      3. 7.3.3 输入级
      4. 7.3.4 输出级
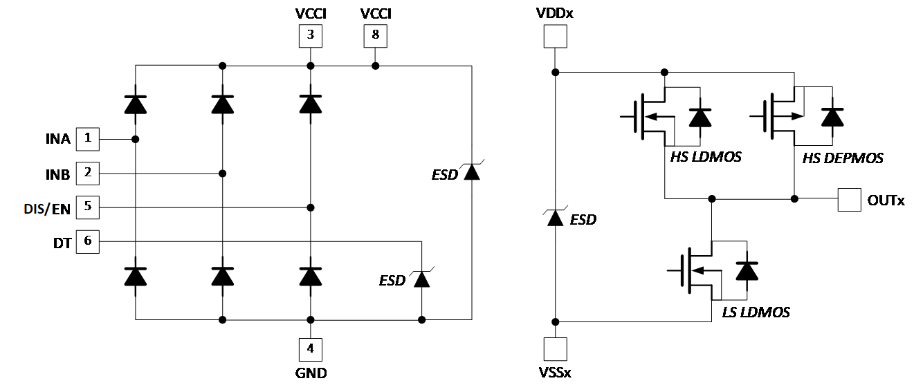
      5. 7.3.5 UCC21530-Q1 中的二极管结构
    4. 7.4 器件功能模式
      1. 7.4.1 使能引脚
      2. 7.4.2 可编程死区时间 (DT) 引脚
        1. 7.4.2.1 DT 引脚连接至 VCC
        2. 7.4.2.2 DT 引脚连接至 DT 和 GND 引脚之间的编程电阻器
  9. 应用和实施
    1. 8.1 应用信息
    2. 8.2 典型应用
      1. 8.2.1 设计要求
      2. 8.2.2 详细设计过程
        1. 8.2.2.1 设计 INA/INB 输入滤波器
        2. 8.2.2.2 选择死区时间电阻器和电容器
        3. 8.2.2.3 栅极驱动器输出电阻器
        4. 8.2.2.4 估算栅极驱动器功率损耗
        5. 8.2.2.5 估算结温
        6. 8.2.2.6 选择 VCCI、VDDA/B 电容器
          1. 8.2.2.6.1 选择 VCCI 电容器
        7. 8.2.2.7 其他应用示例电路
      3. 8.2.3 应用曲线
  10. 电源相关建议
  11. 10布局
    1. 10.1 布局指南
      1. 10.1.1 元件放置注意事项
      2. 10.1.2 接地注意事项
      3. 10.1.3 高电压注意事项
      4. 10.1.4 散热注意事项
    2. 10.2 布局示例
  12. 11器件和文档支持
    1. 11.1 第三方产品免责声明
    2. 11.2 文档支持
      1. 11.2.1 相关文档
    3. 11.3 接收文档更新通知
    4. 11.4 支持资源
    5. 11.5 商标
    6. 11.6 术语表
  13. 12修订历史记录
  14. 13机械、封装和可订购信息

封装选项

请参考 PDF 数据表获取器件具体的封装图。

机械数据 (封装 | 引脚)
  • DWK|14
散热焊盘机械数据 (封装 | 引脚)
订购信息

UCC21530-Q1 中的二极管结构

图 7-3 展示了 UCC21530 ESD 保护元件中涉及的多个二极管。这提供了器件的绝对最大额定值的图形表示。

UCC21530 ESD 结构图 7-3 ESD 结构