ZHCSWL0 June   2024 TXS0104V

PRODUCTION DATA  

  1.   1
  2. 特性
  3. 应用
  4. 说明
  5. 引脚配置和功能
  6. 规格
    1. 5.1  绝对最大额定值
    2. 5.2  ESD 等级
    3. 5.3  建议运行条件
    4. 5.4  热性能信息(PW、RGY、BQA、RUT、D)
    5. 5.5  电气特性
    6. 5.6  开关特性,VCCA = 1.8V ± 0.15V
    7. 5.7  开关特性,VCCA = 2.5V ± 0.2V
    8. 5.8  开关特性,VCCA = 3.3V ± 0.3V
    9. 5.9  开关特性:Tsk,TMAX
    10. 5.10 典型特性
  7. 参数测量信息
    1. 6.1 负载电路
    2. 6.2 电压波形
  8. 详细说明
    1. 7.1 概述
    2. 7.2 功能方框图
    3. 7.3 特性说明
      1. 7.3.1 架构
      2. 7.3.2 输入驱动器要求
      3. 7.3.3 上电
      4. 7.3.4 启用和禁用
      5. 7.3.5 I/O 线路上的上拉和下拉电阻器
    4. 7.4 器件功能模式
  9. 应用和实施
    1. 8.1 应用信息
    2. 8.2 典型应用
      1. 8.2.1 设计要求
      2. 8.2.2 详细设计过程
      3. 8.2.3 应用曲线
    3. 8.3 电源相关建议
    4. 8.4 布局
      1. 8.4.1 布局指南
      2. 8.4.2 布局示例
  10. 器件和文档支持
    1. 9.1 文档支持
      1. 9.1.1 相关文档
    2. 9.2 接收文档更新通知
    3. 9.3 支持资源
    4. 9.4 商标
    5. 9.5 静电放电警告
    6. 9.6 术语表
  11. 10修订历史记录
  12. 11机械、封装和可订购信息

封装选项

机械数据 (封装 | 引脚)
散热焊盘机械数据 (封装 | 引脚)
订购信息

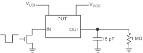
负载电路

TXS0104V 使用推挽驱动器时的数据速率、脉冲持续时间、传播延迟、输出上升时间和下降时间测量图 6-1 使用推挽驱动器时的数据速率、脉冲持续时间、传播延迟、输出上升时间和下降时间测量
TXS0104V 使用开漏驱动器时的数据速率、脉冲持续时间、传播延迟、输出上升时间和下降时间测量图 6-2 使用开漏驱动器时的数据速率、脉冲持续时间、传播延迟、输出上升时间和下降时间测量
TXS0104V 针对使能时间和禁用时间测量的负载电路
测试S1
tPZL / tPLZ
(tdis)
2 x VCCO
tPHZ / tPZH
(ten)
开路
图 6-3 针对使能时间和禁用时间测量的负载电路
  1. tPLZ 和 tPHZ 与 tdis 一样。
  2. tPZL 和 tPZH 与 ten 一样。
  3. VCCI 是与输入端口相关的 VCC
  4. VCCO 是与输出端口相关的 VCC