ZHCSGS1A September   2017  – September 2017 TS5USBC400

PRODUCTION DATA.  

  1. 特性
  2. 应用
  3. 说明
    1.     Device Images
      1.      简化电路原理图
  4. 修订历史记录
  5. Pin Configuration and Functions
  6. Specifications
    1. 6.1 Absolute Maximum Ratings
    2. 6.2 ESD Ratings
    3. 6.3 Recommended Operating Conditions
    4. 6.4 Thermal Information
    5. 6.5 Electrical Characteristics
    6. 6.6 Dynamic Characteristics
    7. 6.7 Timing Requirements
    8. 6.8 Typical Characteristics
  7. Parameter Measurement Information
  8. Detailed Description
    1. 8.1 Overview
    2. 8.2 Functional Block Diagram
    3. 8.3 Feature Description
      1. 8.3.1 Powered-off Protection
      2. 8.3.2 Overvoltage Protection
    4. 8.4 Device Functional Modes
      1. 8.4.1 Pin Functions
  9. Application and Implementation
    1. 9.1 Application Information
    2. 9.2 Typical Application
      1. 9.2.1 Design Requirements
      2. 9.2.2 Detailed Design Procedure
      3. 9.2.3 Application Curves
  10. 10Power Supply Recommendations
  11. 11Layout
    1. 11.1 Layout Guidelines
    2. 11.2 Layout Example
  12. 12器件和文档支持
    1. 12.1 文档支持
      1. 12.1.1 相关文档
    2. 12.2 社区资源
    3. 12.3 商标
    4. 12.4 静电放电警告
    5. 12.5 Glossary
  13. 13机械、封装和可订购信息

封装选项

请参考 PDF 数据表获取器件具体的封装图。

机械数据 (封装 | 引脚)
  • YFP|12
散热焊盘机械数据 (封装 | 引脚)
订购信息

Parameter Measurement Information

TS5USBC400 scds367_ron.gif
Channel ON, RON = V/ISINK
Figure 2. ON-State Resistance (RON)
TS5USBC400 scds367_off_leakage.gifFigure 3. Off Leakage
TS5USBC400 scds367_on_leakage.gifFigure 4. On Leakage
TS5USBC400 scds367_tsk_switch_timing.gif
All input pulses are supplied by generators having the following characteristics: PRR ≤ 10 MHz, ZO = 50 Ω, tr < 500 ps, tf < 500 ps.
CL includes probe and jig capacitance.
Figure 5. tSWITCH Timing
TS5USBC400 scds367_t_on_t_off_oe_bar.gif
All input pulses are supplied by generators having the following characteristics: PRR ≤ 10 MHz, ZO = 50 Ω, tr < 500 ps, tf < 500 ps.
CL includes probe and jig capacitance.
Figure 6. tON, tOFF for OE
TS5USBC400 scds369_off_isolation.gifFigure 7. Off Isolation
TS5USBC400 scds367_xtalk.gifFigure 8. Cross Talk
TS5USBC400 scds367_bw.gifFigure 9. BW and Insertion Loss
TS5USBC400 scds367_10ovp.gifFigure 10. tEN_OVP and tDIS_OVP Timing Diagram
TS5USBC400 scds367_11prr.gif
All input pulses are supplied by generators having the following characteristics: PRR ≤ 10 MHz, ZO = 50 Ω, tr < 500 ps, tf < 500 ps.
CL includes probe and jig capacitance.
Figure 11. tPD
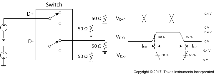
TS5USBC400 scds367_tsk.gif
All input pulses are supplied by generators having the following characteristics: PRR ≤ 10 MHz, ZO = 50 Ω, tr < 500 ps, tf < 500 ps.
CL includes probe and jig capacitance.
Figure 12. tSK