SCDS201H AUGUST   2005  – February  2015 TS5A23159

PRODUCTION DATA.  

  1. Features
  2. Applications
  3. Description
  4. Revision History
  5. Pin Configuration and Functions
  6. Specifications
    1. 6.1 Absolute Maximum Ratings
    2. 6.2 ESD Ratings
    3. 6.3 Recommended Operating Conditions
    4. 6.4 Thermal Information
    5. 6.5 Electrical Characteristics for 5-V Supply
    6. 6.6 Electrical Characteristics for 3.3-V Supply
    7. 6.7 Electrical Characteristics for 2.5-V Supply
    8. 6.8 Electrical Characteristics for 1.8-V Supply
    9. 6.9 Typical Characteristics
  7. Parameter Measurement Information
  8. Detailed Description
    1. 8.1 Overview
    2. 8.2 Functional Block Diagram
    3. 8.3 Feature Description
    4. 8.4 Device Functional Modes
  9. Application and Implementation
    1. 9.1 Application Information
    2. 9.2 Typical Application
      1. 9.2.1 Design Requirements
      2. 9.2.2 Detailed Design Procedure
      3. 9.2.3 Application Curve
  10. 10Power Supply Recommendations
  11. 11Layout
    1. 11.1 Layout Guidelines
    2. 11.2 Layout Example
  12. 12Device and Documentation Support
    1. 12.1 Trademarks
    2. 12.2 Electrostatic Discharge Caution
    3. 12.3 Glossary
  13. 13Mechanical, Packaging, and Orderable Information

封装选项

请参考 PDF 数据表获取器件具体的封装图。

机械数据 (封装 | 引脚)
  • RSE|10
  • DGS|10
散热焊盘机械数据 (封装 | 引脚)
订购信息

7 Parameter Measurement Information

TS5A23159 pmi13_cds201.gifFigure 14. ON-State Resistance (Ron)
TS5A23159 pmi14_cds201.gifFigure 15. OFF-State Leakage Current
(INC(OFF), INC(PWROFF), INO(OFF), INO(PWROFF), ICOM(OFF), IcOM(PWROFF))
TS5A23159 pmi15_cds201.gifFigure 16. ON-State Leakage Current (ICOM(ON), INC(ON), INO(ON))
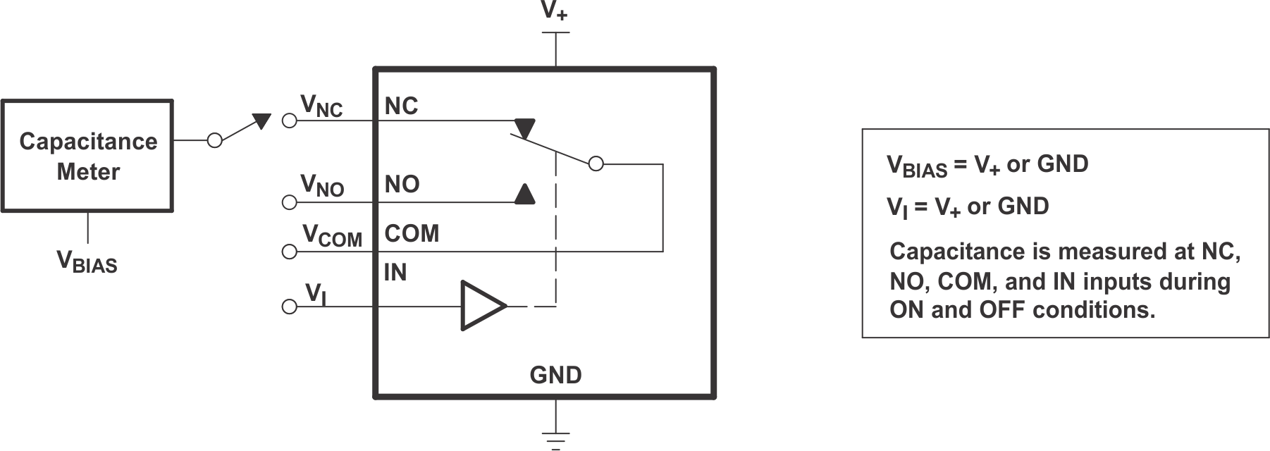
TS5A23159 pmi16_cds201.gifFigure 17. Capacitance (CI, CCOM(ON), CNC(OFF), CNO(OFF), CNC(ON), CNO(ON))
TS5A23159 pmi17_cds201.gif
1. All input pulses are supplied by generators having the following characteristics:
PRR 3 10 MHz, ZO = 50 Ω , tr < 5 ns, tf < 5 ns.
2. CL includes probe and jig capacitance.
Figure 18. Turnon (TON) and Turnoff Time (TOFF)
TS5A23159 pmi18_cds201.gif
1. All input pulses are supplied by generators having the following characteristics:
PRR 3 10 MHz, ZO = 50 Ω , tr < 5 ns, tf < 5 ns.
2. CL includes probe and jig capacitance.
Figure 19. Break-Before-Make Time (TBBM)
TS5A23159 pmi19_cds201.gifFigure 20. Bandwidth (Bw)
TS5A23159 pmi20_cds201.gifFigure 21. Off Isolation (OISO)
TS5A23159 pmi21_cds201.gifFigure 22. Crosstalk (XTALK)
TS5A23159 pmi22_cds201.gif
1. All input pulses are supplied by generators having the following characteristics:
PRR 3 10 MHz, ZO = 50 Ω , tr < 5 ns, tf < 5 ns.
2. CL includes probe and jig capacitance.
Figure 23. Charge Injection (QC)
TS5A23159 pmi23_cds201.gif
1. CL includes probe and jig capacitance.
Figure 24. Total Harmonic Distortion (THD)

Table 1. Parameter Description

SYMBOL DESCRIPTION
VCOM Voltage at COM
VNC Voltage at NC
VNO Voltage at NO
Ron Resistance between COM and NC or COM and NO ports when the channel is ON
Rpeak Peak on-state resistance over a specified voltage range
ΔRon Difference of Ron between channels in a specific device
Ron(flat) Difference between the maximum and minimum value of Ron in a channel over the specified range of conditions
INC(OFF) Leakage current measured at the NC port, with the corresponding channel (NC to COM) in the OFF state under worst-case input and output conditions
INC(PWROFF) Leakage current measured at the NC port during the power-down condition, VCC = 0
INO(OFF) Leakage current measured at the NO port, with the corresponding channel (NO to COM) in the OFF state under worst-case input and output conditions
INO(PWROFF) Leakage current measured at the NO port during the power-down condition, VCC = 0
INC(ON) Leakage current measured at the NC port, with the corresponding channel (NC to COM) in the ON state and the output (COM) open
INO(ON) Leakage current measured at the NO port, with the corresponding channel (NO to COM) in the ON state and the output (COM) open
ICOM(ON) Leakage current measured at the COM port, with the corresponding channel (COM to NO or COM to NC) in the ON state and the output (NC or NO) open
ICOM(PWROFF) Leakage current measured at the COM port during the power-down condition, VCC = 0
VIH Minimum input voltage for logic high for the control input (IN)
VIL Maximum input voltage for logic low for the control input (IN)
VIN Voltage at the control input (IN)
IIH, IIL Leakage current measured at the control input (IN)
tON Turnon time for the switch. This parameter is measured under the specified range of conditions and by the propagation delay between the digital control (IN) signal and analog output (COM, NC, or NO) signal when the switch is turning ON.
tOFF Turnoff time for the switch. This parameter is measured under the specified range of conditions and by the propagation delay between the digital control (IN) signal and analog output (COM, NC, or NO) signal when the switch is turning OFF.
tBBM Break-before-make time. This parameter is measured under the specified range of conditions and by the propagation delay between the output of two adjacent analog channels (NC and NO) when the control signal changes state.
QC Charge injection is a measurement of unwanted signal coupling from the control (IN) input to the analog (NO or COM) output. This is measured in coulomb (C) and measured by the total charge induced due to switching of the control input. Charge injection, QC = CL × ΔVCOM. CL is the load capacitance and ΔVCOM is the change in analog output voltage.
CNC(OFF) Capacitance at the NC port when the corresponding channel (NC to COM) is OFF
CNO(OFF) Capacitance at the NO port when the corresponding channel (NO to COM) is OFF
CNC(ON) Capacitance at the NC port when the corresponding channel (NC to COM) is ON
CNO(ON) Capacitance at the NO port when the corresponding channel (NO to COM) is ON
CCOM(ON) Capacitance at the COM port when the corresponding channel (COM to NC or COM to NO) is ON
CI Capacitance of control input (IN)
OISO OFF isolation of the switch is a measurement of OFF-state switch impedance. This is measured in dB in a specific frequency, with the corresponding channel (NC to COM or NO to COM) in the OFF state.
XTALK Crosstalk is a measurement of unwanted signal coupling from an ON channel to an OFF channel (NC to NO or NO to NC). This is measured in a specific frequency and in dB.
BW Bandwidth of the switch. This is the frequency in which the gain of an ON channel is –3 dB below the DC gain.
THD Total harmonic distortion is defined as the ratio of the root mean square (RMS) value of the second, third, and higher harmonics to the magnitude of fundamental harmonic.
ICC Static power-supply current with the control (IN) pin at VCC or GND