SCDS208B JUNE   2007  – October 2016 TS3A24157

PRODUCTION DATA.  

  1. Features
  2. Applications
  3. Description
  4. Revision History
  5. Pin Configuration and Functions
  6. Specifications
    1. 6.1 Absolute Maximum Ratings
    2. 6.2 ESD Ratings
    3. 6.3 Recommended Operating Conditions
    4. 6.4 Thermal Information
    5. 6.5 Electrical Characteristics: 3-V Supply
    6. 6.6 Electrical Characteristics: 2.5-V Supply
    7. 6.7 Electrical Characteristics: 1.8-V Supply
    8. 6.8 Typical Characteristics
  7. Parameter Measurement Information
  8. Detailed Description
    1. 8.1 Overview
    2. 8.2 Functional Block Diagram
    3. 8.3 Feature Description
    4. 8.4 Device Functional Modes
  9. Application and Implementation
    1. 9.1 Application Information
    2. 9.2 Typical Application
      1. 9.2.1 Design Requirements
      2. 9.2.2 Detailed Design Procedure
      3. 9.2.3 Application Curves
  10. 10Power Supply Recommendations
  11. 11Layout
    1. 11.1 Layout Guidelines
    2. 11.2 Layout Example
  12. 12Device and Documentation Support
    1. 12.1 Device Support
      1. 12.1.1 Device Nomenclature
    2. 12.2 Documentation Support
      1. 12.2.1 Related Documentation
    3. 12.3 Receiving Notification of Documentation Updates
    4. 12.4 Community Resources
    5. 12.5 Trademarks
    6. 12.6 Electrostatic Discharge Caution
    7. 12.7 Glossary
  13. 13Mechanical, Packaging, and Orderable Information

封装选项

请参考 PDF 数据表获取器件具体的封装图。

机械数据 (封装 | 引脚)
  • RSE|10
  • DGS|10
散热焊盘机械数据 (封装 | 引脚)
订购信息

7 Parameter Measurement Information

TS3A24157 on_resis_cds208_v2.gif Figure 10. ON-State Resistance
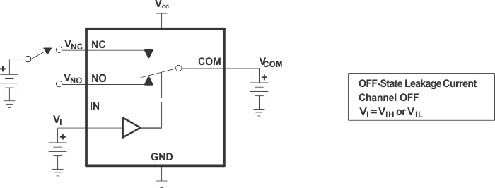
TS3A24157 off_leak_cds208_v2.gif
INC(OFF), INC(PWROFF), INO(OFF), INO(PWROFF), ICOM(OFF), ICOM(PWROFF)
Figure 11. OFF-State Leakage Current
TS3A24157 on-leak_cds208_v2.gif
ICOM(ON), INC(ON), INO(ON)
Figure 12. ON-State Leakage Current
TS3A24157 capacitance_cds208_v2.gif
CI, CCOM(ON), CNC(OFF), CNO(OFF), CNC(ON), CNO(ON)
Figure 13. Capacitance
TS3A24157 turn_on_off_cds208_v2.gif
1. All input pulses are supplied by generators having the following characteristics:
  • PRR ≤ 10 MHz
  • ZO = 50 Ω
  • tr < 5 ns
  • tf < 5 ns
2. CL includes probe and jig capacitance.
Figure 14. Turnon and Turnoff Time
TS3A24157 br_before_m_cds208_v2.gif
1. All input pulses are supplied by generators having the following characteristics:
  • PRR ≤ 10 MHz
  • ZO = 50 Ω
  • tr < 5 ns
  • tf < 5 ns
B. CL includes probe and jig capacitance.
Figure 15. Break-Before-Make Time
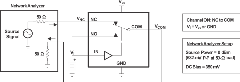
TS3A24157 bandwidth_cds208_v2.gif Figure 16. Bandwidth
TS3A24157 off_isol_cds208_v2.gif Figure 17. OFF Isolation
TS3A24157 crosstalk_cds208_v2.gif Figure 18. Crosstalk
TS3A24157 charge_inj_cds208_v2.gif
1. All input pulses are supplied by generators having the following characteristics:
  • PRR ≤ 10 MHz
  • ZO = 50 Ω
  • tr < 5 ns
  • tf < 5 ns
2. CL includes probe and jig capacitance.
Figure 19. Charge Injection
TS3A24157 har_dist_cds208_v2.gif
1. CL includes probe and jig capacitance.
Figure 20. Total Harmonic Distortion