ZHCSR59E April   2007  – December 2022 TRS3243E

PRODUCTION DATA  

  1. 特性
  2. 应用
  3. 说明
  4. Revision History
  5. Pin Configuration and Functions
  6. Specifications
    1. 6.1 Absolute Maximum Ratings
    2. 6.2 ESD Ratings
    3. 6.3 ESD Ratings - IEC Specifications
    4. 6.4 Recommended Operating Conditions
    5. 6.5 Thermal Information
    6. 6.6 Electrical Characteristics
    7. 6.7 Switching Characteristics
  7. Parameter Measurement Information
  8. Detailed Description
    1. 8.1 Overview
    2. 8.2 Functional Block Diagram
    3. 8.3 Device Functional Modes
  9. Application and Implementation
    1. 9.1 Typical Application
      1. 9.1.1 Detailed Design Procedure
        1. 9.1.1.1 ESD Protection
        2. 9.1.1.2 ESD Test Conditions
        3. 9.1.1.3 Human-Body Model (HBM)
        4. 9.1.1.4 IEC61000-4-2 (Formerly Known as IEC1000-4-2)
  10. 10Device and Documentation Support
    1. 10.1 接收文档更新通知
    2. 10.2 支持资源
    3. 10.3 商标
    4. 10.4 静电放电警告
    5. 10.5 术语表
  11. 11Mechanical, Packaging, and Orderable Information

封装选项

机械数据 (封装 | 引脚)
散热焊盘机械数据 (封装 | 引脚)
订购信息

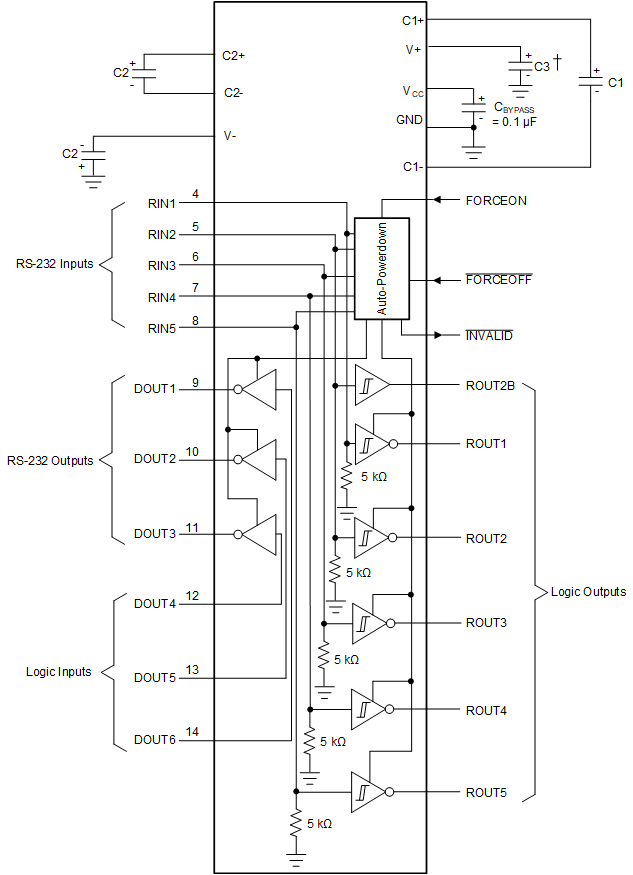
Typical Application

GUID-C09CC0B0-95EE-4BF3-8377-9B6DDE2C0C63-low.gif
C3 can be connected to VCC or GND.
Resistor values shown are nominal.
Nonpolarized ceramic capacitors are acceptable. If using polarized tantalum or electrolytic capacitors, connect them as shown.
Figure 9-1 Typical Operating Circuit and Capacitor Values
Table 9-1 VCC vs Capacitor Values
VCC C1 C2, C3, and C4
3.3 V ± 0.3 V 0.1 µF 0.1 µF
5 V ± 0.5 V 0.047 µF 0.33 µF
3 V to 5.5 V 0.1 µF 0.47 µF