ZHCSED9 November   2015 TPS92690-Q1

PRODUCTION DATA.  

  1. 特性
  2. 应用
  3. 说明
  4. 修订历史记录
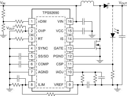
  5. Pin Configuration and Functions
  6. Specifications
    1. 6.1 Absolute Maximum Ratings
    2. 6.2 ESD Ratings
    3. 6.3 Recommended Operating Conditions
    4. 6.4 Thermal Information
    5. 6.5 Electrical Characteristics
    6. 6.6 Typical Characteristics
  7. Detailed Description
    1. 7.1 Overview
    2. 7.2 Functional Block Diagram
    3. 7.3 Feature Description
      1. 7.3.1  Current Regulators
      2. 7.3.2  Peak Current Mode Control
      3. 7.3.3  Switching Frequency and Synchronization
      4. 7.3.4  Current Sense and Current Limit
      5. 7.3.5  Average LED Current
      6. 7.3.6  Precision Reference (VREF)
      7. 7.3.7  Low-Level Analog Dimming
      8. 7.3.8  Soft-Start and Shutdown
      9. 7.3.9  VCC Regulator and Start-Up
      10. 7.3.10 Overvoltage Protection (OVP)
      11. 7.3.11 Input Undervoltage Lockout (UVLO)
      12. 7.3.12 PWM Dimming
      13. 7.3.13 Control Loop Compensation
      14. 7.3.14 Thermal Shutdown
    4. 7.4 Device Functional Modes
  8. Application and Implementation
    1. 8.1 Application Information
      1. 8.1.1 Inductor
      2. 8.1.2 LED Dynamic Resistance
      3. 8.1.3 Output Capacitor
      4. 8.1.4 Input Capacitor
      5. 8.1.5 MOSFET Selection
      6. 8.1.6 Recirculating Diode
    2. 8.2 Typical Applications
      1. 8.2.1 Basic Topology Schematics
        1. 8.2.1.1 Design Requirements
        2. 8.2.1.2 Detailed Design Procedure
          1. 8.2.1.2.1  Operating Point
          2. 8.2.1.2.2  Switching Frequency
          3. 8.2.1.2.3  Average LED Current
          4. 8.2.1.2.4  Inductor Ripple Current
          5. 8.2.1.2.5  Output Capacitance
          6. 8.2.1.2.6  Peak Current Limit
          7. 8.2.1.2.7  Loop Compensation
          8. 8.2.1.2.8  Input Capacitance
          9. 8.2.1.2.9  NFET
          10. 8.2.1.2.10 Diode
          11. 8.2.1.2.11 Input UVLO
          12. 8.2.1.2.12 Output OVLO
        3. 8.2.1.3 Application Curve
      2. 8.2.2 Simplified Application
        1. 8.2.2.1 Design Requirements
        2. 8.2.2.2 Detailed Design Procedure
          1. 8.2.2.2.1  Operating Point
          2. 8.2.2.2.2  Switching Frequency
          3. 8.2.2.2.3  Average LED Current
          4. 8.2.2.2.4  Inductor Ripple Current
            1. 8.2.2.2.4.1 Minimum Inductor Value
            2. 8.2.2.2.4.2 Inductor Ripple Current
            3. 8.2.2.2.4.3 RMS Inductor Current
          5. 8.2.2.2.5  LED Ripple Current
            1. 8.2.2.2.5.1 Output Capacitor
            2. 8.2.2.2.5.2 Output Capacitor RMS Current
          6. 8.2.2.2.6  Peak Current Limit
          7. 8.2.2.2.7  Loop Compensation
            1. 8.2.2.2.7.1 Compensation Capacitor
            2. 8.2.2.2.7.2 RHP Zero
            3. 8.2.2.2.7.3 Output Capacitor Pole
          8. 8.2.2.2.8  Input Capacitance
          9. 8.2.2.2.9  NFET
            1. 8.2.2.2.9.1 Maximum Average NFET Current
            2. 8.2.2.2.9.2 RMS Transistor Current
          10. 8.2.2.2.10 Diode
            1. 8.2.2.2.10.1 Maximum Average Diode Current
          11. 8.2.2.2.11 Output OVLO
          12. 8.2.2.2.12 Input UVLO
          13. 8.2.2.2.13 Soft-Start
          14. 8.2.2.2.14 PWM Dimming Method
          15. 8.2.2.2.15 Analog Dimming Method
  9. Power Supply Recommendations
    1. 9.1 Bench Supply Current Limit
  10. 10Layout
    1. 10.1 Layout Guidelines
    2. 10.2 Layout Example
  11. 11器件和文档支持
    1. 11.1 社区资源
    2. 11.2 商标
    3. 11.3 静电放电警告
    4. 11.4 Glossary
  12. 12机械、封装和可订购信息

封装选项

机械数据 (封装 | 引脚)
散热焊盘机械数据 (封装 | 引脚)
订购信息

1 特性

  • TPS9260-Q1 是一款符合 AEC-Q100 1 级标准的汽车级产品
  • 输入电压范围为 4.5V 至 75V
  • 可调节电流感测(50mV 至 500mV)
  • 低侧电流感测
  • 2Ω 金属氧化物半导体场效应晶体管 (MOSFET) 栅极驱动器
  • 输入欠压保护
  • 输出过压保护
  • 逐周期电流限制
  • 脉宽调制 (PWM) 调光输入
  • 可编程振荡器频率
  • 外部同步功能
  • 斜坡补偿
  • 可编程软启动 功能
  • 16 引脚散热薄型小外形尺寸 (HTSSOP) (PWP) 外露焊盘封装

2 应用

  • LED 驱动器
  • 恒定电流稳压器:升压,库克电路 (Cuk),反激和单端初级电感转换器 (SEPIC)

3 说明

TPS92690-Q1 器件是一款具有可调节输出电流感测电阻电压的高压、低侧 N 沟道场效应晶体管 (NFET) 控制器。 是 LED 驱动器的理想选择,它包含所有执行基于升压,SEPIC,反激和 CuK 拓扑结构的电流稳压器所需的所有特性。

输出电流调节基于由一个控制环路监控的峰值电流模式控制。 这个方法在提供固有输入电压前馈补偿的同时简化了环路补偿的设计。 TPS92690-Q1 器件包含一个高电压启动稳压器,该稳压器在 4.5V 至 75V 的宽输入范围内工作。PWM 控制器专为高速性能而设计,振荡器频率范围高达 2MHz。 TPS92690-Q1 器件具有误差放大器、精密基准、逐周期电流限制和热关断等功能。

TPS92690-Q1 器件符合 AEC-Q100 1 级标准。

器件信息(1)

部件号 封装 封装尺寸(标称值)
TPS92690-Q1 HTSSOP (16) 5.00mm x 4.40mm
  1. 要了解所有可用封装,请见数据表末尾的可订购产品附录。

简化应用

TPS92690-Q1 simp_app_slvsbk3.gif