ZHCSCS9 SEPTEMBER   2014 TPS92661-Q1

PRODUCTION DATA.  

  1. 特性
  2. 应用
  3. 说明
  4. 修订历史记录
  5. Pin Configuration and Functions
  6. Specifications
    1. 6.1 Absolute Maximum Ratings
    2. 6.2 Handling Ratings
    3. 6.3 Recommended Operating Conditions
    4. 6.4 Thermal Information
    5. 6.5 Electrical Characteristics
    6. 6.6 Typical Characteristics
  7. Detailed Description
    1. 7.1 Overview
    2. 7.2 Functional Block Diagram
    3. 7.3 Feature Description
      1. 7.3.1  Controlling the Internal LED Bypass Switches
      2. 7.3.2  Internal Switch Resistance
      3. 7.3.3  PWM Dimming
      4. 7.3.4  PWM Clock
      5. 7.3.5  PWM Synchronization
      6. 7.3.6  Switch Slew Control
      7. 7.3.7  Effect of Phase Shifting LED Duty Cycles
      8. 7.3.8  LED Fault Detection and Protection
        1. 7.3.8.1 Fault Reporting and Timing
          1. 7.3.8.1.1 LED Open Fault Detect Timing Example
      9. 7.3.9  Glitch-Free Operation
        1. 7.3.9.1 Atomic Multi-Byte Writes
        2. 7.3.9.2 Synchronous Updates
          1. 7.3.9.2.1 LEDxON = LEDxOFF Boundary Condition
      10. 7.3.10 Internal Oscillator and Watchdog Timers
        1. 7.3.10.1 Clock Watchdog Timer
        2. 7.3.10.2 Communications Watchdog Timer
    4. 7.4 Device Functional Modes
      1. 7.4.1  Digital Interface Connections
        1. 7.4.1.1  Address (ADR0, ADR1, and ADR2 Pins)
        2. 7.4.1.2  Clock (CLK Pin)
        3. 7.4.1.3  Internal Charge Pump (CPP Pin)
        4. 7.4.1.4  Enable (EN Pin)
        5. 7.4.1.5  GND Pin
        6. 7.4.1.6  Receive (RX Pin)
        7. 7.4.1.7  Synchronization (SYNC Pin)
        8. 7.4.1.8  Transmit (TX Pin)
        9. 7.4.1.9  Primary Power Supply (VIN Pin)
        10. 7.4.1.10 On-Board 3.3-V Supply (VCC Pin)
      2. 7.4.2  Internal Pin-to-Pin Resistance
      3. 7.4.3  UART Physical Layer
      4. 7.4.4  UART Clock and Baudrate
      5. 7.4.5  UART Communications Reset
      6. 7.4.6  UART Device Addressing
      7. 7.4.7  UART Communications Protocol
        1. 7.4.7.1 Example 1:
        2. 7.4.7.2 Example 2:
        3. 7.4.7.3 Example 3:
      8. 7.4.8  Transaction Frame Description
      9. 7.4.9  Frame Initialization Byte
      10. 7.4.10 Register Address
      11. 7.4.11 Data Bytes
      12. 7.4.12 CRC Bytes
      13. 7.4.13 Registers
        1. 7.4.13.1 LED ON Registers
        2. 7.4.13.2 LED OFF Registers
        3. 7.4.13.3 Alternate LED On/Off Registers
        4. 7.4.13.4 Enable Registers
        5. 7.4.13.5 Control Registers
          1. 7.4.13.5.1 PWM Clock Divider Register (PCKDIV)
          2. 7.4.13.5.2 System Configuration Register (SYSCFG)
        6. 7.4.13.6 Default LED State Register (DEFLED)
        7. 7.4.13.7 PWM Period Counter Register (TCNT)
        8. 7.4.13.8 Diagnostic Registers
    5. 7.5 Programming
      1. 7.5.1 Read / Write Register Flow Chart
        1. 7.5.1.1 Register Write Flow Chart
        2. 7.5.1.2 Register Read Flow Chart
      2. 7.5.2 Complete Transaction Example
      3. 7.5.3 CRC Calculation Programming Examples
      4. 7.5.4 Code Examples to Implement Register Reads/Writes
    6. 7.6 Register Map
  8. Application and Implementation
    1. 8.1 Applications Information
      1. 8.1.1 Guidelines For Current Source
    2. 8.2 Design Examples
      1. 8.2.1 12 LED, 1.2-A Application
      2. 8.2.2 6 LED, 1.5-A Application
  9. Power Supply Recommendations
    1. 9.1 General Recommendations
    2. 9.2 Internal Regulator
    3. 9.3 Power Up and Reset
    4. 9.4 VIN Power Consumption
    5. 9.5 Initialization Set-Up
  10. 10Layout
    1. 10.1 Layout Guidelines
    2. 10.2 Layout Example
  11. 11器件和文档支持
    1. 11.1 商标
    2. 11.2 静电放电警告
    3. 11.3 Export Control Notice
    4. 11.4 术语表
  12. 12机械封装和可订购信息

封装选项

机械数据 (封装 | 引脚)
散热焊盘机械数据 (封装 | 引脚)
订购信息

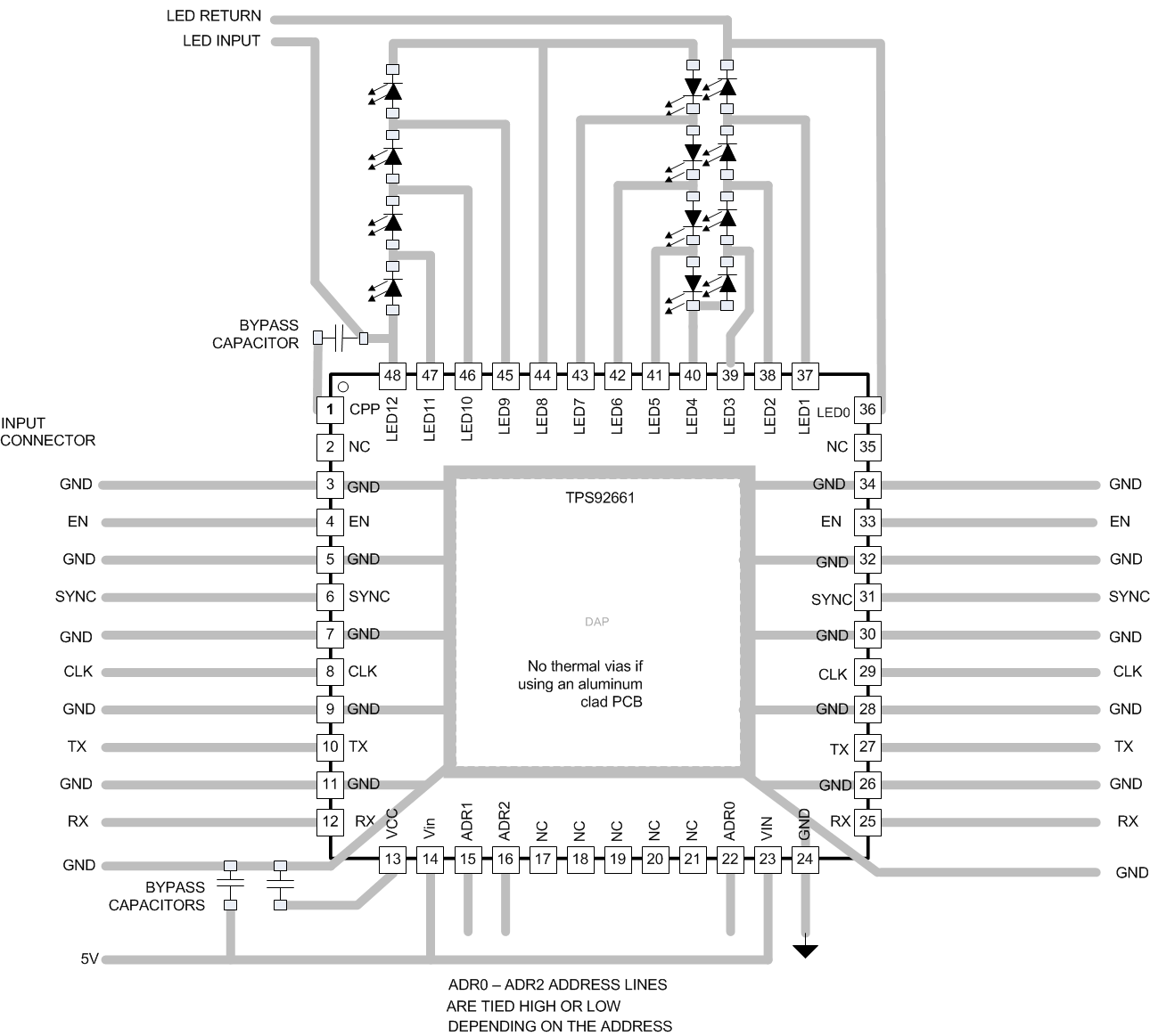
10 Layout

10.1 Layout Guidelines

The final configuration of the LED matrix varies between applications and balances heat dissipation with light output performance. Layout considerations for passive components are simple; place the VCC and VIN decoupling capacitors close to the device and short the traces to the CPP pin capacitor. The bigger challenge is to develop a careful layout plan that efficiently routes the current source for the LED strings.

The communication connections have been designed for ease of routing on a single-sided, metal core board. Each connection has a parallel connection on the opposite side of the device, allowing multiple devices to use a daisy chain configuration, easing routing requirements.

10.2 Layout Example

Figure 39 shows a TPS92661 layout example.

SampLayOut_slusbu2.gifFigure 39. TPS92661 Board Layout