ZHCSE32 August   2015 TPS7A4001-EP

PRODUCTION DATA.  

  1. 特性
  2. 应用
  3. 说明
  4. 修订历史记录
  5. Pin Configuration and Functions
  6. Specifications
    1. 6.1 Absolute Maximum Ratings
    2. 6.2 ESD Ratings
    3. 6.3 Recommended Operating Conditions
    4. 6.4 Thermal Information
    5. 6.5 Electrical Characteristics
    6. 6.6 Typical Characteristics
  7. Detailed Description
    1. 7.1 Overview
    2. 7.2 Functional Block Diagram
    3. 7.3 Feature Description
      1. 7.3.1 Internal Current Limit
      2. 7.3.2 Enable Pin Operation
      3. 7.3.3 Thermal Protection
      4. 7.3.4 Undervoltage Lockout (UVLO)
    4. 7.4 Device Functional Modes
      1. 7.4.1 Normal Operation
      2. 7.4.2 Dropout Operation
      3. 7.4.3 Disabled
  8. Application and Implementation
    1. 8.1 Application Information
      1. 8.1.1 Adjustable Operation
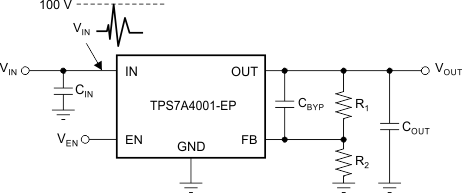
    2. 8.2 Typical Application
      1. 8.2.1 Design Requirements
      2. 8.2.2 Detailed Design Procedure
        1. 8.2.2.1 Capacitor Recommendations
        2. 8.2.2.2 Input and Output Capacitor Requirements
        3. 8.2.2.3 Bypass Capacitor Requirements
        4. 8.2.2.4 Transient Response
      3. 8.2.3 Application Curves
  9. Power Supply Recommendations
  10. 10Layout
    1. 10.1 Layout Guidelines
      1. 10.1.1 Board Layout Recommendations to Improve PSRR and Noise Performance
    2. 10.2 Layout Example
    3. 10.3 Thermal Considerations
    4. 10.4 Power Dissipation
  11. 11器件和文档支持
    1. 11.1 社区资源
    2. 11.2 商标
    3. 11.3 静电放电警告
    4. 11.4 Glossary
  12. 12机械、封装和可订购信息

封装选项

机械数据 (封装 | 引脚)
散热焊盘机械数据 (封装 | 引脚)
订购信息

1 特性

  • 超高最大输入电压:100V
  • 宽输入电压范围:7V 至 100V
  • 准确度:
    • 标称:1%
    • 整个线路、负载和温度范围内:2.7%
  • 低静态电流:25µA
  • 关断时的静态电流:4.1µA
  • 最大输出电流:50mA
  • CMOS 逻辑电平兼容的使能引脚
  • 可调节输出电压范围约为 1.175V 至
    90V
  • 与陶瓷电容搭配使用时可保持稳定:
    • 输入电容:≥ 1µF
    • 输出电容:≥ 4.7µF
  • 压降电压:290mV
  • 内置限流和热关断保护
  • 封装:高散热性能 HVSSOP 封装 PowerPAD™
  • 支持国防、航天和医疗应用
    • 受控基线
    • 同一组装和测试场所
    • 同一制造场所
    • 支持军用(-55°C 至 125°C)温度范围
    • 延长的产品生命周期
    • 延长的产品变更通知
    • 产品可追溯性
  • 典型应用电路原理图

    TPS7A4001-EP frontpg_typ_app_bvs226.gif

2 应用

  • 由工业用总线(具有高电压瞬态)供电的微处理器、微控制器
  • 工业自动化
  • 电信基础设施
  • 车用
  • 以太网供电 (PoE)
  • 发光二级管 (LED) 照明
  • 偏置电源

3 说明

TPS7A4001-EP 器件是一款能够耐受超高电压的线性稳压器,不仅融合了耐热增强型封装 (HVSSOP) 的优势,还能够承受持续直流电压或最高达 100V 的瞬态输入电压。

TPS7A4001-EP 器件与任何高于 4.7µF 的输出电容以及高于 1µF 的输入电容搭配使用时均可保持稳定(过热和浪涌保护)。 鉴于这款器件的封装 (HVSSOP) 小巧且可能使用的输出电容也较小,因此实现起来只需占用非常小的电路板空间。 此外,TPS7A4001-EP 器件还提供了一个与标准 CMOS 逻辑兼容的使能引脚 (EN),用以使能低电流关断模式。

TPS7A4001-EP 器件内部具有热关断和电流限制功能,可在故障情况下保护系统。 TPS7A4001-EP 器件的工作温度范围为 TJ = –55°C 至 125°C。

此外,TPS7A4001-EP 器件非常适合在电信和工业应用中利用中间电压轨生成低压电源;该器件不但能够提供一个经充分稳压的电压轨,而且能够承受超高的快速电压瞬变并在其间保持稳压状态。 这些特性相当于一套更为简单且经济高效的电气浪涌保护电路,因此被包括 PoE、偏置电源和 LED 照明在内的多类应用广泛使用。

器件信息(1)

器件型号 封装 封装尺寸(标称值)
TPS7A4001-EP HVSSOP (8) 3.00mm x 5.00mm
  1. 要了解所有可用封装,请见数据表末尾的可订购产品附录。

4 修订历史记录

日期 修订版本 注释
2015 年 8 月 * 首次发布。