ZHCSU65D February   2010  – June 2025 TPS73801

PRODUCTION DATA  

  1.   1
  2. 特性
  3. 应用
  4. 说明
  5. Pin Configuration and Functions
  6. Specifications
    1. 5.1 Absolute Maximum Ratings
    2. 5.2 ESD Ratings
    3. 5.3 Recommended Operating Conditions
    4. 5.4 Thermal Information
    5. 5.5 Electrical Characteristics
    6. 5.6 Typical Characteristics
  7. Detailed Description
    1. 6.1 Overview
    2. 6.2 Functional Block Diagram
    3. 6.3 Feature Description
      1. 6.3.1 Adjustable Operation
      2. 6.3.2 Fixed Operation
      3. 6.3.3 Overload Recovery
      4. 6.3.4 Output Voltage Noise
      5. 6.3.5 Protection Features
    4. 6.4 Device Functional Modes
  8. Application and Implementation
    1. 7.1 Application Information
      1. 7.1.1 Output Capacitance and Transient Response
    2. 7.2 Typical Application
      1. 7.2.1 Design Requirements
      2. 7.2.2 Detailed Design Procedure
      3. 7.2.3 Application Curve
    3. 7.3 Power Supply Recommendations
    4. 7.4 Layout
      1. 7.4.1 Layout Guidelines
        1. 7.4.1.1 Thermal Considerations
          1. 7.4.1.1.1 Calculating Junction Temperature
      2. 7.4.2 Layout Example
  9. Device and Documentation Support
    1. 8.1 接收文档更新通知
    2. 8.2 支持资源
    3. 8.3 Trademarks
    4. 8.4 静电放电警告
    5. 8.5 术语表
  10. Revision History
  11. 10Mechanical, Packaging, and Orderable Information

封装选项

机械数据 (封装 | 引脚)
散热焊盘机械数据 (封装 | 引脚)
订购信息

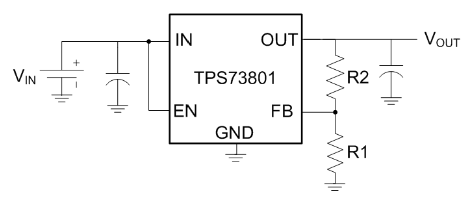
Adjustable Operation

The TPS73801 has an adjustable output voltage range of 1.21 V to 20 V. The output voltage is set by the ratio of two external resistors as shown in Figure 6-1. The device maintains the voltage at the FB pin at 1.21 V referenced to ground. The current in R1 is then equal to (1.21 V / R1), and the current in R2 is the current in R1 plus the FB pin bias current. The FB pin bias current, 3 μA at 25 °C, flows through R2 into the FB pin. The output voltage can be calculated using the formula shown in Equation 1. The value of R1 must be less than 4.17 kΩ to minimize errors in the output voltage caused by the FB pin bias current. In shutdown the output is turned off, and the divider current is zero.

TPS73801 Adjustable OperationFigure 6-1 Adjustable Operation

The output voltage can be set using the following equations:

Equation 1. TPS73801
Equation 2. VFB = 1.21 V
Equation 3. IFB = 3 μA at 25 °C
Equation 4. Output Range = 1.21 to 20 V