ZHCSKD2A November   2019  – February 2021 TPS6521825

PRODUCTION DATA  

  1. 特性
  2. 应用
  3. 说明
    1. 3.1 Simplified Schematic
  4. Revision History
  5. Description (continued)
  6. Pin Configuration and Functions
  7. Specifications
    1. 7.1 Absolute Maximum Ratings
    2. 7.2 ESD Ratings
    3. 7.3 Recommended Operating Conditions
    4. 7.4 Thermal Information
    5. 7.5 Electrical Characteristics
    6. 7.6 Timing Requirements
    7. 7.7 Typical Characteristics
  8. Detailed Description
    1. 8.1 Overview
    2. 8.2 Functional Block Diagram
    3. 8.3 Feature Description
      1. 8.3.1 Wake-Up and Power-Up and Power-Down Sequencing
        1. 8.3.1.1  Power-Up Sequencing
        2. 8.3.1.2  Power-Down Sequencing
        3. 8.3.1.3  Strobe 1 and Strobe 2
        4. 8.3.1.4  Supply Voltage Supervisor and Power-Good (PGOOD)
        5. 8.3.1.5  Backup Supply Power-Good (PGOOD_BU)
        6. 8.3.1.6  Internal LDO (INT_LDO)
        7. 8.3.1.7  Current Limited Load Switches
          1. 8.3.1.7.1 Load Switch 1 (LS1)
          2. 8.3.1.7.2 Load Switch 2 (LS2)
          3. 8.3.1.7.3 Load Switch 3 (LS3)
        8. 8.3.1.8  LDO1
        9. 8.3.1.9  Coin Cell Battery Voltage Acquisition
        10. 8.3.1.10 UVLO
        11. 8.3.1.11 Power-Fail Comparator
        12. 8.3.1.12 Battery-Backup Supply Power-Path
        13. 8.3.1.13 DCDC3 and DCDC4 Power-Up Default Selection
        14. 8.3.1.14 I/O Configuration
          1. 8.3.1.14.1 Configuring GPO2 as Open-Drain Output
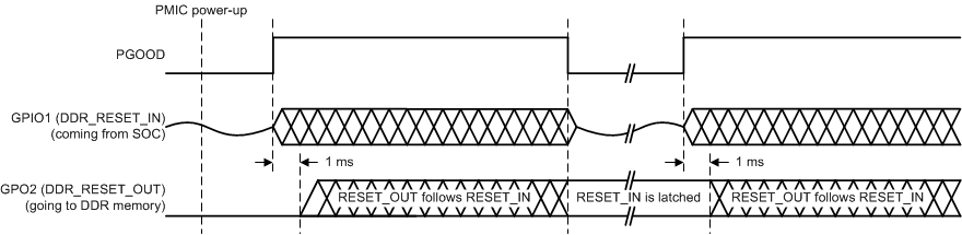
          2. 8.3.1.14.2 Using GPIO3 as Reset Signal to DCDC1 and DCDC2
        15. 8.3.1.15 Push Button Input (PB)
          1. 8.3.1.15.1 Signaling PB-Low Event on the nWAKEUP Pin
          2. 8.3.1.15.2 Push Button Reset
        16. 8.3.1.16 AC_DET Input (AC_DET)
        17. 8.3.1.17 Interrupt Pin (INT)
        18. 8.3.1.18 I2C Bus Operation
    4. 8.4 Device Functional Modes
      1. 8.4.1 Modes of Operation
      2. 8.4.2 OFF
      3. 8.4.3 ACTIVE
      4. 8.4.4 SUSPEND
      5. 8.4.5 RESET
    5. 8.5 Programming
      1. 8.5.1 Programming Power-Up Default Values
    6. 8.6 Register Maps
  9. Application and Implementation
    1. 9.1 Application Information
      1. 9.1.1 Applications Without Backup Battery
      2. 9.1.2 Applications Without Battery Backup Supplies
    2. 9.2 Typical Application
      1. 9.2.1 Design Requirements
      2. 9.2.2 Detailed Design Procedure
        1. 9.2.2.1 Output Filter Design
        2. 9.2.2.2 Inductor Selection for Buck Converters
        3. 9.2.2.3 Output Capacitor Selection
      3. 9.2.3 Application Curves
  10. 10Power Supply Recommendations
  11. 11Layout
    1. 11.1 Layout Guidelines
    2. 11.2 Layout Example
  12. 12Device and Documentation Support
    1. 12.1 Documentation Support
      1. 12.1.1 Related Documentation
    2. 12.2 Receiving Notification of Documentation Updates
    3. 12.3 支持资源
    4. 12.4 Trademarks
    5. 12.5 静电放电警告
    6. 12.6 术语表
  13. 13Mechanical, Packaging, and Orderable Information

封装选项

机械数据 (封装 | 引脚)
散热焊盘机械数据 (封装 | 引脚)
订购信息
Using GPIO3 as Reset Signal to DCDC1 and DCDC2

The GPIO3 is an edge-sensitive reset input to the PMIC, when the DC12_RST bit set to 1. The reset signal affects DCDC1 and DCDC2 only, so that only those two registers are reset to the power-up default whenever GPIO3 input transitions from high to low, while all other registers maintain their current values. DCDC1 and DCDC2 transition back to the default value following the SLEW settings, and are not power cycled. This function recovers the processor from reset events while in low-power mode.

GUID-1E01CF7E-96DC-4FBA-A17D-C3FC4F98320C-low.gifFigure 8-23 I/O Pin Logic
GUID-00A8F927-EDBC-490D-B48E-174001C7649B-low.gifFigure 8-24 DDR3 Reset Timing Diagram
Note:

GPIO must be configured as input (IO1_SEL = 1b). GPO2 is automatically configured as output.