ZHCS504E November   2011  – May 2017 TPS62160 , TPS62161 , TPS62162 , TPS62163

PRODUCTION DATA.  

  1. 特性
  2. 应用
  3. 说明
  4. 修订历史记录
  5. Device Voltage Options
  6. Pin Configuration and Functions
  7. Specifications
    1. 7.1 Absolute Maximum Ratings
    2. 7.2 ESD Ratings
    3. 7.3 Recommended Operating Conditions
    4. 7.4 Thermal Information
    5. 7.5 Electrical Characteristics
    6. 7.6 Typical Characteristics
  8. Detailed Description
    1. 8.1 Overview
    2. 8.2 Functional Block Diagrams
    3. 8.3 Feature Description
      1. 8.3.1 Enable and Shutdown (EN)
      2. 8.3.2 Current Limit and Short Circuit Protection
      3. 8.3.3 Power Good (PG)
      4. 8.3.4 Undervoltage Lockout (UVLO)
      5. 8.3.5 Thermal Shutdown
    4. 8.4 Device Functional Modes
      1. 8.4.1 Soft Start
      2. 8.4.2 Pulse Width Modulation (PWM) Operation
      3. 8.4.3 Power Save Mode Operation
      4. 8.4.4 100% Duty-Cycle Operation
  9. Application and Implementation
    1. 9.1 Application Information
    2. 9.2 Typical Application
      1. 9.2.1 Design Requirements
      2. 9.2.2 Detailed Design Procedure
        1. 9.2.2.1 Custom Design with WEBENCH® Tools
        2. 9.2.2.2 Programming the Output Voltage
        3. 9.2.2.3 External Component Selection
        4. 9.2.2.4 Inductor Selection
        5. 9.2.2.5 Capacitor Selection
          1. 9.2.2.5.1 Output Capacitor
          2. 9.2.2.5.2 Input Capacitor
        6. 9.2.2.6 Output Filter and Loop Stability
        7. 9.2.2.7 TPS6216x Components List
      3. 9.2.3 Application Curves
    3. 9.3 System Examples
      1. 9.3.1 1-A Power Supply
      2. 9.3.2 Inverting Power Supply
  10. 10Power Supply Recommendations
  11. 11Layout
    1. 11.1 Layout Guidelines
    2. 11.2 Layout Example
    3. 11.3 Thermal Considerations
  12. 12器件和文档支持
    1. 12.1 器件支持
      1. 12.1.1 Third-Party Products Disclaimer
      2. 12.1.2 开发支持
        1. 12.1.2.1 使用 WEBENCH® 工具定制设计方案
    2. 12.2 文档支持
      1. 12.2.1 相关文档
    3. 12.3 相关链接
    4. 12.4 社区资源
    5. 12.5 商标
    6. 12.6 静电放电警告
    7. 12.7 Glossary
  13. 13机械、封装和可订购信息

封装选项

机械数据 (封装 | 引脚)
散热焊盘机械数据 (封装 | 引脚)
订购信息

特性

  • DCS-Control™拓扑技术
  • 输入电压范围为 3V 至 17V
  • 输出电流高达 1A
  • 可调节输出电压范围为 0.9V 至 6V
  • 固定输出电压版本
  • 无缝省电模式转换
  • 静态电流典型值为 17µA
  • 电源正常输出
  • 100% 占空比模式
  • 短路保护
  • 过热保护
  • TPS62170TPS62125 引脚兼容
  • 采用 3.00mm x 3.00mm 8 引脚超薄小外形尺寸 (VSSOP) 和 2.00mm × 2.0 mm 8 引脚晶圆级小外形无引线 (WSON) 封装
  • 结合使用 TPS62160 和 WEBENCH® 电源设计器创建定制设计方案

应用

  • 标准 12V 导轨式电源
  • 单个或者多个锂离子电池供电的负载点 (POL) 电源
  • 低压降稳压器 (LDO) 替代产品
  • 嵌入式系统
  • 数码相机、数码摄像机
  • 移动电脑、平板电脑、调制解调器

说明

TPS6216x 系列是一款简单易用的同步降压 DC-DC 转换器,针对 高功率密度的应用 进行了优化。该系列器件的开关频率典型值高达 2.25MHz,允许使用小型电感器,通过利用 DCS-Control™ 拓扑技术提供快速瞬态响应并实现高精度的输出电压。

该器件的宽运行电压范围为 3V 至 17V,非常适用于由锂离子或其他电池以及 12V 中间电源轨供电的系统。该器件的输出电压为 0.9V 至 6V,支持高达 1A 的持续输出电流(使用 100% 占空比模式)。

此外,还可以通过配置使能引脚和开漏电源正常状态引脚实现电源排序。

在节能模式下,器件可根据输入电压 (VIN) 生成约 17μA 的静态电流。负载较小时可自动且无缝进入节能模式,同时该模式可保持整个负载范围内的高效率。该器件在关断模式下处于关断状态,期间的流耗低于 2μA。

此器件具有可调节输出电压和固定输出电压版本,采用 2.00mm x 2.00mm 8 引脚 WSON 封装 (DSG) 或 3.00mm x 3.00mm 8 引脚 VSSOP 封装 (DGK)。

器件信息(1)

器件型号 封装 封装尺寸(标称值)
TPS6216x WSON (8) 2.00mm x 2.00mm
TPS62160 VSSOP (8) 3.00mm x 3.00mm
  1. 如需了解所有可用封装,请参阅数据表末尾的可订购产品附录。

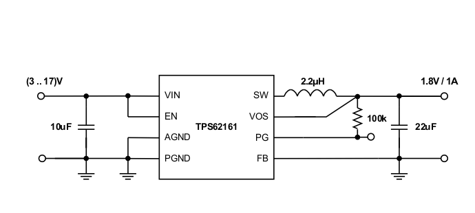
典型应用电路原理图

TPS62160 TPS62161 TPS62162 TPS62163 SLVSAM2_simple.gif

效率与输出电流间的关系

TPS62160 TPS62161 TPS62162 TPS62163 SLVSAM2_eff3.3V_lin.gif