SLVSA05B August 2009 – August 2015 TPS61086
PRODUCTION DATA.
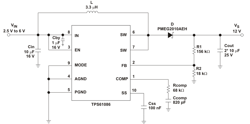
The TPS61086 device is a high-frequency, high-efficiency DC-to-DC converter with an integrated 2.0-A, 0.13-Ω power switch capable of providing an output voltage up to 18.5 V. The implemented boost converter is based on a fixed frequency of 1.2-MHz, pulse-width-modulation (PWM) controller that allows the use of small external inductors and capacitors and provides fast transient response.
At light-load, the device can operate in Power Save Mode with pulse-frequency-modulation (PFM) to improve the efficiency while keeping a low-output voltage ripple. For very noise-sensitive applications, the device can be forced to PWM Mode operation over the entire load range by pulling the MODE pin high. The external compensation allows optimizing the application for specific conditions. A capacitor connected to the soft-start pin minimizes inrush current at start-up.
| PART NUMBER | PACKAGE | BODY SIZE (NOM) |
|---|---|---|
| TPS61086 | VSON (10) | 3.00 mm × 3.00 mm |
