ZHCSEL8A November   2015  – December 2015 TPS549A20

PRODUCTION DATA.  

  1. 特性
  2. 应用
  3. 说明
  4. 修订历史记录
  5. Pin Configuration and Functions
  6. Specifications
    1. 6.1 Absolute Maximum Ratings
    2. 6.2 ESD Ratings
    3. 6.3 Recommended Operating Conditions
    4. 6.4 Electrical Characteristics
    5. 6.5 Thermal Information
    6. 6.6 Typical Characteristics
    7. 6.7 Thermal Performance
  7. Detailed Description
    1. 7.1 Overview
    2. 7.2 Functional Block Diagrams
    3. 7.3 Feature Description
      1. 7.3.1  Powergood
      2. 7.3.2  D-CAP3 Control and Mode Selection
      3. 7.3.3  D-CAP3 Mode
      4. 7.3.4  Sample and Hold Circuitry
      5. 7.3.5  Adaptive Zero-Crossing
      6. 7.3.6  Forced Continuous-Conduction Mode
      7. 7.3.7  Current Sense and Overcurrent Protection
      8. 7.3.8  Overvoltage and Undervoltage Protection
      9. 7.3.9  Out-of-Bounds Operation (OOB)
      10. 7.3.10 UVLO Protection
      11. 7.3.11 Thermal Shutdown
    4. 7.4 Device Functional Modes
      1. 7.4.1 Auto-Skip Eco-Mode Light-Load Operation
      2. 7.4.2 Forced Continuous-Conduction Mode
    5. 7.5 Programming
      1. 7.5.1  The PMBus General Descriptions
      2. 7.5.2  PMBus Slave Address Selection
      3. 7.5.3  PMBus Address Selection
      4. 7.5.4  Supported Formats
        1. 7.5.4.1 Direct Format: Write
        2. 7.5.4.2 Combined Format: Read
        3. 7.5.4.3 Stop-Separated Reads
      5. 7.5.5  Supported PMBus Commands
        1. 7.5.5.1 Unsupported PMBus Commands
        2. 7.5.5.2 OPERATION [01h] (R/W Byte)
        3. 7.5.5.3 ON_OFF_CONFIG [02h] (R/W Byte)
        4. 7.5.5.4 WRITE_PROTECT [10h] (R/W Byte)
      6. 7.5.6  CLEAR_FAULTS [03h] (Send Byte)
      7. 7.5.7  STORE_DEFAULT_ALL [11h] (Send Byte)
      8. 7.5.8  RESTORE_DEFAULT_ALL [12h] (Send Byte)
      9. 7.5.9  STATUS_WORD [79h] (Read Word)
      10. 7.5.10 CUSTOM_REG (MFR_SPECIFIC_00) [D0h] (R/W Byte)
      11. 7.5.11 DELAY_CONTROL (MFR_SPECIFIC_01) [D1h] (R/W Byte)
      12. 7.5.12 MODE_SOFT_START_CONFIG (MFR_SPECIFIC_02) [D2h] (R/W Byte)
      13. 7.5.13 FREQUENCY_CONFIG (MFR_SPECIFIC_03) [D3h] (R/W Byte)
      14. 7.5.14 VOUT_ADJUSTMENT (MFR_SPECIFIC_04) [D4h] (R/W Byte)
      15. 7.5.15 Output Voltage Fine Adjustment Soft Slew Rate
      16. 7.5.16 VOUT_MARGIN (MFR_SPECIFIC_05) [D5h] (R/W Byte)
      17. 7.5.17 Output Voltage Margin Adjustment Soft-Slew Rate
      18. 7.5.18 UVLO_THRESHOLD (MFR_SPECIFIC_06) [D6h]
  8. Application and Implementation
    1. 8.1 Application Information
    2. 8.2 Typical Application
      1. 8.2.1 Design Requirements
      2. 8.2.2 Detailed Design Procedure
        1. 8.2.2.1 Choose the Switching Frequency
        2. 8.2.2.2 Choose the Operation Mode
        3. 8.2.2.3 Choose the Inductor
        4. 8.2.2.4 Choose the Output Capacitor
        5. 8.2.2.5 Determine the Value of R1 and R2
      3. 8.2.3 Application Curves
  9. Power Supply Recommendations
  10. 10Layout
    1. 10.1 Layout Guidelines
    2. 10.2 Layout Example
  11. 11器件和文档支持
    1. 11.1 文档支持
    2. 11.2 商标
    3. 11.3 静电放电警告
    4. 11.4 Glossary
  12. 12机械、封装和可订购信息

封装选项

机械数据 (封装 | 引脚)
散热焊盘机械数据 (封装 | 引脚)
订购信息

1 特性

  • 集成的 SWIFT™9.9mΩ 和 4.3mΩ 金属氧化物半导体场效应晶体管 (MOSFET) 支持 15A 持续 IOUT
  • 宽转换输入电压范围:1.5V 至 20V(采用缓冲器)
  • 输出电压范围:0.6V 至 5.5V
  • 支持的 PMBus™调节
    • 来调节:电压裕量和调节
    • 软启动时间
    • 加电延迟
    • VDD 欠压闭锁 (UVLO) 电平
    • 故障报告
    • 开关频率
  • 支持所有陶瓷输出电容
  • 基准电压:600mV,±0.5% 容限(在 –40°C 至 85°C 的环境温度范围内)
  • D-CAP3™控制模式,此模式具有快速负载阶跃响应
  • HICCUP 过流保护
  • 自动跳跃 Eco-mode™,可实现轻负载条件下的高效率
  • 针对严格输出纹波和电压容差要求的强制连续传导模式 (FCCM)
  • 预充电启动功能
  • 8 个可通过 PMBus 接口在
    200kHz 至 1MHz 之间选择的频率设置
  • 4.5mm x 3.5mm 28 引脚超薄四方扁平无引线 (VQFN)-CLIP 封装
  • WEBENCH™ 设计中心提供支持SWIFT™

2 应用

  • 服务器、云计算、存储
  • 网络互联和电信、负载点 (POL)
  • IPC、工厂自动化、PLC、测试测量
  • 高性能数字信号处理器 (DSP)、现场可编程门阵列 (FPGA)

3 说明

TPS549A20 是一款具有自适应导通时间 D-CAP3 控制模式的小尺寸同步降压转换器。此器件使得空间受限类电源系统易于使用,并且外部组件数量较少。

此器件 特有 高性能集成 MOSFET、精准 0.6V 基准和一个集成的升压开关。具有竞争力的 特性 包括:极低外部组件数量、快速负载瞬态响应、自动跳跃模式操作、内部软启动控制,并且无需补偿。此外,该器件可 通过 PMBus™ 提供故障报告,从而简化电源设计。

强制持续传导模式有助于满足高性能 DSP 和 FPGA 应用的严格电压调节精度要求。TPS549A20 采用 28 引脚 VQFN-CLIP 封装,并且在 -40°C 至 125°C 的环境温度范围内额定运行。

器件信息(1)

器件型号 封装 封装尺寸(标称值)
TPS549A20 VQFN-CLIP (28) 4.50mm x 3.50mm
  1. 如需了解所有可用封装,请见数据表末尾的可订购产品附录。

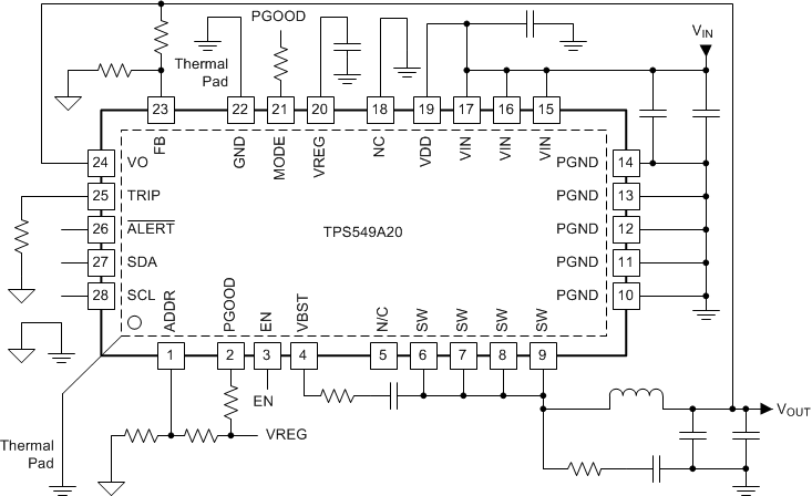
简化应用

TPS549A20 simp_app_slusc79.gif