ZHCSMI5A December   2019  – November 2020 TPS546D24A

PRODUCTION DATA  

  1. 特性
  2. 应用
  3. 说明
  4. 修订历史记录
  5. 引脚配置和功能
  6. 规格
    1. 6.1 绝对最大额定值
    2. 6.2 ESD 等级
    3. 6.3 建议运行条件
    4. 6.4 热性能信息
    5. 6.5 电气特性
    6. 6.6 典型特性
  7. 详细说明
    1. 7.1 概述
    2. 7.2 功能方框图
    3. 7.3 特性说明
      1. 7.3.1  平均电流模式控制
        1. 7.3.1.1 接通时间调制器
        2. 7.3.1.2 电流误差积分器
        3. 7.3.1.3 电压误差积分器
      2. 7.3.2  线性稳压器
      3. 7.3.3  AVIN 和 PVIN 引脚
      4. 7.3.4  输入欠压锁定 (UVLO)
        1. 7.3.4.1 固定 AVIN UVLO
        2. 7.3.4.2 固定 VDD5 UVLO
        3. 7.3.4.3 可编程 PVIN UVLO
        4. 7.3.4.4 EN/UVLO 引脚
      5. 7.3.5  启动和关断
      6. 7.3.6  差分检测放大器和反馈分压器
      7. 7.3.7  设置输出电压和自适应电压调节 (AVS)
        1. 7.3.7.1 复位输出电压
        2. 7.3.7.2 软启动
      8. 7.3.8  预偏置输出启动
      9. 7.3.9  软停止和 (65h) TOFF_FALL 命令
      10. 7.3.10 电源正常 (PGOOD)
      11. 7.3.11 设置开关频率
      12. 7.3.12 频率同步
      13. 7.3.13 环路从器件检测
      14. 7.3.14 电流检测和共享
      15. 7.3.15 遥测
      16. 7.3.16 过流保护
      17. 7.3.17 过压/欠压保护
      18. 7.3.18 过热管理
      19. 7.3.19 故障管理
      20. 7.3.20 反向通道通信
      21. 7.3.21 开关节点 (SW)
      22. 7.3.22 PMBus 一般说明
      23. 7.3.23 PMBus 地址
      24. 7.3.24 PMBus 连接
    4. 7.4 器件功能模式
      1. 7.4.1 编程模式
      2. 7.4.2 独立/主/从模式引脚连接
      3. 7.4.3 连续传导模式
      4. 7.4.4 通过 CNTL 信号 (EN/UVLO) 运行
      5. 7.4.5 使用 OPERATION 控制运行 (01h)
      6. 7.4.6 通过 CNTL 和 (01h) OPERATION 控制运行
    5. 7.5 编程
      1. 7.5.1 支持的 PMBus 命令
      2. 7.5.2 引脚配置 (strap) 功能
        1. 7.5.2.1 对 MSEL1 进行编程
        2. 7.5.2.2 对 MSEL2 进行编程
        3. 7.5.2.3 对 VSEL 进行编程
        4. 7.5.2.4 对 ADRSEL 进行编程
        5. 7.5.2.5 针对从器件对 MSEL2 进行编程(GOSNS 绑定到 BP1V5)
        6. 7.5.2.6 引脚搭接电阻器配置
    6. 7.6 寄存器映射
      1. 7.6.1  记录块命令的约定
      2. 7.6.2  (01h) OPERATION
      3. 7.6.3  (02h) ON_OFF_CONFIG
      4. 7.6.4  (03h) CLEAR_FAULTS
      5. 7.6.5  (04h) PHASE
      6. 7.6.6  (10h) WRITE_PROTECT
      7. 7.6.7  (15h) STORE_USER_ALL
      8. 7.6.8  (16h) RESTORE_USER_ALL
      9. 7.6.9  (19h) CAPABILITY
      10. 7.6.10 (1Bh) SMBALERT_MASK
      11. 7.6.11 (1Bh) SMBALERT_MASK_VOUT
      12. 7.6.12 (1Bh) SMBALERT_MASK_IOUT
      13. 7.6.13 (1Bh) SMBALERT_MASK_INPUT
      14. 7.6.14 (1Bh) SMBALERT_MASK_TEMPERATURE
      15. 7.6.15 (1Bh) SMBALERT_MASK_CML
      16. 7.6.16 (1Bh) SMBALERT_MASK_OTHER
      17. 7.6.17 (1Bh) SMBALERT_MASK_MFR
      18. 7.6.18 (20h) VOUT_MODE
      19. 7.6.19 (21h) VOUT_COMMAND
      20. 7.6.20 (22h) VOUT_TRIM
      21. 7.6.21 (24h) VOUT_MAX
      22. 7.6.22 (25h) VOUT_MARGIN_HIGH
      23. 7.6.23 (26h) VOUT_MARGIN_LOW
      24. 7.6.24 (27h) VOUT_TRANSITION_RATE
      25. 7.6.25 (29h) VOUT_SCALE_LOOP
      26. 7.6.26 (2Bh) VOUT_MIN
      27. 7.6.27 (33h) FREQUENCY_SWITCH
      28. 7.6.28 (35h) VIN_ON
      29. 7.6.29 (36h) VIN_OFF
      30. 7.6.30 (37h) INTERLEAVE
      31. 7.6.31 (38h) IOUT_CAL_GAIN
      32. 7.6.32 (39h) IOUT_CAL_OFFSET
      33. 7.6.33 (40h) VOUT_OV_FAULT_LIMIT
      34. 7.6.34 (41h) VOUT_OV_FAULT_RESPONSE
      35. 7.6.35 (42h) VOUT_OV_WARN_LIMIT
      36. 7.6.36 (43h) VOUT_UV_WARN_LIMIT
      37. 7.6.37 (44h) VOUT_UV_FAULT_LIMIT
      38. 7.6.38 (45h) VOUT_UV_FAULT_RESPONSE
      39. 7.6.39 (46h) IOUT_OC_FAULT_LIMIT
      40. 7.6.40 (47h) IOUT_OC_FAULT_RESPONSE
      41. 7.6.41 (4Ah) IOUT_OC_WARN_LIMIT
      42. 7.6.42 (4Fh) OT_FAULT_LIMIT
      43. 7.6.43 (50h) OT_FAULT_RESPONSE
      44. 7.6.44 (51h) OT_WARN_LIMIT
      45. 7.6.45 (55h) VIN_OV_FAULT_LIMIT
      46. 7.6.46 (56h) VIN_OV_FAULT_RESPONSE
      47. 7.6.47 (58h) VIN_UV_WARN_LIMIT
      48. 7.6.48 (60h) TON_DELAY
      49. 7.6.49 (61h) TON_RISE
      50. 7.6.50 (62h) TON_MAX_FAULT_LIMIT
      51. 7.6.51 (63h) TON_MAX_FAULT_RESPONSE
      52. 7.6.52 (64h) TOFF_DELAY
      53. 7.6.53 (65h) TOFF_FALL
      54. 7.6.54 (78h) STATUS_BYTE
      55. 7.6.55 (79h) STATUS_WORD
      56. 7.6.56 (7Ah) STATUS_VOUT
      57. 7.6.57 (7Bh) STATUS_IOUT
      58. 7.6.58 (7Ch) STATUS_INPUT
      59. 7.6.59 (7Dh) STATUS_TEMPERATURE
      60. 7.6.60 (7Eh) STATUS_CML
      61. 7.6.61 (7Fh) STATUS_OTHER
      62. 7.6.62 (80h) STATUS_MFR_SPECIFIC
      63. 7.6.63 (88h) READ_VIN
      64. 7.6.64 (8Bh) READ_VOUT
      65. 7.6.65 (8Ch) READ_IOUT
      66. 7.6.66 (8Dh) READ_TEMPERATURE_1
      67. 7.6.67 (98h) PMBUS_REVISION
      68. 7.6.68 (99h) MFR_ID
      69. 7.6.69 (9Ah) MFR_MODEL
      70. 7.6.70 (9Bh) MFR_REVISION
      71. 7.6.71 (9Eh) MFR_SERIAL
      72. 7.6.72 (ADh) IC_DEVICE_ID
      73. 7.6.73 (AEh) IC_DEVICE_REV
      74. 7.6.74 (B1h) USER_DATA_01 (COMPENSATION_CONFIG)
      75. 7.6.75 (B5h) USER_DATA_05 (POWER_STAGE_CONFIG)
      76. 7.6.76 (D0h) MFR_SPECIFIC_00 (TELEMETRY_CONFIG)
      77. 7.6.77 (DAh) MFR_SPECIFIC_10 (READ_ALL)
      78. 7.6.78 (DBh) MFR_SPECIFIC_11 (STATUS_ALL)
      79. 7.6.79 (DCh) MFR_SPECIFIC_12 (STATUS_PHASE)
      80. 7.6.80 (E4h) MFR_SPECIFIC_20 (SYNC_CONFIG)
      81. 7.6.81 (ECh) MFR_SPECIFIC_28 (STACK_CONFIG)
      82. 7.6.82 (EDh) MFR_SPECIFIC_29 (MISC_OPTIONS)
      83. 7.6.83 (EEh) MFR_SPECIFIC_30 (PIN_DETECT_OVERRIDE)
      84. 7.6.84 (EFh) MFR_SPECIFIC_31 (SLAVE_ADDRESS)
      85. 7.6.85 (F0h) MFR_SPECIFIC_32 (NVM_CHECKSUM)
      86. 7.6.86 (F1h) MFR_SPECIFIC_33 (SIMULATE_FAULT)
      87. 7.6.87 (FCh) MFR_SPECIFIC_44 (FUSION_ID0)
      88. 7.6.88 (FDh) MFR_SPECIFIC_45 (FUSION_ID1)
  8. 应用和实现
    1. 8.1 应用信息
    2. 8.2 典型应用
      1. 8.2.1 设计要求
      2. 8.2.2 详细设计过程
        1. 8.2.2.1  使用 WEBENCH® 工具创建定制设计方案
        2. 8.2.2.2  开关频率
        3. 8.2.2.3  电感器选择
        4. 8.2.2.4  输出电容器选择
          1. 8.2.2.4.1 负载瞬态期间的输出电压偏差
          2. 8.2.2.4.2 输出电压纹波
        5. 8.2.2.5  输入电容器选型
        6. 8.2.2.6  AVIN、BP1V5、VDD5 旁路电容器
        7. 8.2.2.7  自举电容器选型
        8. 8.2.2.8  R-C 缓冲器
        9. 8.2.2.9  输出电压设置(VSEL 引脚)
        10. 8.2.2.10 补偿选择(MSEL1 引脚)
        11. 8.2.2.11 软启动、过流保护和堆叠配置(MSEL2 引脚)
        12. 8.2.2.12 使能和 UVLO
        13. 8.2.2.13 ADRSEL
        14. 8.2.2.14 引脚配置 (Strap) 电阻器选型
        15. 8.2.2.15 BCX_CLK 和 BCX_DAT
      3. 8.2.3 应用曲线
    3. 8.3 两相应用
      1. 8.3.1  设计要求
      2. 8.3.2  开关频率
      3. 8.3.3  电感器选择
      4. 8.3.4  输出电容器选择
      5. 8.3.5  输入电容器选型
      6. 8.3.6  AVIN、BP1V5、VDD5 旁路电容器
      7. 8.3.7  自举电容器选型
      8. 8.3.8  R-C 缓冲器
      9. 8.3.9  输出电压设置(VSEL 引脚)
      10. 8.3.10 补偿选择(MSEL1 引脚)
      11. 8.3.11 从器件的 GOSNS/SLAVE 引脚
      12. 8.3.12 软启动、过流保护和堆叠配置(MSEL2 引脚)
      13. 8.3.13 启用,UVLO
      14. 8.3.14 VSHARE 引脚
        1. 8.3.14.1 ADRSEL 引脚
      15. 8.3.15 SYNC 引脚
      16. 8.3.16 从器件的 VOSNS 引脚
      17. 8.3.17 从器件的未使用引脚
      18. 8.3.18 两相应用曲线
    4. 8.4 四相应用
  9. 电源相关建议
  10. 10布局
    1. 10.1 布局指南
    2. 10.2 布局示例
    3. 10.3 安装和热分布建议
  11. 11器件和文档支持
    1. 11.1 器件支持
      1. 11.1.1 第三方产品免责声明
      2. 11.1.2 开发支持
        1. 11.1.2.1 德州仪器 (TI) Fusion Digital Power Designer
        2. 11.1.2.2 使用 WEBENCH® 工具创建定制设计方案
    2. 11.2 接收文档更新通知
    3. 11.3 支持资源
    4. 11.4 商标
    5. 11.5 静电放电警告
    6. 11.6 术语表
  12. 12机械、封装和可订购信息

封装选项

机械数据 (封装 | 引脚)
散热焊盘机械数据 (封装 | 引脚)
订购信息

设计要求

对于这个设计示例,请使用表 8-1 中列出的输入参数。

表 8-2 设计参数
设计参数测试条件最小值典型值最大值单位
VIN输入电压51216V
VIN(ripple)输入纹波电压VIN=12V,IOUT = 40A0.3V
VOUT输出电压0.8V
ΔVO(ΔVI)线性调整率5 V ≤ VIN ≤ 16V0.5%
ΔVO(ΔIO)负载调整率0V ≤ IOUT ≤ 80A0.5%
VPP输出纹波电压IOUT = 80A10mV
∆VOUT负载瞬态期间的 VOUT 偏差∆IOUT = 20A,VIN = 12V32mV
IOUT输出电流5 V ≤ VIN ≤ 16V080A
IOCP输出过流保护阈值104A
FSW开关频率VIN = 12V550kHz
ηFull load满负载效率VIN = 12V,IOUT = 80A85%
tSS软启动时间 (TON_RISE)3ms
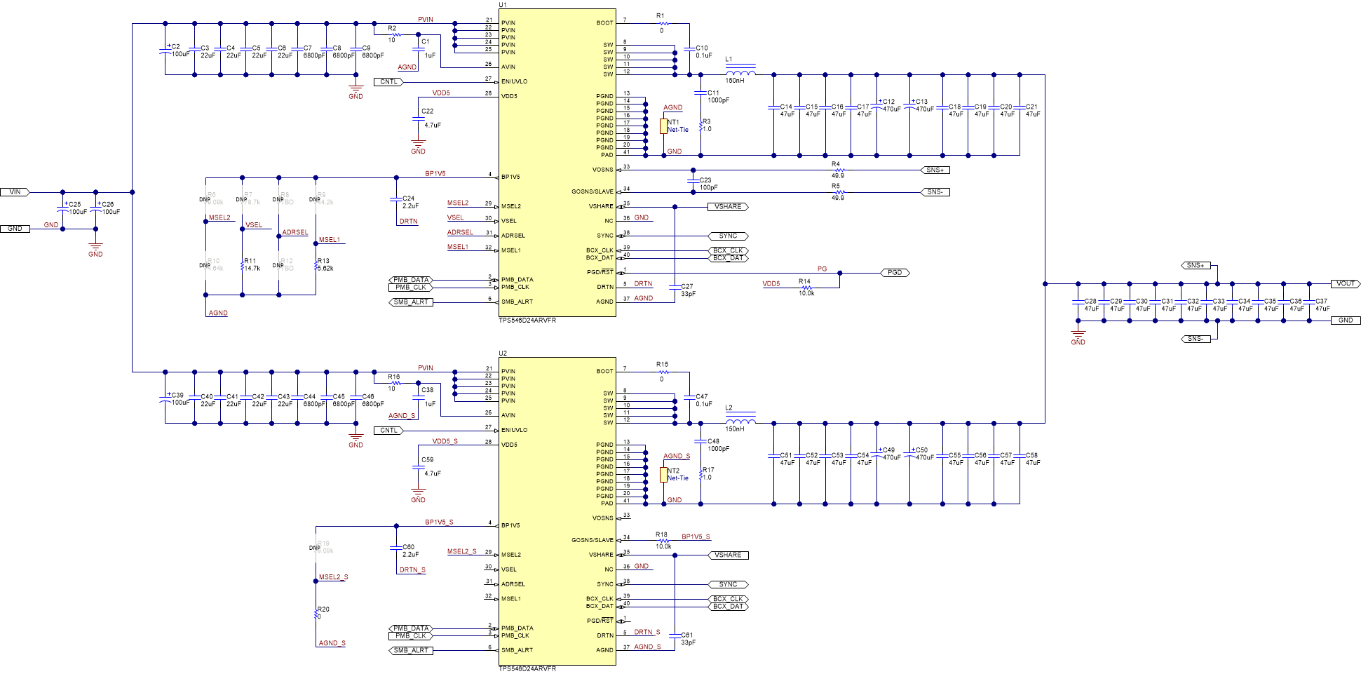
GUID-F3FBA806-CB38-4A0D-84C8-B5465FF61E14-low.gif图 8-11 TPS546D24A 两相应用