ZHCSCI5B May   2014  – July 2016 TPS544B20 , TPS544C20

PRODUCTION DATA.  

  1. 特性
  2. 应用范围
  3. 说明
  4. 修订历史记录
  5. Device Comparison Table
  6. Pin Configuration and Functions
  7. Specifications
    1. 7.1 Absolute Maximum Ratings
    2. 7.2 ESD Ratings
    3. 7.3 Recommended Operating Conditions
    4. 7.4 Thermal Information
    5. 7.5 Electrical Characteristics
    6. 7.6 Switching Characteristics
    7. 7.7 Typical Characteristics
  8. Detailed Description
    1. 8.1 Overview
    2. 8.2 Functional Block Diagram
    3. 8.3 Feature Description
      1. 8.3.1  Turn-On and Turn-Off Delay and Sequencing
      2. 8.3.2  Pre-Biased Output Start-Up
      3. 8.3.3  Voltage Reference
      4. 8.3.4  Differential Remote Sense and Output Voltage Setting
      5. 8.3.5  PMBus Output Voltage Adjustment
      6. 8.3.6  Switching Frequency
      7. 8.3.7  Soft-Start
      8. 8.3.8  Linear Regulators BP3 and BP6
      9. 8.3.9  External Bypass (BPEXT)
      10. 8.3.10 Current Monitoring and Low-Side MOSFET Overcurrent Protection
      11. 8.3.11 High-Side MOSFET Short-Circuit Protection
      12. 8.3.12 Over-Temperature Protection
      13. 8.3.13 Input Undervoltage Lockout (UVLO)
      14. 8.3.14 Output Overvoltage and Undervoltage Protection
      15. 8.3.15 Fault Protection Responses
      16. 8.3.16 PMBus General Description
      17. 8.3.17 PMBus Address
      18. 8.3.18 PMBus Connections
      19. 8.3.19 Auto ARA (Alert Response Address) Response
    4. 8.4 Device Functional Modes
      1. 8.4.1 Continuous Conduction Mode
      2. 8.4.2 Operation with Internal BP6 Regulator
      3. 8.4.3 Operation with BP External
      4. 8.4.4 Operation with CNTL Signal Control
      5. 8.4.5 Operation with OPERATION Control
      6. 8.4.6 Operation with CNTL and OPERATION Control
      7. 8.4.7 Operation with Output Margining
    5. 8.5 Programming
      1. 8.5.1 Supported PMBus Commands
    6. 8.6 Register Maps
      1. 8.6.1  OPERATION (01h)
        1. 8.6.1.1 On
        2. 8.6.1.2 Margin
      2. 8.6.2  ON_OFF_CONFIG (02h)
        1. 8.6.2.1 pu
        2. 8.6.2.2 cmd
        3. 8.6.2.3 cpr
        4. 8.6.2.4 pol
        5. 8.6.2.5 cpa
      3. 8.6.3  CLEAR_FAULTS (03h)
      4. 8.6.4  WRITE_PROTECT (10h)
        1. 8.6.4.1 bit5
        2. 8.6.4.2 bit6
        3. 8.6.4.3 bit7
      5. 8.6.5  STORE_USER_ALL (15h)
      6. 8.6.6  RESTORE_USER_ALL (16h)
      7. 8.6.7  CAPABILITY (19h)
      8. 8.6.8  VOUT_MODE (20h)
        1. 8.6.8.1 Mode:
        2. 8.6.8.2 Exponent
      9. 8.6.9  VIN_ON (35h)
        1. 8.6.9.1 Exponent
        2. 8.6.9.2 Mantissa
      10. 8.6.10 VIN_OFF (36h)
        1. 8.6.10.1 Exponent
        2. 8.6.10.2 Mantissa
      11. 8.6.11 IOUT_CAL_OFFSET (39h)
        1. 8.6.11.1 Exponent
        2. 8.6.11.2 Mantissa
      12. 8.6.12 IOUT_OC_FAULT_LIMIT (46h)
        1. 8.6.12.1 Exponent
        2. 8.6.12.2 Mantissa
      13. 8.6.13 IOUT_OC_FAULT_RESPONSE (47h)
        1. 8.6.13.1 RS[2:0]
      14. 8.6.14 IOUT_OC_WARN_LIMIT (4Ah)
        1. 8.6.14.1 Exponent
        2. 8.6.14.2 Mantissa
      15. 8.6.15 OT_FAULT_LIMIT (4Fh)
        1. 8.6.15.1 Exponent
        2. 8.6.15.2 Mantissa
      16. 8.6.16 OT_WARN_LIMIT (51h)
        1. 8.6.16.1 Exponent
        2. 8.6.16.2 Mantissa
      17. 8.6.17 TON_RISE (61h)
        1. 8.6.17.1 Exponent
        2. 8.6.17.2 Mantissa
      18. 8.6.18 STATUS_BYTE (78h)
      19. 8.6.19 STATUS_WORD (79h)
      20. 8.6.20 STATUS_VOUT (7Ah)
      21. 8.6.21 STATUS_IOUT (7Bh)
      22. 8.6.22 STATUS_TEMPERATURE (7Dh)
      23. 8.6.23 STATUS_CML (7Eh)
      24. 8.6.24 STATUS_MFR_SPECIFIC (80h)
      25. 8.6.25 READ_VOUT (8Bh)
      26. 8.6.26 READ_IOUT (8Ch)
        1. 8.6.26.1 Exponent
        2. 8.6.26.2 Mantissa
      27. 8.6.27 READ_TEMPERATURE_2 (8Eh)
        1. 8.6.27.1 Exponent
        2. 8.6.27.2 Mantissa
      28. 8.6.28 PMBUS_REVISION (98h)
      29. 8.6.29 MFR_SPECIFIC_00 (D0h)
      30. 8.6.30 VREF_TRIM (MFR_SPECIFIC_04) (D4h)
      31. 8.6.31 STEP_VREF_MARGIN_HIGH (MFR_SPECIFIC_05) (D5h)
      32. 8.6.32 STEP_VREF_MARGIN_LOW (MFR_SPECIFIC_06) (D6h)
      33. 8.6.33 PCT_VOUT_FAULT_PG_LIMIT (MFR_SPECIFIC_07) (D7h)
      34. 8.6.34 SEQUENCE_TON_TOFF_DELAY (MFR_SPECIFIC_08) (D8h)
      35. 8.6.35 OPTIONS (MFR_SPECIFIC_21) (E5h)
      36. 8.6.36 MASK_SMBALERT (MFR_SPECIFIC_23) (E7h)
        1. 8.6.36.1  mOTFI
        2. 8.6.36.2  mPRTCL
        3. 8.6.36.3  mSMBTO
        4. 8.6.36.4  mIVC
        5. 8.6.36.5  mIVD
        6. 8.6.36.6  mPEC
        7. 8.6.36.7  mMEM
        8. 8.6.36.8  Auto_ARA
        9. 8.6.36.9  mOTF
        10. 8.6.36.10 mOTW
        11. 8.6.36.11 mOCF
        12. 8.6.36.12 mOCW
        13. 8.6.36.13 mOVF
        14. 8.6.36.14 mUVF
        15. 8.6.36.15 mPGOOD
        16. 8.6.36.16 mVIN_UV
      37. 8.6.37 DEVICE_CODE (MFR_SPECIFIC_44) (FCh)
  9. Applications and Implementation
    1. 9.1 Application Information
    2. 9.2 Typical Application
      1. 9.2.1 Design Requirements
      2. 9.2.2 Detailed Design Procedure
        1. 9.2.2.1  Switching Frequency Selection
        2. 9.2.2.2  Inductor Selection
        3. 9.2.2.3  Output Capacitor Selection
          1. 9.2.2.3.1 Response to a Load Transition
          2. 9.2.2.3.2 Output Voltage Ripple
        4. 9.2.2.4  D-CAP Mode and D-CAP2 Mode Stability
        5. 9.2.2.5  Input Capacitor Selection
        6. 9.2.2.6  Bootstrap Capacitor and Resistor Selection
        7. 9.2.2.7  BP6, BP3 and BPEXT
        8. 9.2.2.8  R-C Snubber and VIN Pin High-Frequency Bypass
        9. 9.2.2.9  Temperature Sensor
        10. 9.2.2.10 Key PMBus Parameter Selection
          1. 9.2.2.10.1 Enable, UVLO and Sequencing
          2. 9.2.2.10.2 Soft-Start Time
          3. 9.2.2.10.3 Overcurrent Threshold and Response
          4. 9.2.2.10.4 Power Good, Output Overvoltage and Undervoltage Protection
        11. 9.2.2.11 Output Voltage Setting and Frequency Compensation Selection
      3. 9.2.3 Application Curves
  10. 10Power Supply Recommendations
  11. 11Layout
    1. 11.1 Layout Guidelines
    2. 11.2 Layout Example
      1. 11.2.1 Mounting and Thermal Profile Recommendation
  12. 12器件和文档支持
    1. 12.1 器件支持
      1. 12.1.1 开发支持
        1. 12.1.1.1 德州仪器 (TI) Fusion Digital Power设计人员
      2. 12.1.2 器件命名规则
    2. 12.2 相关链接
    3. 12.3 商标
    4. 12.4 接收文档更新通知
    5. 12.5 社区资源
    6. 12.6 静电放电警告
    7. 12.7 Glossary
  13. 13机械、封装和可订购信息

封装选项

机械数据 (封装 | 引脚)
散热焊盘机械数据 (封装 | 引脚)
订购信息

Detailed Description

Overview

The TPS544B20 and TPS544C20 devices are 20-A, and 30-A, high-performance, synchronous buck converters with two integrated N-channel NexFET™ power MOSFETs. These devices implement TI's proprietary D-CAP and D-CAP2 mode control providing natural input voltage feed-forward and fast transient response with a precision error amplifier and low-offset differential remote sense amplifier for precise ouptut voltage regulation with minimal external compensation. Monotonic pre-bias capability eliminates concerns about damaging sensitive loads. Integrated PMBus capability provides current, voltage and on-board temperature monitoring, as well as many user-programmable configuration options as well as Adaptive Voltage Scaling (AVS) and output voltage margin testing.

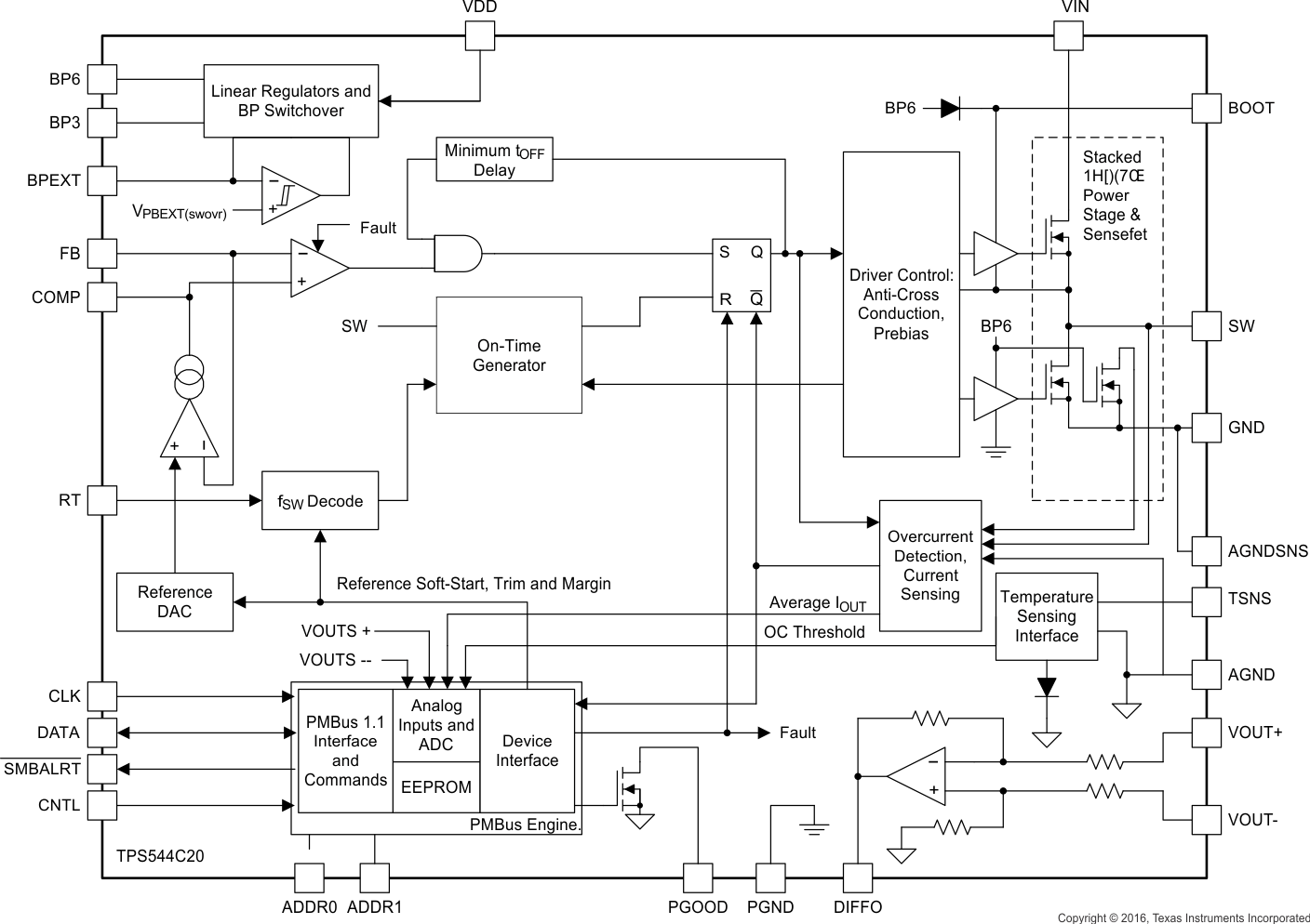
Functional Block Diagram

TPS544B20 TPS544C20 dev_SLUS69B_blockdiagram.gif

Feature Description

Turn-On and Turn-Off Delay and Sequencing

The TPS544C20 and TPS544B20 devices provide many sequencing options. Using the ON_OFF_CONFIG command, the device can be configured to start up when the input voltage is above the undervoltage lockout (UVLO) threshold, or to additionally require a signal on the CNTL pin and/or receive an update to the OPERATION command according to the PMBus protocol. When the gating signal as specified by ON_OFF_CONFIG command is asserted, a programmable turn-on delay can be set with the TON_DELAY command to delay the start of regulation. Similarly, a programmable turn-off delay can be set with the TOFF_DELAY command to delay the stop of regulation once the gating signal is de-asserted. Delay times are specified as an integer multiple of the soft-start time.

When the output voltage remains within the PGOOD window after the start-up period, PGOOD is released, and rises to an externally supplied logic level. The PGOOD signal can be connected to the CNTL pin of another device to provide additional controlled turn-on and turn-off sequencing.

Figure 20 shows control of the start-up and shutdown operations of the device, when the device is configured to respond to a logical AND of both CNTL and the OPERATION command. The device can also be configured to respond to only the CNTL signal, only the OPERATION command, or to convert power whenever VDD is greater than the VIN_ON command value setting.

TPS544B20 TPS544C20 dd_operation_cntl.gif
Bit 7 of OPERATION is used to control power conversion. Other bits in this register control output voltage margining.
Figure 20. Turn-On Controlled By Both Operation1 and Control

Pre-Biased Output Start-Up

The TPS544C20 and TPS544B20 devices prevent current from discharging from the output during start-up, when a pre-biased output condition exists. No SW pulses occur until the internal soft-start voltage rises above the error amplifier input voltage (FB pin), if the output is pre-biased. When the soft-start voltage exceeds the error amplifier input, and SW pulses start, the device limits synchronous rectification time after each SW pulse with a narrow on-time. The low-side MOSFET on-time slowly increases each switching cycle until it generates 128 pulses. After 128 pulses, the synchronous rectifier runs fully complementary to the high-side MOSFET. This approach prevents the sinking of current from a pre-biased output, and ensures the output voltage start-up and ramp-to-regulation sequences are smooth and monotonic. These devices respond to a pre-biased output over-voltage condition immediately upon power-up, even during soft-start, while disabled or below the PMBus programmable undervoltage lockout on-time (UVLOON).

The combination of D-CAP and D-CAP2 mode control and the limited on-time of the low-side MOSFET during the pre-bias sequence allows these devices to operate at low switching frequencies for the first 128 switching cycles, after which the device operates using pseudo-constant frequency.

Voltage Reference

A 600-mV bandgap cell connects internally to the non-inverting input of the error amplifier. The 0.5% tolerance on the reference voltage allows for a power supply design that yields very high DC accuracy.

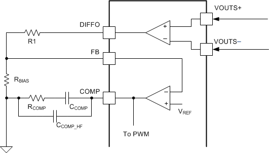
Differential Remote Sense and Output Voltage Setting

The TPS544C20 and TPS544B20 devices implement a differential remote sense amplifier to provide excellent load regulation by cancelling IR-drop in high current applications. The VOUTS+ and VOUTS– pins should be kelvin-connected to the output capacitor bank directly at the load, and routed back to the device as a tightly coupled differential pair. Ensure that these traces are isolated from fast switching signals and high current paths on the final PCB layout to mitigate differential-mode noise. Optionally, use a small coupling capacitor (330-pF typical) between the VOUTS+ and VOUTS– pins to improve noise immunity. The output of the differential remote sense amplifier (DIFFO) sets the output voltage.

A voltage divider from the DIFFO pin to the FB pin sets the nominal output voltage. The output voltage must be divided down to the nominal reference voltage of 600 mV. The feedback voltage can be adjusted within –30% and +10% from the nominal 600 mV using PMBus commands, allowing the output voltage to vary by the same percentage. During the power-up sequence, the feedback reference is 600 mV plus any offset generated by the MARGIN command or VREF_TRIM command values which were previously stored in EEPROM. The initial output voltage equals the feedback voltage scaled by the divider ratio. See the PMBus Output Voltage Adjustment section for further details.

The device enables telemetry by digitizing the voltage at the DIFFO pin, averaging it to reduce measurement noise, and storing it in the READ_VOUT (8Bh) register.

TPS544B20 TPS544C20 dd_too_SLUS69B_DESC_SETTING.gif Figure 21. Output Voltage Setting

Equation 1 calculates the nominal output voltage. R1 can be arbitrarily selected to be 10-kΩ, with RBIAS being scaled appropriately.

Equation 1. TPS544B20 TPS544C20 eq_SLVSCC5_vout.gif

PMBus Output Voltage Adjustment

The nominal output voltage of the converter can be adjusted by changing the feedback voltage, VFB, using the VREF_TRIM command. The adjustment range is between –20% and +10% from the nominal output voltage. This command adjusts the final output voltage of the converter to a high degree of accuracy, without relying on high-precision feedback resistors. The resolution of the adjustment is 7 bits, with a resulting minimum step size of approximately 2 mV, or 0.4%. The total output voltage adjustable range, including MARGIN and VREF_TRIM is –30% to + 10%.

The TPS544C20 and TPS544B20 devices allow simple output voltage margin testing, by applying a either a positive or negative offset to the feedback voltage. The STEP_VREF_MARGIN_HIGH and STEP_VREF_MARGIN_LOW commands control the size of the applied high or low offset respectively. The OPERATION command toggles the converter between three states:

Equation 2. TPS544B20 TPS544C20 eq_SLVSCC5_vfb_mnone.gif
Equation 3. TPS544B20 TPS544C20 eq_SLVSCC5_vfb_mhi.gif
Equation 4. TPS544B20 TPS544C20 eq_SLVSCC5_vfb_mlo.gif

Figure 22 shows an example of the VREF_TRIM and margin timing.

TPS544B20 TPS544C20 dd_too_SLVSCC5_VOUT_MARGIN_EX.gif Figure 22. VREF_TRIM and Margin Example

The nominal 600-mV FB pin references the OV fault, UV fault, and PGOOD limits, as defined by PCT_VOUT_FAULT_PG_LIMIT command, regardless of VREF_TRIM or output margining. These limits remain fixed percentages of the nominal 600 mV reference, regardless of output margining.

Switching Frequency

A resistor from the RT pin to AGND establishes the switching frequency during the power-up sequence. To ensure proper detection, select a resistor with 1% tolerance from Table 2.

Table 2. Required RT Resistors

NOMINAL FREQUENCY (kHz) 1% RESISTOR VALUE (kΩ)
250 10.0
300 17.8
400 27.4
500 38.3
650 56.2
750 86.6
850 133
1000 205

The TPS544B20 and TPS544C20 devices detect values that are out-of-range on the RT pin. If the device detects that RT pin has an out-of-range resistance connected to it, the device selects a frequency setting of either 250 kHz (if the resistance is less than 5 kΩ) or 1 MHz (if the resistance is greater than 300 kΩ). In this case, the device also asserts the IVFREQ bit in STATUS_MFR_SPECIFIC. Once VDD is applied, the frequency latches in memory and RT pin deactives until BP6 falls below VBP6UV. When the device has completed the Power-on-reset sequence, it latches the frequency in memory and deactivates the RT pin until the BP6 voltage falls below the BP6 undervoltage threshold setting.

Soft-Start

To control the inrush current needed to charge the output capacitors during the start-up sequence, the TPS544C20 and TPS544B20 devices implement a soft-start time. When the device is enabled, the feedback reference voltage, VREF, rises from 0 V to its final value (including output margining or VREF_TRIM value) at a slew rate defined by the TON_RISE command. The slew rate needed to increase the reference voltage from 0 V to 600 mV at each given rise time defines the specified rise times. During the soft-start period, the error amplifier operates as a unity-gain buffer to force the COMP pin voltage to track the internal reference and minimize the offset between the internal reference and the output voltage. Because D-CAP mode or D-CAP2 mode control regulates the valley voltage, the average output voltage can exceed the final regulation voltage several millivolts at the end of the soft-start period See Figure 23.

TPS544B20 TPS544C20 dd_too_soft-start.gif Figure 23. Soft-Start

Linear Regulators BP3 and BP6

Two on-board linear regulators provide suitable power for the internal circuitry of the devices. Externally bypass pins BP3 and BP6 for the converter to function properly. BP3 requires a minimum of 100 nF of capacitance connected to AGND. BP6 should be bypassed to GND with a 4.7-µF capacitor.

These devices allow the use of an internal regulator to power other circuits. Ensure that external loads placed on the regulators do not adversely affect operation of the controller. Avoid loads with heavy transient currents that can affect the regulator outputs. Transient voltages on these outputs can result in noisy or erratic operation. Observe the current limits. Shorting the BP3 pin to GND can damage the BP3 regulator. The BP3 regulator input comes from the BP6 regulator output. The BP6 regulator can supply 120 mA of current and the total current drawn from both regulators must be less than 120 mA. This total current includes the device operating current (IVDD) plus the gate-drive current required to drive the power MOSFETs.

External Bypass (BPEXT)

The BPEXT pin provides an external bypass of the internal BP6 regulator when the application includes an external bias supply between 4.5 V and 6.5 V. Using an external supply reduces the power dissipation in these devices and can slightly improve system efficiency. If the input voltage is less than the UVLO threshold, or if the voltage on the BPEXT pin is lower than the switch-over voltage, VBPEXT(swover), these devices use the internal BP6 regulator. If the voltage on the BPEXT pin exceeds this switch-over voltage, then these devices disable the internal BP6 regulator and BPEXT outputs to BP6, replacing the internal linear regulator, until the voltage on the BPEXT pin falls by the BPEXT switch-over hysteresis amount, VHYS(swover). If the application does not require the BPEXT function, connect the BPEXT pin to GND.

TPS544B20 TPS544C20 desc_bpext.gif Figure 24. BP External
TPS544B20 TPS544C20 v12251_lusb69.gif Figure 25. BP Crossover Diagram

NOTE

It is not recommended to transition BPEXT across the switch-over voltage, VBPEXT(swover), during regulation. The transition causes an overshoot or undershoot response on the output voltage. Instead, the BPEXT voltage should be either fully established to its final level, or pulled low to GND prior to entering regulation.

Current Monitoring and Low-Side MOSFET Overcurrent Protection

The TPS544C20 and TPS544B20 devices sense average output current using an internal sensefet. A sensefet conducts a scaled-down version of the power-stage current. Sampling this current in the middle of the low-side drive signal determines the average output current. This architecture achieves excellent current monitoring and better overcurrent threshold accuracy than inductor DCR current sensing with minimal temperature variation and no dependence on power loss in a higher DCR inductor. This enables the use of lower DCR inductors to improve efficiency. Use the IOUT_CAL_OFFSET command to improve current sensing and overcurrent accuracy by removing board layout-related systematic errors post assembly. The devices continually digitize the sensed output current, and average it to reduce measurement noise. The devices then store the current value in the read-only READ_IOUT register, enabling output current telemetry.

TPS544B20 TPS544C20 dd_too_LS_Current_Sensing.gif Figure 26. Sensefet Average Current Sensing and Low-Side Overcurrent Protection

The TPS544C20 and TPS544B20 devices also implement low-side MOSFET overcurrent protection with programmable fault and warning thresholds. The IOUT_OC_FAULT_LIMIT and commands set the low-side overcurrent thresholds.

As shown in Figure 26, if an overcurrent event is detected in a given switching cycle, the device increments an overcurrent counter. When the device detects seven consecutive low-side overcurrent events, the converter responds, flagging the appropriate status registers, triggering SMBALERT if it is not masked, and entering either continuous restart hiccup, or latch-off according to the IOUT_OC_FAULT_RESPONSE command. In continuous restart hiccup mode, the devices implement a time-out function that occurs after seven soft-start cycles; followed by a normal soft-start attempt. When the overcurrent fault clears, normal operation resumes, otherwise, the device detects overcurrent and the process repeats.

High-Side MOSFET Short-Circuit Protection

The TPS544B20 and devices also implement a fixed high-side MOSFET overcurrent (HSOC) protection to limit peak current, and prevent inductor saturation in the event of a short circuit. The devices detect an overcurrent event by sensing the voltage drop across the high-side MOSFET when it is on. If the peak current reaches the HSOC level on any given cycle, the cycle terminates to prevent the current from increasing any further. For accurate high-side MOSFET overcurrent protection, the VIN and VDD pins must be at the same voltage; split rail operation is not supported.

Over-Temperature Protection

An internal temperature sensor protects the devices from thermal runaway. The internal thermal shutdown threshold, TSD, is fixed at 145°C typical. When the devices sense a temperature above TSD, an over-temperature fault internal (OTFI) is flagged, and power conversion stops until the sensed junction temperature falls by the thermal shutdown hysteresis amount, THYST, (25°C typical). Additionally, the OTFI bit in STATUS_MFR_SPECIFIC setting indicates when the devices detect an internal over-temperature event.

The TPS544C20 and TPS544B20 devices also provide programmable external over-temperature fault and warning thresholds using measurements from an external temperature sensor connected on the TSNS pin. The temperature sensor circuit applies two bias currents to an external NPN transistor, and measures ΔVBE to infer the junction temperature of the sensor. The TPS544C20 and TPS544B20 devices are designed to use a standard 2N3904 NPN transistor as a temperature sensor. Other sensors may be used, but the devices assume an ideality factor, n, of 1.008 for use with the 2N3904. The devices then digitize the result and compare it to the user-configured over-temperature fault and warning thresholds. When an external over-temperature fault (OTF) is detected, power conversion stops until the sensed temperature falls by 20°C. The READ_TEMPERATURE_2 (8Eh) register is continually updated with the digitized temperature measurement, enabling temperature telemetry. The OT_FAULT_LIMIT (4Fh) and OT_WARN_LIMIT (51h) commands set the PMBus over-temperature fault and warning thresholds. When an overtemperature event is detected, the device sets the appropriate flags in STATUS_TEMPERATURE (7Dh) and triggers SMBALERT if it is not masked.

TI recommends routing a differential pair of AGND and TSNS from the TPS544B20 and TPS544C20 to the collector-base and emitter terminals of the 2N3904. Include a 330-pF capacitor between the TSNS and AGND pair traces to reduce temperature measurement noise and associated error. Implement the option to disable external temperature sensing by terminating TSNS to AGNS with a 0-Ω resistor. This termination forces the external temperature measurement to –40°C, and prevents external over-temperature faults tripping. The internal temperature sensor, and internal over-temperature fault remain enabled regardless of the TSNS pin termination.

TPS544B20 TPS544C20 dd_too_SLVSCC5_TSNS.gif Figure 27. Over-Temperature Protection

Input Undervoltage Lockout (UVLO)

The TPS544C20 and TPS544B20 devices provide flexible user adjustment of the undervoltage lockout threshold and hysteresis. Two PMBus commands, VIN_ON (35h) and VIN_OFF (36h) allow the user to set these input voltage turn-on and turn-off thresholds independently, with a minimum of 4-V turn-off to a maximum 16-V turn-on. See the command descriptions for more details.

Output Overvoltage and Undervoltage Protection

The TPS544C20 and TPS544B20 devices include both output overvoltage protection (OVP) and output undervoltage (UVP) protection. The devices compare the FB pin voltage to internal selectable pre-set voltages, as defined by the PCT_VOUT_FAULT_PG_LIMIT (MFR_SPECIFIC_07) (D7h) command. As the output voltage rises or falls from the nominal voltage, the FB voltage tracks a direct divider ratio of the output voltage. If the FB voltage rises above the OVP threshold, the device terminates normal switching, declares an OV fault and turns on the low-side MOSFET to discharge the output capacitor and prevent further increases in the output voltage. If the FB voltage falls below the OVP threshold, the low-side FET turns off and normal switching resumes.

If the FB voltage falls below the undervoltage protection level after soft-start sequence has completed, the device terminates normal switching and forces both the high-side and low-side MOSFETs off, and awaits an external reset or begins a hiccup time-out delay prior to restart, depending on the value of the IOUT_OC_FAULT_RESPONSE (47h) command. The output undervoltage response is shared with the over-current fault response.

Fault Protection Responses

Table 3 summarizes the various fault protections and associated responses.

Table 3. Fault Protection Summary

FAULT VDD UV UV OV HSOC LSOC OT TSD (OTFI)
FAULT CAUSES 1) Input undervoltage
2) Loss of input
1) Output overcurrent
2) Low-side short
3) FB short high
1) Pre-biased output
2) High-side short
3) FB short to GND
1) High-side short
2) Output short to GND
1) Low-side short
2) Output overcurrent
High board temperature High device temperature due to ambient or power dissipation
MONITORING SIGNAL Voltage on VDD pin Voltage on FB pin Voltage on FB pin Voltage drop across high-side MOSFET Sensed current in low-side MOSFET Voltage on TSNS pin Temperature on internal sensor
HIGH-SIDE MOSFET Latch off Latch off Latch off Turns off on cycle-by-cycle basis, incrementing OC counter; latch off when counter overflows Tripping increments OC counter; latch off when counter overflows Latch off Latch off
LOW-SIDE MOSFET Latch off Latch off Latch on until VOUT returns to within PG window Latch off when counter overflows Latch off when counter overflows Latch off Latch off
HICCUP No Yes(1) No(2) Yes(1) Yes(1) Hiccup after temperature below reset threshold Hiccup after temperature below reset threshold
DURING SOFT-START Enabled Disabled Enabled Enabled Enabled during or after SS once LDRV pulse width first exceeds CSA sampling period Enabled Enabled
AFTER SOFT-START Enabled Enabled Enabled Enabled Enabled Enabled Enabled
If the device is configured to restart continuously, triggering the fault causes a hiccup.
Hiccup is not triggered if the device can bring the output voltage back to regulation. Hiccup remains enabled if the output reaches the UV limit following an OV event

PMBus General Description

Timing and electrical characteristics of the PMBus specification can be found in the PMB Power Management Protocol Specification, Part 1, revision 1.1 available at http://pmbus.org. The TPS544B20 and TPS544C20devices support both the 100-kHz and 400-kHz bus timing requirements. The TPS544B20 and TPS544C20 devices do not implement clock stretching when communicating with the master device.

Communication over the PMBus interface can support Packet Error Checking (PEC) if desired. If the PMbus host supplies clock (CLK pin) pulses for the PEC byte, PEC is used. If the CLK pulses are not present before a STOP, the PEC is not used.

These devices support a subset of the commands in the PMBus 1.1 Power Management Protocol Specification. See the Supported PMBus Commands section for more information.

The devices also support the SMBALERT response protocol. The SMBALERT response protocol is a mechanism by which a slave device (such as the TPS544C20 device or the TPS544B20 device) can alert the master device that it is available for communication. The master device processes this event and simultaneously accesses all slave devices on the bus (that support the protocol) through the alert response address (ARA). Only the slave device that caused the alert acknowledges this request. The host device performs a modified receive byte operation to ascertain the slave devices address. At this point, the master device can use the PMBus status commands to query the slave device that caused the alert. By default, these devices implement the auto alert response, a manufacturer specific improvement to the SMBALERT response protocol, intended to mitigate the issue of bus hogging. See the Auto ARA (Alert Response Address) Response section for more information. For more information on the SMBus alert response protocol, see the System Management Bus (SMBus) specification.

The devices contain non-volatile memory that stores configuration settings and scale factors. However, the devices do not save the settings programmed into this non-volatile memory. The STORE_USER_ALL (15h) command must be used to commit the current settings to non-volatile memory as device defaults. Settings available for storage in NVM are noted in their detailed descriptions.

PMBus Address

The PMBus specification requires that each device connected to the PMBus have a unique address on the bus. The TPS544B20 and TPS544C20 devices each have 64 possible addresses (0 through 63 in decimal) that can be assigned by connecting resistors from the ADDR0 and ADDR1 pins to AGND. The address is set in the form of two octal (0-7) digits, one digit for each pin. ADDR1 is the high order digit and ADDR0 is the low-order digit. These address selection resistors must be 1% tolerance or better. Using resistors other than the recommended values can result in devices responding to adjacent addresses.

The E96 series resistors recommended for each digit value are shown in Table 4.

Table 4. Required Address Resistors

DIGIT 1% RESISTOR VALUE (kΩ)
0 10.0
1 17.8
2 27.4
3 38.3
4 56.2
5 86.6
6 133
7 205

The devices detect values that are out-of-range on the ADDR0 and ADDR1 pins. If the device detects that either pin has an out-of-range resistance connected to it, the device continues to respond to PMBus commands, but does so at address 127, which is outside of the possible programmed addresses. It is possible but not recommended to use the device in this condition, especially if other devices are present on the bus or if another device could possibly occupy the 127 address.

The device reserves certain addresses in the I2C address space for special functions. The PMBus protocol allows the address of the device to respond to these addresses. The user is responsible for knowing which of these reserved addresses are in use in a system and for setting the address of the device accordingly so as not to interfere with other system operations.

NOTE

These devices can be set to respond to the reserved GLOBAL CALL address or Address 0. Do not set a device to this address unless the design allows no other devices to respond to this address and that the overall bus is not affected by the presence of such an address.

PMBus Connections

The TPS544B20 and TPS544C20 devices support both the 100-kHz and 400-kHz bus speeds. Connection for the PMBus interface should follow the specification given in section 3.1.3 High-Power DC in the SMBus specification V2.0 for the 400-kHz bus speed or the 3.1.2 Low Power DC section. The complete SMBus specification is available from the SMBus web site, smbus.org.

Auto ARA (Alert Response Address) Response

By default, the TPS544B20 and TPS544C20 devices implement the auto alert response, a manufacturer specific improvement to the standard SMBALERT response protocol defined in the SMBus specification. The auto alert response is designed to prevent SMBALERT monopolizing in the case of a persistent fault condition on the bus. The user can choose to disable the auto ARA response, and use the standard SMBALERT response as defined in the SMBus specification, by using bit 8 of the MASK_SMBALERT (MFR_SPECIFIC_23) (E7h) command.

In the case of a fault condition, the slave device experiencing the fault pulls down the shared SMBALERT line, to alert the host that a fault condition has occurred. To establish which slave device has experienced the fault, the host issues a modified receive byte operation to the alert response address (ARA), to which only the slave device pulling down on SMBALERT should respond. The SMBus protocol provides a method for address arbitration in the case that multiple slave devices on the same bus are experiencing fault conditions. Once the host has established the address of the offending device, it must take any necessary action to release the SMBALERT line. For more information on the standard SMBus alert response protocol, see the System Management Bus (SMBus) specification.

In the case of a non-persistent fault (for example, a single-time event, such as an invalid command or data byte), the host can ascertain the address of the slave device experiencing a fault using the standard ARA response, and simply issue CLEAR_FAULTS (03h) to release the SMBALERT line, and resume normal operation. However, in the case of a persistent fault (i.e. one which remains active for some time, such as a short-circuit, or thermal shutdown), once the device issues a CLEAR_FAULTS (03h) command, the fault immediately re-triggers, and SMBALERT continues to be pulled low. In this case, the device holds low the SMBALERT line until the host masks the SMBALERT line using MASK_SMBALERT (MFR_SPECIFIC_23) (E7h) and then issues the CLEAR_FAULTS (03h) command. Because the SMBALERT line remains low, the host cannot be alerted to other fault conditions on the bus until it clears SMBALERT. This situation is known as bus hogging. Figure 28 and Figure 29 illustrate an example of this response.

.

TPS544B20 TPS544C20 dd_too_SLVSCC5_DESC_NON_AUTO_ARA.gif Figure 28. Example Standard ARA Response to Non-Persistent Fault

.

TPS544B20 TPS544C20 dd_too_SLVSCC5_NON-AUTO_ARA_PERSIST.gif Figure 29. Example Standard ARA Response to a Persistent Fault

.

In order to mitigate the problem of bus hogging, these devices implement the Auto ARA response. When Auto ARA is enabled, the devices release SMBALERT automatically after successfully responding to access from the host at the alert response address. In this case, even when a device is experiencing a persistent fault, it does not hold the SMBALERT line low following successful notification of the host, and the host can be alerted to other faults on the bus in the normal manner. Examples of the auto ARA response are illustrated in Figure 30 and Figure 31.

TPS544B20 TPS544C20 dd_too_SLVSCC5_AUTO_ARA_NON-PERSIST.gif Figure 30. Example Auto ARA Response to Non-Persistent Fault
TPS544B20 TPS544C20 dd_too_SLVSCC5_AUTO_ARA_PERSIST.gif Figure 31. Example Auto ARA Response to Persistent Fault

Device Functional Modes

Continuous Conduction Mode

The TPS544B20 and TPS544C20 devices operate in continuous conduction mode (CCM) at a fixed frequency, regardless of the output current. For the first 128 switching cycles, the low-side MOSFET on-time is slowly increased to prevent excessive current sinking when the device starts up with a pre-biased output. Following the first clock 128 cycles, the low-side MOSFET and the high-side MOSFET on-times are fully complementary.

Operation with Internal BP6 Regulator

The TPS544B20 and TPS544C20 devices include an internal linear regulator to supply bias for internal logic and the power MOSFET drivers. The BP6 regulator steps down the VDD voltage to approximately 6.5 V when VVDD is above 6.5 V, or operates with a maximum of 100-mV dropout when VVDD is less than 6.5 V. In this case, the BPEXT pin should be connected to GND.

Operation with BP External

The TPS544B20 and TPS544C20 devices can operate with an externally supplied voltage applied on the BPEXT pin to bypass the BP6 regulator, which powers the MOSFET drivers. Using BP External reduces the power dissipation inside the device, and leads to a small gain in overall efficiency. In this case, the BP6 regulator should be bypassed as normal, but the BPEXT pin should also have a minimum of 2.2-µF bypass capacitance relative to GND. See External Bypass (BPEXT) for more information.

Operation with CNTL Signal Control

According to the value in the ON_OFF_CONFIG register, The TPS544B20 and TPS544C20 devices can be commanded to use the CNTL pin to enable or disable regulation, regardless of the state of the OPERATION command. The minimum input high threshold for the CNTL signal is 2.1 V, and the maximum input low threshold for the CNTL signal is 0.8 V. The CNTL pin can be configured as either active high or active low (inverted) logic.

Operation with OPERATION Control

According to the value in the ON_OFF_CONFIG register, these devices can be commanded to use the OPERATION command to enable or disable regulation, regardless of the state of the CNTL signal.

Operation with CNTL and OPERATION Control

According to the value in the ON_OFF_CONFIG register, these devices can be commanded to require both a signal on the CNTL pin, and the OPERATION command to enable or disable regulation.

Operation with Output Margining

The OPERATION command can be used to toggle the device between three states:

  • Margin none
  • Margin low
  • Margin high

In the margin none state, the feedback reference, VREF, is equal to the nominal 600-mV reference, plus any offset defined by the VREF_TRIM command. In the margin low state, a negative offset defined by the STEP_VREF_MARGIN_LOW command is applied to the feedback reference, moving the converter output voltage down by an equivalent percentage. In the margin high state, a positive offset defined by the STEP_VREF_MARGIN_HIGH command is applied to the feedback reference, moving the converter output voltage up by an equivalent percentage. See the PMBus Output Voltage Adjustment section for more information.

Programming

Supported PMBus Commands

The commands listed in the Table 5 section are implemented as described to conform to the PMBus 1.1 specification. It also shows default behavior and register values.

Table 5. Supported PMBus Commands and Default Values

CMD
CODE
PMBus 1.1
COMMAND NAME
PMBus COMMAND DESCRIPTION DEFAULT BEHAVIOR DEFAULT REGISTER VALUE
01h OPERATION Can be configured via ON_OFF_CONFIG to be used to turn the output on and off with or without input from the CTRL pin. Also used to turn on and off margin high and low. Margin None. OPERATION is not used to enable regulation 00h
02h ON_OFF_CONFIG Configures the combination of CNTL pin input and OPERATION command for turning output on and off. CNTL only. Active High 16h
03h CLEAR_FAULTS Clears all fault status registers to 0x00 and releases SMBALERT. Write-only n/a
10h WRITE_PROTECT Used to control writing to the device. Allow writes to all registers 00h
15h STORE_USER_ALL Stores all current storable register settings into EEPROM as new defaults. Write-only n/a
16h RESTORE_USER_ALL Restores all storable register settings from EEPROM. Write-only n/a
19h CAPABILITY Provides a way for a host system to determine key PMBus capabilities of the device. Read only. PMBus v1.1, 400 kHz, PEC enabled B0h
20h VOUT_MODE Read-only output mode indicator. Linear, exponent = –9 17h
35h VIN_ON Sets value of input voltage at which the device should start power conversion. 4.25 V F011h
36h VIN_OFF Sets value of input voltage at which the device should stop power conversion. 4.0V F010h
39h IOUT_CAL_OFFSET Can be set to null out offsets in the current sensing circuit. 0.0000 A E000h
46h IOUT_OC_FAULT_LIMIT Sets the value of the output current that causes an overcurrent fault condition. 39 A (TPS544C20)
26 A (TPS544B20)
F84Eh (TPS544C20)
F834h (TPS544B20)
47h IOUT_OC_FAULT_RESPONSE Sets response to output overcurrent and undervoltage faults to latch-off or hiccup mode. Shutdown and latch-off 07h
4Ah IOUT_OC_WARN_LIMIT Sets the value of the output current that causes an overcurrent warning condition. 30 A (TPS544C20)
20 A (TPS544B20)
F8C3h (TPS544C20)
F828h (TPS544B20)
F814h ()
4Fh OT_FAULT_LIMIT Sets the value of the sensed temperature that causes an overtemperature fault condition. 150 °C 0096h
51h OT_WARN_LIMIT Sets the value of the sensed temperature that causes an overtemperature warning condition. 125 °C 007Dh
61h TON_RISE Sets the time from when the output starts to rise until the voltage has entered the regulation band. 2.7 ms E02Bh
78h STATUS_BYTE Returns one byte summarizing the most critical faults. Read only Current status
79h STATUS_WORD Returns two bytes summarizing fault and warning conditions. Read only Current status
7Ah STATUS_VOUT Returns one byte detailing if an output fault or warning has occurred Read only Current status
7Bh STATUS_IOUT Retyrns one byte detailing if an overcurrent fault or warning has occurred Read only Current status
7Dh STATUS_TEMPERATURE Returns one byte detailing if a sensed temperature fault or warning has occurred. Read only Current status
7Eh STATUS_CML Returns one byte containing PMBus serial communication faults. Read only Current status
80h STATUS_MFR_SPECIFIC Returns one byte detailing if internal overtemperature or frequency detection fault has occurred. Read only Current status
8Bh READ_VOUT Returns the output voltage in volts. Read only Current status
8Ch READ_IOUT Returns the channel current in amps. Read only Current status
8Eh READ_TEMPERATURE_2 Returns the sensed temperature in degrees Celsius. Read only Current status
98h PMBUS_REVISION Returns PMBus revision to which the device is compliant. Read only 11h
D0h MFR_SPECIFIC_00 Two bytes dedicated as a user scratch pad. 00h 00h
D4h VREF_TRIM
(MFR_SPECIFIC_04)
Used to apply a fixed offset voltage to the reference voltage. 0.000 V 0000h
D5h STEP_VREF_MARGIN_HIGH
(MFR_SPECIFIC_05)
Sets the increase to the value of the reference voltage for shifting the reference higher. 60 mV 001Eh
D6h STEP_VREF_MARGIN_LOW
(MFR_SPECIFIC_06)
Sets the decrease to the value of the reference voltage for shifting the reference lower. –60 mV FFE2h
D7h PCT_VOUT_FAULT_PG_LIMIT
(MFR_SPECIFIC_07)
Sets the PGOOD and output undervoltage and overvoltage limits as a percent of nominal. UV Fault: –16.8%
PGOOD (falling): –12.5%
PGOOD (rising): 12.5%
OV Fault: 16.8 %
00h
D8h SEQUENCE_TON_TOFF_DELAY
(MFR_SPECIFIC_08)
Sets the delays for turning the output on and off as a ratio of TON_RISE. TON_DELAY: 0ms
TOFF_DELAY: 0ms
00h
E5h OPTIONS
(MFR_SPECIFIC_21)
Sets miscellaneous user selectable options. ADC is enabled. Telemetry is enabled. 0004h
E7h MASK_SMBALERT
(MFR_SPECIFIC_23)
Used to mask which faults or warnings assert SMBALERT, and enable Auto ARA. Auto ARA is enabled.
No SMBALERT sources are masked
0100h
FCh DEVICE_CODE
(MFR_SPECIFIC_44)
Returns a 12-bit unique identifier code for the device and a 4-bit revision code. 0153h (TPS544C20)
0143h (TPS544B20)
0153h (TPS544C20)
0143h (TPS544B20)

Register Maps

This family of devices supports the following commands from the PMBus 1.1 specification.

OPERATION (01h)

The OPERATION command turns the device output on or off in conjunction with input from the CNTL signal. It also sets the output voltage to the upper or lower margin voltages. The unit stays in the commanded operating mode until a subsequent OPERATION command or a change in the state of the CNTL pin instructs the device to change to another mode.

COMMAND OPERATION
Format Unsigned binary
Bit Position 7 6 5 4 3 2 1 0
Access r/w r r/w r/w r/w r/w r r
Function ON X Margin X X
Default Value 0 0 0 0 0 0 X X

On

This bit is an enable command to the converter.

  • 0: output switching is disabled. Both drivers placed in an off or low state.
  • 1: output switching is enabled if the input voltage is above undervoltage lockout, OPERATION is configured as a gating signal in ON_OFF_CONFIG, and no fault conditions exist.

Margin

If Margin Low is enabled, the feedback voltage is offset with the value from the STEP_VREF_MARGIN_LOW command. If Margin High is enabled, the feedback voltage is offset with the value from the STEP_VREF_MARGIN_HIGH command. (See PMBus specification for more information)

  • 00XX: Margin Off
  • 0101: Margin Low (Ignore on Fault)
  • 0110: Margin Low (Act on Fault)
  • 1001: Margin High (Ignore on Fault)
  • 1010: Margin High (Act on Fault)

NOTE

Because the PGOOD, OV and UV thresholds remain referenced to the nominal 600-mV feedback reference, it is possible to use the Margin High, Margin Low or VREF_TRIM options to set the reference voltage into a PGOOD or Undervoltage Fault based on the ranges provided. When using the Ignore Fault option of the OPERATION command, these faults are masked when entering Margin High or Margin Low, but they PGOOD or Under Voltage Fault can be triggered when returning to Margin Off.

ON_OFF_CONFIG (02h)

The ON_OFF_CONFIG command configures the combination of CNTL pin input and serial bus commands needed to turn the unit on and off. The contents of this register can be stored to non-volatile memory using the STORE_USER_ALL command.

COMMAND ON_OFF_CONFIG
Format Unsigned binary
Bit Position 7 6 5 4 3 2 1 0
Access r r r r/w r/w r/w r/w r
Function X X X pu cmd cpr pol cpa
Default Value X X X 1 0 1 1 0

pu

The pu bit sets the default to either operate any time power is present or for power conversion to be controlled by CNTL pin and PMBus OPERATION command. This bit is used in conjunction with the 'cp', 'cmd', and 'on' bits to determine start up.

BIT VALUE ACTION
0 Device powers up any time power is present regardless of state of the CNTL pin.
1 Device does not power up until commanded by the CNTL pin and OPERATION command as programmed in bits [2:0] of the ON_OFF_CONFIG register.

cmd

The cmd bit controls how the device responds to the OPERATION command.

BIT VALUE ACTION
0 Device ignores the “on” bit in the OPERATION command.
1 Device responds to the “on” bit in the OPERATION command.

cpr

The cpr bit sets the CNTL pin response. This bit is used in conjunction with the 'cmd', 'pu', and 'on' bits to determine start up.

BIT VALUE ACTION
0 Device ignores the CNTL pin. Power conversion is controlled only by the OPERATION command.
1 Device requires the CNTL pin to be asserted to start the unit.

pol

The pol bit controls the polarity of the CNTL pin. For a change to become effective, the contents of the ON_OFF_CONFIG register must be stored to non-volatile memory using the STORE_USER_ALL command and the device power cycled. Simply writing a new value to this bit does not change the polarity of the CNTL pin.

BIT VALUE ACTION
0 CNTL pin is active low.
1 CNTL pin is active high.

cpa

The cpa bit sets the CNTL pin action when turning the controller off. This bit is read internally and cannot be modified by the user.

BIT VALUE ACTION
0 Turn off the output using the programmed delay.

CLEAR_FAULTS (03h)

The CLEAR_FAULTS command is used to clear any fault bits that have been set. This command clears all bits in all status registers simultaneously. At the same time, the device negates (clears, releases) its SMBALERT output if the device is asserting SMBALERT. The CLEAR_FAULTS command does not cause a unit that has latched off for a fault condition to restart. If the fault is still present when the bit is cleared, the fault bit is immediately reset and the host notified by the usual means.

WRITE_PROTECT (10h)

The WRITE_PROTECT command is used to control writing to the PMBus device. The intent of this command is to provide protection against accidental changes. This command is not intended to provide protection against deliberate or malicious changes to the device configuration or operation. All supported command parameters may have their parameters read, regardless of the WRITE_PROTECT settings. Write protection also prevents protected registers from being updated in the event of a RESTORE_USER_ALL. The contents of this register can be stored to non-volatile memory using the STORE_USER_ALL command.

COMMAND WRITE_PROTECT
Format Unsigned binary
Bit Position 7 6 5 4 3 2 1 0
Access r/w r/w r/w X X X X X
Function bit7 bit6 bit5 X X X X X
Default Value 0 0 0 X X X X X

bit5

BIT VALUE ACTION
0 Enable all writes as permitted in bit6 or bit7
1 Disable all writes except the WRITE_PROTECT, OPERATION and ON_OFF_CONFIG. (bit6 and bit7 must be 0 to be valid data)

bit6

BIT VALUE ACTION
0 Enable all writes as permitted in bit5 or bit7
1 Disable all writes except for the WRITE_PROTECT, and OPERATION commands. (bit5 and bit7 must be 0 to be valid data)

bit7

BIT VALUE ACTION
0 Enable all writes as permitted in bit5 or bit6
1 Disable all writes except for the WRITE_PROTECT command. (bit5 and bit6 must be 0 to be valid data)

In any case, only one of the three bits may be set at any one time. Attempting to set more than one bit results in an alert being generated and the cml bit is STATUS_WORD being set. An invalid setting of the WRITE_PROTECT command results in no write protection.

STORE_USER_ALL (15h)

The STORE_USER_ALL command stores all of the current storable register settings in the EEPROM memory as the new defaults on power up.

It is permissible to use this command while the device is switching. Note however that the device continues to switch but ignores all fault conditions until the internal store process has completed.

EEPROM programming faults cause the device to NACK and set the 'cml' bit in the STATUS_BYTE and the 'oth' bit in the STATUS_CML registers.

The following registers can be stored to EEPROM memory using STORE_USER_ALL:

RESTORE_USER_ALL (16h)

The RESTORE_USER_ALL command restores all of the storable register settings from EEPROM memory.

Do not use this command while the device is actively switching, this causes the device to stop switching and the output voltage to fall during the restore event. Depending on loading conditions, the output voltage could reach an undervoltage level and trigger an undervoltage fault response if programmed to do so. The command can be used while the device is switching, but it is not recommended as it results in a restart that could disrupt power sequencing requirements in more complex systems. It is strongly recommended that the device be stopped before issuing this command.

NOTE

A VIN_UV fault may be triggered when RESTORE_USER_ALL command is set. The firmware workaround is accomplished by verifying that, upon completion of a RESTORE_USER_ALL command, the sole source asserting SMBALERT is the VIN_UV bit in STATUS_BYTE. If so, issue a CLEAR_FAULTS command. Any other source asserting SMBALERT under these circumstances (i.e. completion of RESTORE_USER_ALL) would indicate an actual fault condition.

CAPABILITY (19h)

The CAPABILITY command provides a way for a host system to determine some key capabilities of this PMBus device.

COMMAND CAPABILITY
Format Unsigned binary
Bit Position 7 6 5 4 3 2 1 0
Access r r r r r r r r
Function PEC SPD ALRT Reserved
Default Value 1 0 1 1 0 0 0 0

The default values indicate that the device supports Packet Error Checking (PEC), a maximum bus speed of 400 kHz (SPD) and the SMBus Alert Response Protocol using SMBALERT.

VOUT_MODE (20h)

The PMBus specification dictates that the data word for the VOUT_MODE command is one byte that consists of a 3-bit mode and 5-bit exponent parameter, as shown below. The 3-bit mode sets whether the device uses the Linear or Direct modes for output voltage related commands. The 5-bit parameter sets the exponent value for the linear data mode. The mode and exponent parameters are fixed and do not permit the user to change the values.

COMMAND VOUT_MODE
Bit Position 7 6 5 4 3 2 1 0
Access r r r r r r r r
Function Mode Exponent
Default Value 0 0 0 1 0 1 1 1

Mode:

Value fixed at 000, linear mode.

Exponent

Value fixed at 10111, Exponent for Linear mode values is –9.

VIN_ON (35h)

The VIN_ON command sets the value of the input voltage at which the unit should start operation assuming all other required startup conditions are met. Values are mapped to the nearest supported increment. Values outside the supported range are treated as invalid data and cause the device set the CML bit in the STATUS_BYTE and the invalid data (ivd) bit in the STATUS_CML registers. The value of VIN_ON remains unchanged on an out-of-range write attempt. The contents of this register can be stored to non-volatile memory using the STORE_USER_ALL command.

The supported VIN_ON values are shown in Table 6:

Table 6. Supported VIN_ON Values

VIN_ON Values (V)
4.25 (default) 4.5 4.75 5 5.25
5.5 5.75 6 6.25 6.5
6.75 7 7.25 7.5 8
8.25 8.5 8.75 9 9.25
9.5 10 10.5 11 11.5
12 12.5 13 14 15
16

VIN_ON must be set higher than VIN_OFF. Attempting to write either VIN_ON lower than VIN_OFF or VIN_OFF higher than VIN_ON results in the new value being rejected, SMBALERT being asserted along with the CML bit in STATUS_BYTE and the invalid data bit in STATUS_CML.

The data word that accompanies this command is divided into a fixed 5-bit exponent and an 11-bit mantissa. The four most significant bits of the mantissa are fixed, while the lower 7 bits may be altered.

COMMAND VIN_ON
Format Linear, two's complement binary
Bit Position 7 6 5 4 3 2 1 0 7 6 5 4 3 2 1 0
Access r r r r r r r r r r/w r/w r/w r/w r/w r/w r/w
Function Exponent Mantissa
Default Value 1 1 1 1 0 0 0 0 0 0 0 1 0 0 0 1

Exponent

–2 (dec), fixed.

Mantissa

The upper four bits are fixed at 0.
The lower seven bits are programmable with a default value of 17 (dec), corresponding to a default of 4.25 V.

VIN_OFF (36h)

The VIN_OFF command sets the value of the input voltage at which the unit should stop operation. Values are mapped to the nearest supported increment. Values outside the supported range is treated as invalid data and causes the device to set the CML bit in the STATUS_BYTE and the invalid data (ivd) bit in the STATUS_CML registers. The value of VIN_OFF remains unchanged during an out-of-range write attempt. The contents of this register can be stored to non-volatile memory using the STORE_USER_ALL command.

The supported VIN_OFF values are shown in Table 7:

Table 7. Supported VIN_OFF Values

VIN_OFF Values (V)
4 (default) 4.25 4.5 4.75 5
5.25 5.5 5.75 6 6.25
6.5 6.75 7 7.25 7.5
8 8.25 8.5 8.75 9
9.25 9.75 10.25 10.75 11.25
11.75 12 13.75 14.75 15.75

VIN_ON must be set higher than VIN_OFF. Attempting to write either VIN_ON lower than VIN_OFF or VIN_OFF higher than VIN_ON results in the new value being rejected, SMBALERT being asserted along with the cml bit in STATUS_BYTE and the invalid data bit in STATUS_CML.

The data word that accompanies this command is divided into a fixed 5 bit exponent and an 11 bit mantissa. The 4 most significant bits of the mantissa are fixed, while the lower 7 bits may be altered.

COMMAND VIN_OFF
Format Linear, two's complement binary
Bit Position 7 6 5 4 3 2 1 0 7 6 5 4 3 2 1 0
Access r r r r r r r r r r/w r/w r/w r/w r/w r/w r/w
Function Exponent Mantissa
Default Value 1 1 1 1 0 0 0 0 0 0 0 1 0 0 0 0

Exponent

–2 (dec), fixed.

Mantissa

The upper four bits are fixed at 0.
The lower seven bits are programmable with a default value of 16 (dec). This corresponds to a default value of 4.0 V.

IOUT_CAL_OFFSET (39h)

The IOUT_CAL_OFFSET is used to compensate for offset errors in the READ_IOUT results and the IOUT_OC_FAULT_LIMIT and IOUT_OC_WARN_LIMIT thresholds. The units are amperes. The default setting is 0 A. The resolution of the argument for this command is 62.5 mA and the range is +3937.5 mA to -4000 mA. Values written outside of this range alias into the supported range. This occurs because the read-only bits are fixed. The exponent is always –4 and the 5 msb bits of the Mantissa are always equal to the sign bit. The contents of this register can be stored to non-volatile memory using the STORE_USER_ALL command.

COMMAND IOUT_CAL_OFFSET
Format Linear, two's complement binary
Bit Position 7 6 5 4 3 2 1 0 7 6 5 4 3 2 1 0
Access r r r r r r/w r r r r r/w r/w r/w r/w r/w r/w
Function Exponent Mantissa
Default Value 1 1 1 0 0 0 0 0 0 0 0 0 0 0 0 0

Exponent

–4 (dec), fixed.

Mantissa

MSB is programmable with sign, next 4 bits are sign extend only.
Lower six bits are programmable with a default value of 0 (dec).

IOUT_OC_FAULT_LIMIT (46h)

The IOUT_OC_FAULT_LIMIT command sets the value of the output current, in amperes, that causes the overcurrent detector to indicate an overcurrent fault condition. The IOUT_OC_FAULT_LIMIT should be set equal to or greater than the IOUT_OC_WARN_LIMIT. Writing a value to IOUT_OC_FAULT_LIMIT less than IOUT_OC_WARN_LIMIT causes the device to set the CML bit in the STATUS_BYTE and the invalid data (ivd) bit in the STATUS_CML registers as well as assert SMBALERT. The contents of this register can be stored to non-volatile memory using the STORE_USER_ALL command.

The IOUT_OC_FAULT_LIMIT takes a two-byte data word formatted as shown below:

COMMAND IOUT_OC_FAULT_LIMIT
Format Linear, two's complement binary
Bit Position 7 6 5 4 3 2 1 0 7 6 5 4 3 2 1 0
Access r r r r r r r r r r/w r/w r/w r/w r/w r/w r/w
Function Exponent Mantissa
Default Value See Below

Exponent

–1 (dec), fixed.

Mantissa

The upper four bits are fixed at 0.
The lower seven bits are programmable.

The actual output current for a given mantissa and exponent is shown in Equation 5.

Equation 5. TPS544B20 TPS544C20 q_ioutoc_lus930.gif

The default values and allowable ranges for each device are summarized below:

DEVICE OC_FAULT_LIMIT UNIT
MIN DEFAULT MAX
TPS544C20 5 39 45 A
TPS544B20 5 26 30 A

IOUT_OC_FAULT_RESPONSE (47h)

The IOUT_OC_FAULT_RESPONSE command instructs the device on what action to take in response to an IOUT_OC_FAULT_LIMIT or a VOUT undervoltage (UV) fault. The device also:

  • Sets the IOUT_OC bit in the STATUS_BYTE
  • Sets the IOUT or POUT bit in the STATUS_WORD
  • Sets the IOUT OC Fault bit in the STATUS_IOUT register
  • Notifies the PMBus host by asserting SMBALERT

The contents of this register can be stored to non-volatile memory using the STORE_USER command.

COMMAND IOUT_OC_FAULT_RESPONSE
Format Unsigned binary
Bit Position 7 6 5 4 3 2 1 0
Access r r r/w r/w r/w r r r
Function X X RS[2] RS[1] RS[0] X X X
Default Value 0 0 0 0 0 1 1 1

RS[2:0]

000: A zero value for the Retry Setting means that the unit does not attempt to restart. The output remains disabled until the fault is cleared (See section 10.7 of the PMBus spec.)
111: A one value for the Retry Setting means that the unit goes through a normal startup (Soft start) continuously, without limitation, until it is commanded off or bias power is removed or another fault condition causes the unit to shutdown.
Any value other than 000 or 111 is not accepted. Attempting to write any other value is rejected, causing the device to assert SMBALERT along with the CML bit in STATUS_BYTE and the invalid data bit in STATUS_CML.

IOUT_OC_WARN_LIMIT (4Ah)

The IOUT_OC_WARN_LIMIT command sets the value of the output current, in amperes, that causes the over-current detector to indicate an over-current warning. When this current level is exceeded the device:

  • Sets the OTHER bit in the STATUS_BYTE
  • Sets the IOUT or POUT bit in the STATUS_WORD
  • Sets the IOUT overcurrent Warning (OCW) bit in the STATUS_IOUT register, and
  • Notifies the host by asserting SMBALERT

The IOUT_OC_WARN_LIMIT threshold should always be set to less than or equal to the IOUT_OC_FAULT_LIMIT. Writing a value to IOUT_OC_WARN_LIMIT greater than IOUT_OC_FAULT_LIMIT causes the device to set the CML bit in the STATUS_BYTE and the invalid data (ivd) bit in the STATUS_CML registers as well as assert SMBALERT. The contents of this register can be stored to non-volatile memory using the STORE_USER_ALL command.

The IOUT_OC_WARN_LIMIT takes a two byte data word formatted as shown below:

COMMAND IOUT_OC_WARN_LIMIT
Format Linear, two's complement binary
Bit Position 7 6 5 4 3 2 1 0 7 6 5 4 3 2 1 0
Access r r r r r r r r r r/w r/w r/w r/w r/w r/w r/w
Function Exponent Mantissa
Default Value See Below

Exponent

–1 (dec), fixed.

Mantissa

The upper four bits are fixed at 0.
Lower seven bits are programmable.

The actual output warning current level for a given mantissa and exponent is:

Equation 6. TPS544B20 TPS544C20 eq_iout_ocw.gif

The default values and allowable ranges for each device are summarized below:

DEVICE OC_WARN_LIMIT UNIT
MIN DEFAULT MAX
TPS544C20 4 30 45 A
TPS544B20 4 20 30 A

OT_FAULT_LIMIT (4Fh)

The OT_FAULT_LIMIT command sets the value of the temperature, in degrees Celsius, that causes an over-temperature fault condition, when the sensed temperature from the external sensor exceeds this limit. Upon triggering the over-temperature fault, the device takes the following actions:

Once the over-temperature fault is tripped, the output is latched off until the external sensed temperature falls 20°C from the OT_FAULT_LIMIT, at which point the output goes through a normal startup (soft-start).

The OT_FAULT_LIMIT must always be greater than the OT_WARN_LIMIT. Writing a value to OT_FAULT_LIMIT less than or equal to OT_WARN_LIMIT causes the device to set the CML bit in the STATUS_BYTE and the invalid data (ivd) bit in the STATUS_CML registers as well as asserts SMBALERT. The contents of this register can be stored to non-volatile memory using the STORE_USER_ALL command.

The OT_FAULT_LIMIT takes a two byte data word formatted as shown below.

COMMAND OT_FAULT_LIMIT
Format Unsigned binary
Bit Position 7 6 5 4 3 2 1 0 7 6 5 4 3 2 1 0
Access r r r r r r r r r/w r/w r/w r/w r/w r/w r/w r/w
Function Exponent Mantissa
Default Value 0 0 0 0 0 0 0 0 1 0 0 1 0 1 1 0

Exponent

0 (dec), fixed.

Mantissa

The upper three bits are fixed at 0.
Lower eight bits are programmable with a default value of 150 (dec).

The default over-temperature fault setting is 150°C. Values can range from 120°C to 165°C in 1°C increments.

OT_WARN_LIMIT (51h)

The OT_ WARN _LIMIT command sets the value of the temperature, in degrees Celsius, that causes an over-temperature warning condition, when the sensed temperature from the external sensor exceeds this limit. Upon triggering the over-temperature warning, the device takes the following actions:

Once the over-temperature warning is tripped, the warning flag is latched until the external sensed temperature falls 20°C from the OT_WARN_LIMIT.

The OT_WARN_LIMIT must always be less than the OT_FAULT_LIMIT. Writing a value to OT_WARN_LIMIT greater than or equal to OT_FAULT_LIMIT causes the device to set the CML bit in the STATUS_BYTE and the invalid data (ivd) bit in the STATUS_CML registers as well as assert SMBALERT. The contents of this register can be stored to non-volatile memory using the STORE_USER_ALL command.

The OT_WARN_LIMIT takes a two byte data word formatted as shown below:

COMMAND OT_WARN_LIMIT
Format Unsigned binary
Bit Position 7 6 5 4 3 2 1 0 7 6 5 4 3 2 1 0
Access r r r r r r r r r/w r/w r/w r/w r/w r/w r/w r/w
Function Exponent Mantissa
Default Value 0 0 0 0 0 0 0 0 0 1 1 1 1 1 0 1

Exponent

0 (dec), fixed.

Mantissa

The upper three bits are fixed at 0.
Lower eight bits are programmable with a default value of 125 (dec).

The default over-temperature fault setting is 125°C. Values can range from 100°C to 140°C in 1°C increments.

TON_RISE (61h)

The TON_RISE command sets the time in ms, from when the reference starts to rise until the voltage has entered the regulation band. It also determines the rate of the transition of the reference voltage (either due to VREF_TRIM or STEP_VREF_MARGIN_x commands) when this transition is executed during the soft-start period. There are several discrete settings that this command supports. Commanding a value other than one of these values results in the nearest supported value being selected.

The supported TON_RISE times over PMBus are shown in Table 8:

Table 8. Supported TON_RISE Values

TON_RISE VALUES (ms)
0.6 0.9 1.2 1.7 2.7 (default)
4.2 6.0 9.0

A value of 0 ms instructs the unit to bring its output voltage to the programmed regulation value as quickly as possible. The contents of this register can be stored to non-volatile memory using the STORE_USER_ALL command.

The TON_RISE command is formatted as a linear mode two’s complement binary integer.

COMMAND TON_RISE
Format Linear, two's complement binary
Bit Position 7 6 5 4 3 2 1 0 7 6 5 4 3 2 1 0
Access r r r r r r r r r/w r/w r/w r/w r/w r/w r/w r/w
Function Exponent Mantissa
Default Value 1 1 1 0 0 0 0 0 0 0 1 0 1 0 1 1

Exponent

–4 (dec), fixed.

Mantissa

The upper two bits are fixed at 0.
The lower eight bits are programmable with a default value of 43 (dec).

STATUS_BYTE (78h)

The STATUS_BYTE command returns one byte of information with a summary of the most critical device faults.

COMMAND STATUS_BYTE
Format Unsigned binary
Bit Position 7 6 5 4 3 2 1 0
Access r r r r r r r r
Function X OFF VOUT_OV IOUT_OC VIN_UV TEMPERATURE CML NONE OF THE ABOVE
Default Value 0 0 0 0 0 0 0 0

A "1" in any of these bit positions indicates that:

OFF:
The device is not providing power to the output, regardless of the reason. In this family of devices, this flag means that the converter is not enabled.
VOUT_OV:
An output overvoltage fault has occurred.
IOUT_OC:
An output over current fault has occurred.
VIN_UV:
An input undervoltage fault has occurred.
TEMPERATURE:
A temperature fault or warning has occurred. Check STATUS_TEMPERATURE.
CML:
A Communications, Memory or Logic fault has occurred. Check STATUS_CML.
NONE OF THE ABOVE:
A fault or warning not listed in bit1 through bits 1-7 has occurred, for example an undervoltage condition or an over current warning condition. Check other status registers.

STATUS_WORD (79h)

The STATUS_WORD command returns two bytes of information with a summary of the device fault and warning conditions. The low byte is identical to the STATUS_BYTE above. The additional byte reports the warning conditions for output overvoltage and overcurrent, as well as the power good status of the converter.

COMMAND STATUS_WORD (low byte) = STATUS_BYTE
Format Unsigned binary
Bit Position 7 6 5 4 3 2 1 0
Access r r r r r r r r
Function X OFF VOUT_OV IOUT_OC VIN_UV TEMPERATURE CML NONE OF THE ABOVE
Default Value 0 x 0 0 0 0 0 0

A "1" in any of the low byte (STATUS_BYTE) bit positions indicates that:

OFF:
The device is not providing power to the output, regardless of the reason. In this family of devices this flag means that the converter is not enabled.
VOUT_OV:
An output overvoltage fault has occurred.
IOUT_OC:
An output over current fault has occurred.
VIN_UV:
An input undervoltage fault has occurred.
TEMPERATURE:
A temperature fault or warning has occurred. Check STATUS_TEMPERATURE.
CML:
A Communications, Memory or Logic fault has occurred. Check STATUS_CML.
NONE OF THE ABOVE:
A fault or warning not listed in bits 1-7 has occurred. See other status registers.
COMMAND STATUS_WORD (high byte)
Format Unsigned binary
Bit Position 7 6 5 4 3 2 1 0
Access r r r r r r r r
Function VOUT IOUT or POUT X MFR POWER_GOOD X X X
Default Value 0 0 0 0 0 0 0 0

A "1" in any of the high byte bit positions indicates that:

VOUT:
An output voltage fault or warning has occurred. Check STATUS_VOUT.
IOUT/POUT:
An output current warning or fault has occurred. The PMBus specification states that this warning also applies to output power. This family of devices does not support output power warnings or faults. Check STATUS_IOUT.
MFR:
An internal thermal shutdown (TSD) fault has occurred in the device. Check STATUS_MFR_SPECIFIC.
POWER_GOOD:
The power good signal has not transitioned from high-to-low.

STATUS_VOUT (7Ah)

The STATUS_VOUT command returns one byte of information relating to the status of the output voltage related faults. The only bits of this register supported are:

  • VOUT_OV Fault
  • VOUT_UV Fault
COMMAND STATUS_VOUT
Format Unsigned binary
Bit Position 7 6 5 4 3 2 1 0
Access r r r r r r r r
Function VOUT OV Fault X X VOUT UV Fault X X X X
Default Value 0 0 0 0 0 0 0 0

A "1" in any of these bit positions indicates that:

VOUT OV Fault:
The device has seen the output voltage rise above the output overvoltage threshold.
VOUT UV Fault:
The device has seen the output voltage fall below the output undervoltage threshold.

STATUS_IOUT (7Bh)

The STATUS_IOUT command returns one byte of information relating to the status of the output current related faults. The only bits of this register supported are:

  • IOUT_OC Fault
  • IOUT_OC Warning
COMMAND STATUS_IOUT
Format Unsigned binary
Bit Position 7 6 5 4 3 2 1 0
Access r r r r r r r r
Function IOUT_OC Fault X IOUT_OC Warning X X X X X
Default Value 0 0 0 0 0 0 0 0

A "1" in any of these bit positions indicates that:

IOUT_OC Fault:
The device has seen the output current rise above the level set by IOUT_OC_FAULT_LIMIT.
IOUT_OC Warn:
The device has seen the output current rise relating to the level set by IOUT_OC_WARN_LIMIT.

STATUS_TEMPERATURE (7Dh)

The STATUS_TEMPERATURE command returns one byte of information relating to the status of the external temperature related faults. The only bits of this register supported are:

  • OT Fault
  • OT Warning
COMMAND STATUS_TEMPERATURE
Format Unsigned binary
Bit Position 7 6 5 4 3 2 1 0
Access r r r r r r r r
Function OT Fault OT Warning X X X X X X
Default Value 0 0 0 0 0 0 0 0

A "1" in any of these bit positions indicates that:

OT Fault:
The measured external temperature has exceeded the level set by OT_FAULT_LIMIT.
OT Warning:
The measured external temperature has exceeded the level set by OT_WARN_LIMIT.

STATUS_CML (7Eh)

The STATUS_CML command returns one byte of information relating to the status of the converter’s communication related faults. The bits of this register supported by the this family of devices are:

  • Invalid or Unsuppported Command
  • Invalid or Unsupported Data
  • Packet Error Check Failed
  • Memory Fault Detected
  • Other Communication Fault.
COMMAND STATUS_CML
Format Unsigned binary
Bit Position 7 6 5 4 3 2 1 0
Access r r r r r r r r
Function Invalid or
Unsupported Command
Invalid or
Unsupported Data
Packet Error Check Failed Memory Fault Detected X X Other Communication Fault X
Default Value 0 0 0 0 0 0 0 0

A "1" in any of these bit positions indicates that:

Invalid or Unsupported Command:
An invalid or unsupported command has been received.
Invalid or Unsupported Data
Invalid or unsupported data has been received
Packet Error Check Failed
A packet has failed the CRC checksum error check.
Memory Fault Detected
A fault has been detected with the internal memory.
Other Communication Fault
Some other communication fault or error has occurred

STATUS_MFR_SPECIFIC (80h)

The STATUS_MFR_SPECIFIC command returns one byte of information relating to the status of manufacturer-specific faults or warnings.

COMMAND STATUS_MFR_SPECIFIC
Format Unsigned binary
Bit Position 7 6 5 4 3 2 1 0
Access r r r r r r r r
Function OTFI X X IVFREQ X X X X
Default Value 0 0 0 0 0 0 0 0

A "1" in any of these bit positions indicates that:

OTFI:
The internal temperature is above the thermal shutdown (TSD) fault threshold
IVFREQ:
The switching frequency detection circuit is not resolving to a valid selection based on the RT resistor.

READ_VOUT (8Bh)

The READ_VOUT commands returns two bytes of data in the linear data format that represent the output voltage of the controller. The output voltage is sensed at the remote sense amplifier output pin so voltage drop to the load is not accounted for. The data format is as shown below:

COMMAND READ_VOUT
Format Linear, two's complement binary
Bit Position 7 6 5 4 3 2 1 0 7 6 5 4 3 2 1 0
Access r r r r r r r r r r r r r r r r
Function Mantissa
Default Value 0 0 0 0 0 0 0 0 0 0 0 0 0 0 0 0

The setting of the VOUT_MODE affects the results of this command as well. In this family of devices, VOUT_MODE is set to linear mode with an exponent of –9 and cannot be altered. The output voltage calculation is shown in Equation 7.

Equation 7. TPS544B20 TPS544C20 q_voutmantissa_lusaq4.gif

READ_IOUT (8Ch)

The READ_IOUT commands returns two bytes of data in the linear data format that represent the output current of the controller. The average output current is sensed according to the method described in Low-Side MOSFET Current Sensing and Overcurrent Protection. The data format is as shown below:

COMMAND READ_IOUT
Format Linear, two's complement binary
Bit Position 7 6 5 4 3 2 1 0 7 6 5 4 3 2 1 0
Access r r r r r r r r r r r r r r r r
Function Exponent Mantissa
Default Value 1 1 1 0 0 0 0 0 0 0 0 0 0 0 0 0

The device scales the output current before it reaches the internal analog to digital converter so that resolution of the output current read is 62.5 mA. The maximum value that can be reported is 64 A. The user must set the IOUT_CAL_OFFSET parameter correctly in order to obtain accurate results. Calculate the output current using Equation 8.

Equation 8. TPS544B20 TPS544C20 q_ioutm_lus930.gif

Exponent

Fixed at -4.

Mantissa

The lower 10 bits are the result of the ADC conversion of the average output current, as indicated by the output of the internal current sense amplifier. The 11th bit is fixed at 0 because only positive numbers are considered valid. Any computed negative current is reported as 0 A.

READ_TEMPERATURE_2 (8Eh)

The READ_TEMPERATURE_2 command returns the external temperature in degrees Celsius of the current channel.

COMMAND READ_TEMPERATURE_2
Format Linear, two's complement binary
Bit Position 7 6 5 4 3 2 1 0 7 6 5 4 3 2 1 0
Access r r r r r r r r r r r r r r r r
Function Exponent Mantissa
Default Value 0 0 0 0 0 0 0 0 0 0 0 1 1 0 0 1

Exponent

0 (dec), fixed.

Mantissa

The lower 11 bits are the result of the ADC conversion of the external temperature. The default reading is 25 (dec) corresponding to a temperature of 25°C.

PMBUS_REVISION (98h)

The PMBUS_REVISION command returns a single, unsigned binary byte that indicates that these devices are compatible with the 1.1 revision of the PMBus specification.

COMMAND PMBUS_REVISION
Format Unsigned binary
Bit Position 7 6 5 4 3 2 1 0
Access r r r r r r r r
Default Value 0 0 0 1 0 0 0 1

MFR_SPECIFIC_00 (D0h)

The MFR_SPECIFIC_00 register is dedicated as a user scratch pad.

COMMAND MFR_SPECIFIC_00
Format Unsigned binary
Bit Position 7 6 5 4 3 2 1 0 7 6 5 4 3 2 1 0
Access r/w r/w r/w r/w r/w r/w r/w r/w r/w r/w r/w r/w r/w r/w r/w r/w
Function User scratch pad
Default Value 0 0 0 0 0 0 0 0 0 0 0 0 0 0 0 0

The contents of this register can be stored to non-volatile memory using the STORE_USER_ALL command.

VREF_TRIM (MFR_SPECIFIC_04) (D4h)

The VREF_TRIM command applies a fixed offset voltage to the reference voltage. It is most typically used to trim the output voltage at the time the PMBus device is assembled into the final application design. The contents of this register can be stored to non-volatile memory using the STORE_USER_ALL command.

the settings of the VOUT_MODE command determine the effect of VREF_TRIM command. In this device, the VOUT_MODE is fixed to Linear with an exponent of –9 (decimal).

Equation 9. TPS544B20 TPS544C20 q_vrefoffset_lusaq4.gif

The maximum trim ranges between –20% to +10% of the nominal reference voltage (600 mV) in 2 mV steps. Permissible values range from –120 mV to +60 mV. If a value outside this range is given with this command, the device sets the reference voltage to the upper or lower limit depending on the direction of the setting, asserts SMBALERT and sets the CML bit in STATUS_BYTE and the invalid data bit in STATUS_CML.

Including settings from both VREF_TRIM and STEP_VREF_MARGIN_x commands, the net permissible reference voltage adjustment range is –180 mV to +60 mV (-30% to +10%). If a value outside this range is given with this command, the device sets the reference voltage to the upper or lower limit depending on the direction of the setting, asserts SMBALERT and sets the CML bit in STATUS_BYTE and the invalid data bit in STATUS_CML.

The reference voltage transition occurs at the rate determined by the TON_RISE command if the transition is executed during the soft-start period. Any transition in the reference voltage after soft-start is complete occurs at the slew rate defined by the slowest soft-start time, or 0.067 mV/µs. For example, a trim which moves the reference by 10%, occurs in approximately 900 µs.

COMMAND VREF_TRIM
Format Linear, two’s complement binary
Bit Position 7 6 5 4 3 2 1 0 7 6 5 4 3 2 1 0
Access r/w r r r r r r r r r r/w r/w r/w r/w r/w r/w
Function High Byte Low Byte
Default Value 0 0 0 0 0 0 0 0 0 0 0 0 0 0 0 0

STEP_VREF_MARGIN_HIGH (MFR_SPECIFIC_05) (D5h)

The STEP_VREF_MARGIN_HIGH command sets the target voltage which the reference voltage changes to when the OPERATION command is set to "Margin High". The contents of this register can be stored to non-volatile memory using the STORE_USER_ALL command.

The effect of this command is determined by the settings of the VOUT_MODE command. In this device, the VOUT_MODE is fixed to Linear with an exponent of –9 (decimal). The actual reference voltage commanded by a margin high command can be found by:

Equation 10. TPS544B20 TPS544C20 q_vrefmh_lusaq4.gif

The margin high range is between 0% and 10% of the nominal reference voltage (600 mV) in 2-mV steps. Permissible values range from 0 mV to 60 mV. If a value outside this range is given with this command, the device sets the reference voltage to the upper or lower limit depending on the direction of the setting, asserts SMBALERT and sets the CML bit in STATUS_BYTE and the invalid data bit in STATUS_CML.

Including settings from both VREF_TRIM and STEP_VREF_MARGIN_x commands, the net permissible reference voltage adjustment range is –180 mV to 60 mV (-30% to 10%). If a value outside this range is given with this command, the device sets the reference voltage to the upper or lower limit depending on the direction of the setting, asserts SMBALERT and sets the CML bit in STATUS_BYTE and the invalid data bit in STATUS_CML.

The reference voltage transition occurs at the rate determined by the TON_RISE command if the transition is executed during soft-start. Any transition in the reference voltage after soft-start is complete occurs at the slew rate defined by the slowest soft-start time, or 0.067 mV/µs. For example, a trim which moves the reference by 10%, occurs in approximately 900 µs.

COMMAND STEP_VREF_MARGIN_HIGH
Format Linear, two's complement binary
Bit Position 7 6 5 4 3 2 1 0 7 6 5 4 3 2 1 0
Access r r r r r r r r r r r r/w r/w r/w r/w r/w
Function High Byte Low Byte
Default Value 0 0 0 0 0 0 0 0 0 0 0 1 1 1 1 0

The default value of STEP_VREF_MARGIN_HIGH is 30 (dec), corresponding to a default margin high voltage of 60 mV (+10%) .

STEP_VREF_MARGIN_LOW (MFR_SPECIFIC_06) (D6h)

The STEP_VREF_MARGIN_LOW command sets the target voltage which the reference voltage changes to when the OPERATION command is set to Margin Low. The contents of this register can be stored to non-volatile memory using the STORE_USER_ALL command.

The effect of this command is determined by the settings of the VOUT_MODE command. In this device, the VOUT_MODE is fixed to Linear with an exponent of –9 (decimal). Equation 11 shows the actual output voltage commanded by a margin high command.

Equation 11. TPS544B20 TPS544C20 q_vrefml_lusaq4.gif

The margin low ranges between –20% and 0% of the nominal reference voltage (600 mV) in 2-mV steps. Permissible values range from –120 mV to 0 mV. If a value outside this range is given with this command, the device sets the reference voltage to the upper or lower limit depending on the direction of the setting, asserts SMBALERT and sets the CML bit in STATUS_BYTE and the invalid data bit in STATUS_CML.

Including settings from both VREF_TRIM and STEP_VREF_MARGIN_x commands, the net permissible reference voltage adjustment range is –180 mV to 60 mV (–30% to +10%). If a value outside this range is given with this command, the device sets the reference voltage to the upper or lower limit depending on the direction of the setting, asserts SMBALERT and sets the CML bit in STATUS_BYTE and the invalid data bit in STATUS_CML.

The reference voltage transition occurs at the rate determined by the TON_RISE command if the transition is executed during the soft-start period. Any transition in the reference voltage after soft-start is complete occurs at the slew rate defined by the slowest soft-start time, or 0.067 mV/µs. For example, a trim which moves the reference by 10%, occurs in approximately 900 µs.

COMMAND STEP_VREF_MARGIN_LOW
Format Linear, two's complement binary
Bit Position 7 6 5 4 3 2 1 0 7 6 5 4 3 2 1 0
Access r/w r r r r r r r r r r/w r/w r/w r/w r/w r/w
Function High Byte Low Byte
Default Value 1 1 1 1 1 1 1 1 1 1 1 0 0 0 1 0

The default value of STEP_VREF_MARGIN_LOW is –30 (dec), corresponding to a default margin low voltage of –60 mV (–10%).

PCT_VOUT_FAULT_PG_LIMIT (MFR_SPECIFIC_07) (D7h)

The PCT_VOUT_FAULT_PG_LIMIT command is used to set the PGOOD, VOUT_UNDER_VOLTAGE (UV) and VOUT_OVER_VOLTAGE (OV) limits as a percentage of nominal.

The PCT_VOUT_FAULT_PG_LIMIT takes a one byte data word formatted as shown below:

COMMAND PCT_VOUT_FAULT_PG_LIMIT
Format Unsigned binary
Bit Position 7 6 5 4 3 2 1 0
Access r r r r r r r/w r/w
Function X X X X X X PCT_MSB PCT_LSB
Default Value 0 0 0 0 0 0 0 0

The PGOOD, VOUT_UNDER_VOLTAGE (UV) and VOUT_OVER_VOLTAGE (OV) settings are shown in Table 9, as a percentage of nominal reference voltage on the FB pin.

Table 9. Protection Settings (typical)

PCT_MSB PCT_LSB UV PGL LOW PGH HIGH OV
0 0 -16.8% -12.5% 12.5% 16.8%
0 1 -12.0% -7.0% 7.0% 12.0%
1 0 -28.0% -22.0% 7.0% 12.0%
1 1 -42.0% -36.0% 7.0% 12.0%

The PGOOD pin may trip if the output voltage is too high (using PGH high) or too low (using PGL low). Additionally, the PGOOD pin has hysteresis.

Additionally, when output overvoltage (OV) is tripped, the output must lower below the PGH high threshold minus the hysteresis, before PGOOD and OV are reset. Likewise, when output undervoltage (UV) is tripped, the output must rise above the PGOOD high threshold plus the hysteresis, before PGOOD and UV are reset.

SEQUENCE_TON_TOFF_DELAY (MFR_SPECIFIC_08) (D8h)

The SEQUENCE_TON_TOFF_DELAY command is used to set the delay for turning on the device and turning off the device as a ratio of TON_RISE.

The SEQUENCE_TON_TOFF_DELAY takes a one byte data word formatted as shown below:

COMMAND SEQUENCE_TON_TOFF_DELAY
Format Unsigned binary
Bit Position 7 6 5 4 3 2 1 0
Access r/w r/w r/w r r/w r/w r/w r
Function TON_DELAY X TOFF_DELAY X
Default Value 0 0 0 0 0 0 0 0
TON_DELAY:
This parameter selects the delay from when the output is enabled until soft-start beings, as an integer multiple of the TON_RISE time. The default value is 0. Values can range from 0 to 7 in increments of 1. When TON_DELAY = 0, the device imposes a minimum delay of 50 µs.
TOFF_DELAY:
This parameter selects the delay from when the output is disabled until the output stops switching, as an integer multiple of the TON_RISE time. The default value is 0. Values can range from 0 to 7 in increments of 1.

OPTIONS (MFR_SPECIFIC_21) (E5h)

The OPTIONS register can be used for setting user selectable options, as shown below.

COMMAND OPTIONS
Format Unsigned binary
Bit Position 7 6 5 4 3 2 1 0 7 6 5 4 3 2 1 0
Access r r r r r r r r r r r r r r/w r r
Function X X X X X X X X X X X X X EN_ADC_CNTL X X
Default Value 0 0 0 0 0 0 0 0 0 1 1 1 0 1 0 0

The contents of this register can be stored to non-volatile memory using the STORE_USER_ALL command.

A “1” in any of these bit positions indicates that:

EN_ADC_CNTL:
Enables ADC operation used for voltage, current and temperature monitoring.

NOTE

The EN_ADC_CNTL bit must be set in order to enable output voltage, current and temperature telemetry. When the EN_ADC_CNTL bit is zero, the READ_VOUT, READ_IOUT and READ_TEMPERATURE_2 registers do not update continuously, and retain their previous values from the last time EN_ADC_CNTL was set.

MASK_SMBALERT (MFR_SPECIFIC_23) (E7h)

The MASK SMBALERT command may be used to prevent a warning or fault condition from asserting SMBALERT.

COMMAND MASK_SMBALERT (High Byte)
Format Unsigned Binary
Bit Position 7 6 5 4 3 2 1 0
Access r/w r/w r/w r/w r/w r/w r/w r/w
Function mOTFI mPRTCL mSMBTO mIVC mIVD mPEC mMEM Auto_ARA
Default Value 0 0 0 0 0 0 0 1
COMMAND MASK_SMBALERT (Low Byte)
Format Unsigned binary
Bit Position 7 6 5 4 3 2 1 0
Access r/w r/w r/w r/w r/w r/w r/w r/w
Function mOTF mOTW mOCF mOCW mOVF mUVF mPGOOD mVIN_UV
Default Value 0 0 0 0 0 0 0 0

mOTFI

This bit controls whether an internal overtemperature fault (OTFI) asserts SMBALERT.

  • 0: OTFI (STATUS_MFR_SPECIFIC[7]) asserts SMBALERT.
  • 1: OTFI does not assert SMBALERT.

mPRTCL

This bit controls whether an SMBus Protocol Error causes SMBALERT to assert.

  • 0: SMBus Protocol Errors assert SMBALERT.
  • 1: SMBus Protocol Errors do not assert SMBALERT.

mSMBTO

This bit controls whether an SMBus Timeout causes SMBALERT to assert.

  • 0: SMBus Timeout asserts SMBALERT.
  • 1: SMBus Timeout does not assert SMBALERT.

mIVC

This bit controls whether an invalid command (IVC) causes SMBALERT to assert.

  • 0: Issuing an invalid command asserts SMBALERT.
  • 1: Issuing an invalid command does not assert SMBALERT.

mIVD

This bit controls whether an invalid or unsupported data (IVD) causes SMBALERT to assert.

  • 0: Issuing invalid or unsupported data asserts SMBALERT.
  • 1: Issuing invalid or unsupported data does not assert SMBALERT.

mPEC

This bit controls whether an invalid packet error check (PEC) byte causes SMBALERT to assert.

  • 0: Invalid PEC byte asserts SMBALERT.
  • 1: Invalid PEC byte does not assert SMBALERT.

mMEM

This bit controls whether a memory error (MEM) causes SMBALERT to assert.

  • 0: Memory error (MEM) asserts SMBALERT.
  • 1: Memory error (MEM) does not assert SMBALERT.

Auto_ARA

This bit controls whether the Auto ARA Response is enabled.

  • 0: Auto ARA is disabled. Host must take all action necessary to clear SMBALERT
  • 1: Auto ARA is enabled. The device releases SMBALERT after successfully responding to an ARA from the host.

mOTF

This bit controls whether an overtemperature fault (OTF) causes SMBALERT to assert.

  • 0: Overtemperature fault (OTF) asserts SMBALERT.
  • 1: Overtemperature fault does not assert SMBALERT.

mOTW

This bit controls whether an overtemperature warning (OTW) causes SMBALERT to assert.

  • 0: Overtemperature warning (OTW) asserts SMBALERT.
  • 1: Overtemperature warning (OTW) does not assert SMBALERT.

mOCF

This bit controls whether an overcurrent fault (OCF) causes SMBALERT to assert.

  • 0: Overcurrent fault (OCF) asserts SMBALERT to assert.
  • 1: Overcurrent fault (OCF) does not assert SMBALERT.

mOCW

This bit controls whether an overcurrent warning (OCW) causes SMBALERT to assert.

  • 0: Overcurrent warning (OCW) asserts SMBALERT.
  • 1: Overcurrent warning (OCW) does not assert SMBALERT.

mOVF

This bit controls whether an output overvoltage (OVF) causes SMBALERT to assert.

  • 0: Output overvoltage fault (OVF) causes SMBALERT to assert.
  • 1: Mask SMBALERT assertion due to STATUS_VOUT[7].

mUVF

This bit controls whether an output undervoltage (UVF) causes SMBALERT to assert.

  • 0: Output undervoltage fault (UVF) asserts SMBALERT.
  • 1: Output undervoltage fault does not assert SMBALERT.

mPGOOD

This bit controls whether a PGOOD transition from high-to-low causes SMBALERT to assert.

  • 0: PGOOD transition from high-to-low asserts SMBALERT.
  • 1: PGOOD transition from high to low does not assert SMBALERT.

mVIN_UV

This bit controls whether an input undervoltage fault (VIN_UV) causes SMBALERT to assert.

  • 0: Input undervoltage fault (VIN_UV) asserts SMBALERT.
  • 1: Input undervoltage fault (VIN_UV) does not assert SMBALERT.

DEVICE_CODE (MFR_SPECIFIC_44) (FCh)

The DEVICE_CODE command returns a two byte unsigned binary 12-bit device identifier code and 4-bit revision code in the following format.

COMMAND MFR_SPECIFIC_44
Format Linear, two's complement binary
Bit Position 7 6 5 4 3 2 1 0 7 6 5 4 3 2 1 0
Access r r r r r r r r r r r r r r r r
Function Identifier Code Revision Code
Default Value See Below.

This command provides similar information to the DEVICE_ID command but for devices that do not support block read and write functions.

The fixed, read-only values for each device are summarized below:

DEVICE IDENTIFIER CODE REVISION CODE REGISTER VALUE
TPS544C20 015h 3h 0153h
TPS544B20 014h 3h 0143h