ZHCSP88B December   2022  – October 2024 TPS25762-Q1

PRODUCTION DATA  

  1.   1
  2. 特性
  3. 应用
  4. 说明
  5. 器件比较表
  6. 引脚配置和功能
  7. 规格
    1. 6.1  绝对最大额定值
    2. 6.2  ESD 等级
    3. 6.3  建议运行条件
    4. 6.4  建议元件
    5. 6.5  热性能信息
    6. 6.6  降压/升压稳压器
    7. 6.7  CC 电缆检测参数
    8. 6.8  CC VCONN 参数
    9. 6.9  CC PHY 参数
    10. 6.10 热关断特性
    11. 6.11 振荡器特性
    12. 6.12 ADC 特性
    13. 6.13 TVSP 参数
    14. 6.14 输入/输出 (I/O) 特性
    15. 6.15 BC1.2 特性
    16. 6.16 I2C 要求和特性
    17. 6.17 典型特性
  8. 参数测量信息
  9. 详细说明
    1. 8.1 概述
    2. 8.2 功能方框图
    3. 8.3 特性说明
      1. 8.3.1  器件电源管理和监控电路
        1. 8.3.1.1 VIN UVLO 和使能/UVLO
        2. 8.3.1.2 内部 LDO 稳压器
      2. 8.3.2  TVSP 器件配置和 ESD 保护
      3. 8.3.3  降压/升压稳压器
        1. 8.3.3.1  降压/升压稳压器运行
        2. 8.3.3.2  开关频率、频率抖动、相移和同步
        3. 8.3.3.3  VIN 电源和 VIN 过压保护
        4. 8.3.3.4  反馈路径和误差放大器
        5. 8.3.3.5  跨导体和补偿
        6. 8.3.3.6  输出电压 DAC、软启动和电缆压降补偿
        7. 8.3.3.7  VBUS 过压保护
        8. 8.3.3.8  VBUS 欠压保护
        9. 8.3.3.9  电流检测电阻器 (RSNS) 和电流限制运行
        10. 8.3.3.10 降压/升压峰值电流限制
      4. 8.3.4  USB-PD 物理层
        1. 8.3.4.1 USB-PD 编码和信令
        2. 8.3.4.2 USB-PD 双相标记编码
        3. 8.3.4.3 USB-PD 发送 (TX) 和接收 (Rx) 掩码
        4. 8.3.4.4 USB-PD BMC 发送器
        5. 8.3.4.5 USB-PD BMC 接收器
        6. 8.3.4.6 静噪接收器
      5. 8.3.5  VCONN
      6. 8.3.6  电缆插拔和方向检测
        1. 8.3.6.1 配置为源端
        2. 8.3.6.2 配置为接收端
        3. 8.3.6.3 过压保护(Px_CC1,Px_CC2)
      7. 8.3.7  ADC
        1. 8.3.7.1 ADC 分压器分压比
      8. 8.3.8  BC 1.2 模式、传统模式和快速充电模式(Px_DP、Px_DM)
      9. 8.3.9  USB2.0 低速端点
      10. 8.3.10 数字接口
        1. 8.3.10.1 常规 GPIO
        2. 8.3.10.2 I2C 缓冲器
      11. 8.3.11 I2C 接口
        1. 8.3.11.1 I2C 接口说明
        2. 8.3.11.2 I2C 时钟延展
        3. 8.3.11.3 I2C 地址设置
        4. 8.3.11.4 唯一地址接口
        5. 8.3.11.5 I2C 上拉电阻计算
      12. 8.3.12 数字内核
        1. 8.3.12.1 器件存储器
        2. 8.3.12.2 内核微处理器
      13. 8.3.13 NTC 输入
      14. 8.3.14 热传感器和热关断
    4. 8.4 器件功能模式
  10. 应用和实施
    1. 9.1 应用信息
    2. 9.2 典型应用
      1. 9.2.1 设计要求
      2. 9.2.2 详细设计过程
        1. 9.2.2.1 应用程序 GUI 选择
        2. 9.2.2.2 EEPROM 选择
        3. 9.2.2.3 EN/UVLO
        4. 9.2.2.4 检测电阻器 RSNS、RCSP、RCSN 和 CFILT
        5. 9.2.2.5 电感器电流
        6. 9.2.2.6 输出电容器
        7. 9.2.2.7 输入电容器
      3. 9.2.3 应用曲线
    3. 9.3 电源相关建议
    4. 9.4 布局
      1. 9.4.1 布局指南
      2. 9.4.2 布局示例
  11. 10器件和文档支持
    1. 10.1 文档支持
      1. 10.1.1 相关文档
    2. 10.2 接收文档更新通知
    3. 10.3 支持资源
    4. 10.4 商标
    5. 10.5 静电放电警告
    6. 10.6 术语表
  12. 11修订历史记录
  13. 12机械、封装和可订购信息
    1.     103

封装选项

请参考 PDF 数据表获取器件具体的封装图。

机械数据 (封装 | 引脚)
  • RQL|29
散热焊盘机械数据 (封装 | 引脚)
订购信息

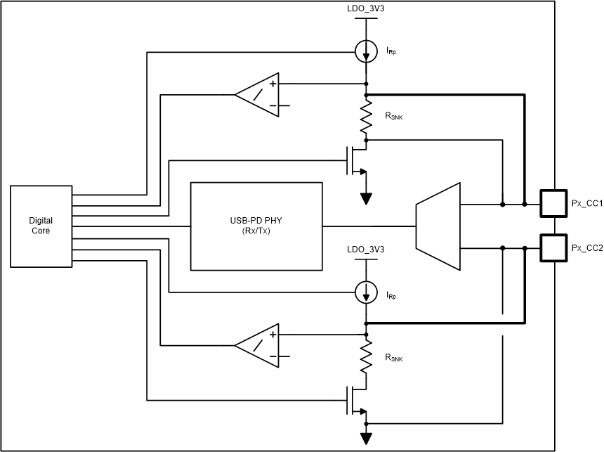
USB-PD 物理层

图 8-18 展示了 USB PD 物理层块,周围是简化版模拟插拔和方向检测块。该物理层块适用于端口 A。

TPS25762-Q1 USB-PD 物理层和简化版插拔和方向检测电路图 8-18 USB-PD 物理层和简化版插拔和方向检测电路

USB-PD 消息在 USB Type-C 系统内用 BMC(双相标记编码)信令发送。BMC 信号将在由于 USB-PD BMC 发送器 部分中讨论的 Rp(或 Rd)电缆连接机制而发生直流偏置的同一引脚(Px_CC1 或 Px_CC2)上输出。