SLRS066D January   2014  – March 2016 TPL7407L

PRODUCTION DATA.  

  1. Features
  2. Applications
  3. Description
  4. Revision History
  5. Pin Configuration and Functions
  6. Specifications
    1. 6.1 Absolute Maximum Ratings
    2. 6.2 ESD Ratings
    3. 6.3 Recommended Operating Conditions
    4. 6.4 Thermal Information
    5. 6.5 Electrical Characteristics
    6. 6.6 Switching Characteristics
    7. 6.7 Typical Characteristics
    8. 6.8 Thermal Characteristics
  7. Detailed Description
    1. 7.1 Overview
    2. 7.2 Functional Block Diagram
    3. 7.3 Feature Description
    4. 7.4 Device Functional Modes
      1. 7.4.1 Inductive Load Drive
      2. 7.4.2 Resistive Load Drive
  8. Application and Implementation
    1. 8.1 Application Information
    2. 8.2 Typical Application
      1. 8.2.1 Inductive Load Driver
        1. 8.2.1.1 Design Requirements
        2. 8.2.1.2 Detailed Design Procedure
          1. 8.2.1.2.1 TTL and other Logic Inputs
          2. 8.2.1.2.2 Input RC Snubber
          3. 8.2.1.2.3 High-impedance Input Drivers
          4. 8.2.1.2.4 Drive Current
          5. 8.2.1.2.5 Output Low Voltage
        3. 8.2.1.3 Application Curves
      2. 8.2.2 Unipolar Stepper Motschematic to correct Zener diode connection or Driver
        1. 8.2.2.1 Design Requirements
        2. 8.2.2.2 Detailed Design Procedure
        3. 8.2.2.3 Application Curves
      3. 8.2.3 Multi-Purpose Sink Driver
        1. 8.2.3.1 Design Requirements
        2. 8.2.3.2 Detailed Design Procedure
        3. 8.2.3.3 Application Curves
  9. Power Supply Recommendations
  10. 10Layout
    1. 10.1 Layout Guidelines
    2. 10.2 Layout Example
    3. 10.3 Thermal Considerations
      1. 10.3.1 Improving Package Thermal Performance
  11. 11Device and Documentation Support
    1. 11.1 Community Resources
    2. 11.2 Trademarks
    3. 11.3 Electrostatic Discharge Caution
    4. 11.4 Glossary
  12. 12Mechanical, Packaging, and Orderable Information

封装选项

机械数据 (封装 | 引脚)
散热焊盘机械数据 (封装 | 引脚)
订购信息

1 Features

  • 600-mA Rated Drain Current (Per Channel)
  • CMOS Pin-to-Pin Improvement of 7-channel Darlington Array (e.g. ULN2003A)
  • Power Efficient (Very low VOL)
    • Less Than 4 Times Lower VOL at 100 mA Than Darlington Array
  • Very Low Output Leakage < 10 nA Per Channel
  • Extended Ambient Temperature Range:
    TA = –40°C to 125°C
  • High-Voltage Outputs 40 V
  • Compatible with 1.8-V to 5.0-V Micro-controllers and Logic Interface
  • Internal Free-wheeling Diodes for Inductive Kick-back Protection
  • Input Pull-down Resistors Allows Tri-stating the Input Driver
  • Input RC-Snubber to Eliminate Spurious Operation in Noisy Environment
  • Inductive Load Driver Applications
  • ESD Protection Exceeds JESD 22
    • 2-kV HBM, 500-V CDM
  • Available in 16-pin SOIC and TSSOP Packages

2 Applications

  • Inductive Loads
    • Relays
    • Unipolar Stepper & Brushed DC Motors
    • Solenoids & Valves
  • LEDs
  • Logic Level Shifting
  • Gate & IGBT Drive

3 Description

The TPL7407L is a high-voltage, high-current NMOS transistor array. This device consists of seven NMOS transistors that feature high-voltage outputs with common-cathode clamp diodes for switching inductive loads. The maximum drain-current rating of a single NMOS channel is 600 mA. New regulation and drive circuitry added to give maximum drive strength across all GPIO ranges (1.8 V – 5.0 V).The transistors can be paralleled for higher current capability.

The TPL7407L's key benefit is its improved power efficiency and lower leakage than a Bipolar Darlington Implementation. With the lower VOL the user is dissipating less than half the power than traditional relay drivers with currents less than 250 mA per channel.

Device Information(1)

PART NUMBER PACKAGE (PINS) BODY SIZE (NOM)
TPL7407LD SOIC (16) 9.90 mm x 3.91 mm
TPL7407LPW TSSOP (16) 5.00 mm x 4.40 mm
  1. For all available packages, see the orderable addendum at the end of the datasheet.

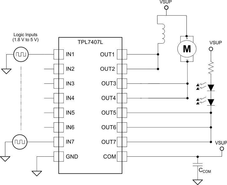
Simple Application Schematic

TPL7407L multi_drv.gif