ZHCSAA6E February   2012  – October 2015 TPD1E6B06

PRODUCTION DATA.  

  1. 特性
  2. 应用
  3. 说明
  4. 修订历史记录
  5. Pin Configuration and Functions
  6. Specifications
    1. 6.1 Absolute Maximum Ratings
    2. 6.2 ESD Ratings
    3. 6.3 Recommended Operating Conditions
    4. 6.4 Thermal Information
    5. 6.5 Electrical Characteristics
    6. 6.6 Typical Characteristics
  7. Detailed Description
    1. 7.1 Overview
    2. 7.2 Functional Block Diagram
    3. 7.3 Feature Description
    4. 7.4 Device Functional Modes
  8. Application and Implementation
    1. 8.1 Application Information
    2. 8.2 Typical Application
      1. 8.2.1 Design Requirements
      2. 8.2.2 Detailed Design Procedure
      3. 8.2.3 Application Curves
  9. Power Supply Recommendations
  10. 10Layout
    1. 10.1 Layout Guidelines
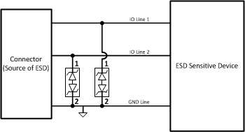
    2. 10.2 Layout Example
  11. 11器件和文档支持
    1. 11.1 社区资源
    2. 11.2 商标
    3. 11.3 静电放电警告
    4. 11.4 Glossary
  12. 12机械、封装和可订购信息

封装选项

机械数据 (封装 | 引脚)
散热焊盘机械数据 (封装 | 引脚)
订购信息

特性

  • IEC 61000-4-2 4 级静电放电 (ESD) 保护
    • ±15kV 接触放电
    • ±15kV 气隙放电
  • IEC 61000-4-5 浪涌:3.8A (8/20µs)
  • I/O 电容:6pF(典型值)
  • RDYN:0.55Ω(典型值)
  • 直流击穿电压:±6V(最小值)
  • 低泄漏电流 10nA(典型值)
  • 低 ESD 钳位电压
  • 工业温度范围:-40°C 至 125°C
  • 节省空间的 0201 封装
    (0.6mm × 0.3mm × 0.3mm)

应用

  • 终端设备
    • 移动电话
    • 平板电脑
    • 可穿戴产品
    • 远程控制器
    • 电子销售点 (EPOS)
  • 接口
    • 音频线路
    • 通用输入/输出 (GPIO)
    • 按钮

说明

TPD1E6B06 器件是一款用于静电放电 (ESD) 保护的单通道瞬态电压抑制器 (TVS) 二极管,采用小型 0201 封装。TPD1E6B06 的额定 ESD 冲击消散值高于 IEC 61000-4-2 4 级国际标准中规定的最高水平,并且具有 ±15kV 接触放电和 ±15kV 气隙 ESD 保护。该器件提供背靠背 TVS 二极管配置以支持双极或双向信号。6pF 线路电容适合为多种应用提供瞬态电压抑制电路 保护,支持的数据速率高达
800Mbps

TPD1E6B06 的典型应用接口包括音频线路(麦克风、耳机和扬声器)、SD 接口、键盘或其他按钮以及 USB 端口的 VBUS 和 ID 引脚。TPD1E6B06 采用行业标准 0201 封装,因此体积超小,非常适合手机、平板电脑和可穿戴设备等空间受限类终端设备。

器件信息(1)

器件型号 封装 封装尺寸(标称值)
TPD1E6B06 X2SON (2) 0.60mm x 0.30mm
  1. 要了解所有可用封装,请见数据表末尾的可订购产品附录。

简化电路原理图

TPD1E6B06 TPD1E10B06_FP.gif