ZHCSWN5A June   2024  – June 2025 TMUX1308A-Q1 , TMUX1309A-Q1

PRODUCTION DATA  

  1.   1
  2. 特性
  3. 应用
  4. 说明
  5. 器件比较表
  6. 引脚配置和功能
  7. 规格
    1. 6.1  绝对最大额定值
    2. 6.2  ESD 等级
    3. 6.3  热性能信息:TMUX1308A-Q1
    4. 6.4  热性能信息:TMUX1309A-Q1
    5. 6.5  建议运行条件
    6. 6.6  电气特性
    7. 6.7  逻辑和动态特性
    8. 6.8  计时特点
    9. 6.9  注入电流耦合
    10. 6.10 典型特性
  8. 参数测量信息
    1. 7.1  导通电阻
    2. 7.2  关断漏电流
    3. 7.3  导通漏电流
    4. 7.4  转换时间
    5. 7.5  先断后合
    6. 7.6  tON(EN) 和 tOFF(EN)
    7. 7.7  电荷注入
    8. 7.8  关断隔离
    9. 7.9  串扰
    10. 7.10 带宽
    11. 7.11 注入电流控制
  9. 详细说明
    1. 8.1 概述
    2. 8.2 功能方框图
    3. 8.3 特性说明
      1. 8.3.1 双向运行
      2. 8.3.2 轨到轨运行
      3. 8.3.3 1.8V 逻辑兼容输入
      4. 8.3.4 失效防护逻辑
      5. 8.3.5 高阻抗优化
      6. 8.3.6 注入电流控制
        1. 8.3.6.1 TMUX13xxA-Q1 已上电,通道未选择且输入信号大于 VDD(VDD = 5V,VINPUT = 5.5V)
        2. 8.3.6.2 TMUX13xxA-Q1 已上电,通道已选择且输入信号大于 VDD(VDD = 5V,VINPUT = 5.5V)
        3. 8.3.6.3 TMUX13xxA-Q1 未上电,输入信号存在电压(VDD = 0V,VINPUT = 3V)
    4. 8.4 器件功能模式
    5. 8.5 真值表
  10. 应用和实施
    1. 9.1 应用信息
    2. 9.2 典型应用
      1. 9.2.1 设计要求
      2. 9.2.2 详细设计过程
      3. 9.2.3 电池短路保护
      4. 9.2.4 应用曲线
    3. 9.3 电源相关建议
    4. 9.4 布局
      1. 9.4.1 布局指南
      2. 9.4.2 布局示例
  11. 10器件和文档支持
    1. 10.1 文档支持
      1. 10.1.1 相关文档
    2. 10.2 接收文档更新通知
    3. 10.3 支持资源
    4. 10.4 商标
    5. 10.5 静电放电警告
    6. 10.6 术语表
  12. 11修订历史记录
  13. 12机械、封装和可订购信息

封装选项

机械数据 (封装 | 引脚)
散热焊盘机械数据 (封装 | 引脚)
订购信息

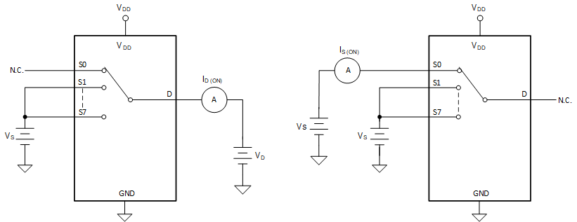
导通漏电流

源极导通漏电流定义为开关闭合时流入或流出源极引脚的漏电流。该电流用符号 IS(ON) 表示。

漏极导通漏电流定义为开关闭合时流入或流出漏极引脚的漏电流。该电流用符号 ID(ON) 表示。

在测量期间,源极引脚或漏极引脚均保持悬空。图 7-3 展示了用于测量导通漏电流(用 IS(ON) 或 ID(ON) 表示)的电路。

TMUX1308A-Q1 TMUX1309A-Q1 导通漏电流测量设置图 7-3 导通漏电流测量设置