ZHCSIT9C November 2018 – February 2024 TMUX1104
PRODUCTION DATA
请参考 PDF 数据表获取器件具体的封装图。
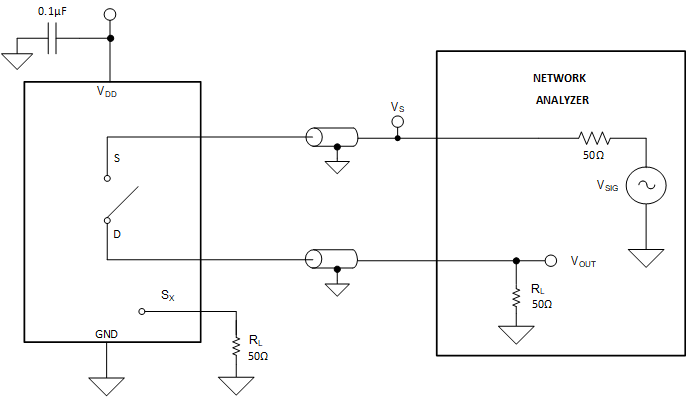
Off isolation is defined as the ratio of the signal at the drain pin (D) of the device when a signal is applied to the source pin (Sx) of an off-channel. Figure 6-8 shows the setup used to measure, and the equation used to calculate off isolation.
Figure 6-8 Off Isolation Measurement Setup