ZHCSIT9C November   2018  – February 2024 TMUX1104

PRODUCTION DATA  

  1.   1
  2. 特性
  3. 应用
  4. 说明
  5. Pin Configuration and Functions
  6. Specifications
    1. 5.1 Absolute Maximum Ratings
    2. 5.2 ESD Ratings
    3. 5.3 Recommended Operating Conditions
    4. 5.4 Thermal Information
    5. 5.5 Electrical Characteristics (VDD = 5V ±10 %)
    6. 5.6 Electrical Characteristics (VDD = 3.3V ±10 %)
    7. 5.7 Electrical Characteristics (VDD = 1.8V ±10 %)
    8. 5.8 Electrical Characteristics (VDD = 1.2V ±10 %)
    9. 5.9 Typical Characteristics
  7. Parameter Measurement Information
    1. 6.1  On-Resistance
    2. 6.2  Off-Leakage Current
    3. 6.3  On-Leakage Current
    4. 6.4  Transition Time
    5. 6.5  Break-Before-Make
    6. 6.6  tON(EN) and tOFF(EN)
    7. 6.7  Charge Injection
    8. 6.8  Off Isolation
    9. 6.9  Crosstalk
    10. 6.10 Bandwidth
  8. Detailed Description
    1. 7.1 Functional Block Diagram
    2. 7.2 Feature Description
      1. 7.2.1 Bidirectional Operation
      2. 7.2.2 Rail to Rail Operation
      3. 7.2.3 1.8V Logic Compatible Inputs
      4. 7.2.4 Fail-Safe Logic
      5. 7.2.5 Ultra-low Leakage Current
      6. 7.2.6 Ultra-low Charge Injection
    3. 7.3 Device Functional Modes
    4. 7.4 Truth Tables
  9. Application and Implementation
    1. 8.1 Application Information
    2. 8.2 Typical Application
      1. 8.2.1 Design Requirements
      2. 8.2.2 Detailed Design Procedure
      3. 8.2.3 Application Curve
    3. 8.3 Power Supply Recommendations
    4. 8.4 Layout
      1. 8.4.1 Layout Guidelines
      2. 8.4.2 Layout Example
  10. Device and Documentation Support
    1. 9.1 Documentation Support
      1. 9.1.1 Related Documentation
    2. 9.2 接收文档更新通知
    3. 9.3 支持资源
    4. 9.4 Trademarks
    5. 9.5 静电放电警告
    6. 9.6 术语表
  11. 10Revision History
  12. 11Mechanical, Packaging, and Orderable Information

封装选项

请参考 PDF 数据表获取器件具体的封装图。

机械数据 (封装 | 引脚)
  • DGS|10
  • DQA|10
散热焊盘机械数据 (封装 | 引脚)
订购信息

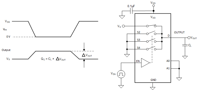
Charge Injection

The TMUX1104 has a transmission-gate topology. Any mismatch in capacitance between the NMOS and PMOS transistors results in a charge injected into the drain or source during the falling or rising edge of the gate signal. The amount of charge injected into the source or drain of the device is known as charge injection, and is denoted by the symbol QC. Figure 6-7 shows the setup used to measure charge injection from source (Sx) to drain (D).

GUID-456AEA31-AE1D-414B-B697-893B42EE2C3D-low.gifFigure 6-7 Charge-Injection Measurement Setup