SLVS787A May 2009 – June 2015 TMP816
PRODUCTION DATA.
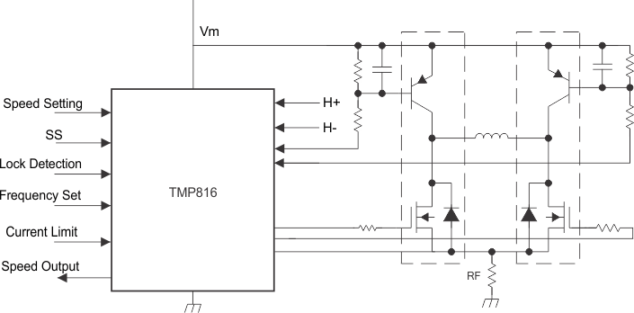
The TMP816 is a single-phase bipolar variable-speed fan-motor predriver that works with an external PWM signal. A highly efficient, quiet, and low-power consumption motor driver circuit with a large variable speed can be implemented by adding a small number of external components.
The TMP816 device is optimal for driving large-scale fan motors (with large air volume and large current) such as those used in servers and consumer products.
| PART NUMBER | PACKAGE | BODY SIZE (NOM) |
|---|---|---|
| TMP816 | TSSOP (PW) | 4.40 mm × 6.50 mm |
