ZHCS149A March   2011  – May 2015 TLV61224

PRODUCTION DATA.  

  1. 特性
  2. 应用
  3. 说明
  4. 修订历史记录
  5. Pin Configuration and Functions
  6. Specifications
    1. 6.1 Absolute Maximum Ratings
    2. 6.2 ESD Ratings
    3. 6.3 Recommended Operating Conditions
    4. 6.4 Thermal Information
    5. 6.5 Electrical Characteristics
    6. 6.6 Typical Characteristics
  7. Detailed Description
    1. 7.1 Overview
    2. 7.2 Functional Block Diagram
    3. 7.3 Feature Description
      1. 7.3.1 Controller Circuit
      2. 7.3.2 Start-up
      3. 7.3.3 Operation at Output Overload
      4. 7.3.4 Undervoltage Lockout
      5. 7.3.5 Overvoltage Protection
      6. 7.3.6 Overtemperature Protection
    4. 7.4 Device Functional Modes
      1. 7.4.1 Device Enable and Shutdown Mode
  8. Application and Implementation
    1. 8.1 Application Information
    2. 8.2 Typical Application
      1. 8.2.1 Design Requirements
      2. 8.2.2 Detailed Design Procedure
        1. 8.2.2.1 Programming the Output Voltage
        2. 8.2.2.2 Inductor Selection
        3. 8.2.2.3 Capacitor Selection
          1. 8.2.2.3.1 Input Capacitor
          2. 8.2.2.3.2 Output Capacitor
      3. 8.2.3 Application Curves
  9. Power Supply Recommendations
  10. 10Layout
    1. 10.1 Layout Guidelines
    2. 10.2 Layout Example
    3. 10.3 Thermal Considerations
  11. 11器件和文档支持
    1. 11.1 器件支持
      1. 11.1.1 第三方产品免责声明
    2. 11.2 文档支持
      1. 11.2.1 相关文档
    3. 11.3 社区资源
    4. 11.4 商标
    5. 11.5 静电放电警告
    6. 11.6 术语表
  12. 12机械、封装和可订购信息

封装选项

机械数据 (封装 | 引脚)
散热焊盘机械数据 (封装 | 引脚)
订购信息

1 特性

  • 典型工作条件下的效率高达 94%
  • 5μA 静态电流
  • 工作输入电压范围:0.7V 至 3V
  • 关断条件下具有导通功能
  • 12V 输入下的输出电流大于 40mA
  • 典型开关电流的额定值为 400 mA
  • 输出过压保护
  • 过热保护
  • 3V 固定输出电压
  • 小型 6 引脚 SC-70 封装

2 应用

  • 电池供电类 应用
    • 1 至 2 节镍氢或碱性电池
    • 1 节锂原电池
  • 消费类及便携式医疗产品
  • 个人护理产品

3 说明

该TLV61224器件可以为由 1 节/2 节碱性或镍氢电池或 1 节锂原电池供电的产品提供电源解决方案。可实现的输出电流取决于输入输出电压比。升压转换器建立在采用同步整流的磁滞控制器拓扑基础之上,能够以最少的静态电流实现最高的效率。该器件可在内部设置 3V 固定输出电压。转换器可通过特有的使能引脚关断。在关断过程中,耗电量降至最低。该器件采用 2mm x 2mm 6 引脚 SC-70 封装 (DCK) 实现小型电路布局。

器件信息(1)

器件型号 封装 封装尺寸(标称值)
TLV61224 SOT (6) 2.00mm × 1.25mm
  1. 要了解所有可用封装,请参见数据表末尾的可订购产品附录。

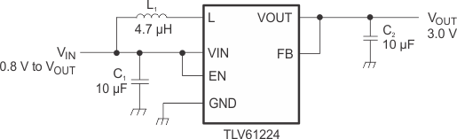
典型应用电路原理图

TLV61224 fp_lvsAM7.gif