ZHCSVY5A May   2024  – July 2025 TLV1812-EP , TLV1822-EP

PRODUCTION DATA  

  1.   1
  2. 特性
  3. 应用
  4. 说明
  5.   引脚配置和功能
  6. 规格
    1. 4.1 绝对最大额定值
    2. 4.2 ESD 等级
    3. 4.3 建议运行条件
    4. 4.4 热性能信息
    5. 4.5 电气特性
    6. 4.6 开关特性
  7. 典型特性
  8. 详细说明
    1. 6.1 概述
    2. 6.2 功能方框图
    3. 6.3 特性说明
    4. 6.4 器件功能模式
      1. 6.4.1 输入
        1. 6.4.1.1 TLV18x2-EP 轨到轨输入
        2. 6.4.1.2 ESD 保护
        3. 6.4.1.3 未使用的输入
      2. 6.4.2 输出
        1. 6.4.2.1 TLV1812-EP 推挽输出
        2. 6.4.2.2 TLV1822-EP 开漏输出
      3. 6.4.3 上电复位 (POR)
      4. 6.4.4 迟滞
  9. 应用和实施
    1. 7.1 应用信息
      1. 7.1.1 基本的比较器定义
        1. 7.1.1.1 运行
        2. 7.1.1.2 传播延迟
        3. 7.1.1.3 过驱动和欠驱动电压
      2. 7.1.2 迟滞
        1. 7.1.2.1 具有迟滞功能的反相比较器
        2. 7.1.2.2 具有迟滞功能的同相比较器
        3. 7.1.2.3 使用开漏输出的反相和同相迟滞
    2. 7.2 典型应用
      1. 7.2.1 窗口比较器
        1. 7.2.1.1 设计要求
        2. 7.2.1.2 详细设计过程
        3. 7.2.1.3 应用曲线
      2. 7.2.2 方波振荡器
        1. 7.2.2.1 设计要求
        2. 7.2.2.2 详细设计过程
        3. 7.2.2.3 应用曲线
      3. 7.2.3 可调节的脉宽生成器
      4. 7.2.4 延时时间生成器
      5. 7.2.5 逻辑电平转换器
      6. 7.2.6 单稳态多谐振荡器
      7. 7.2.7 双稳态多谐振荡器
      8. 7.2.8 过零检测器
      9. 7.2.9 脉冲切片器
    3. 7.3 电源相关建议
    4. 7.4 布局
      1. 7.4.1 布局指南
      2. 7.4.2 布局示例
  10. 器件和文档支持
    1. 8.1 文档支持
      1. 8.1.1 相关文档
    2. 8.2 接收文档更新通知
    3. 8.3 支持资源
    4. 8.4 商标
    5. 8.5 静电放电警告
    6. 8.6 术语表
  11. 修订历史记录
  12. 10机械、封装和可订购信息

封装选项

机械数据 (封装 | 引脚)
散热焊盘机械数据 (封装 | 引脚)
订购信息

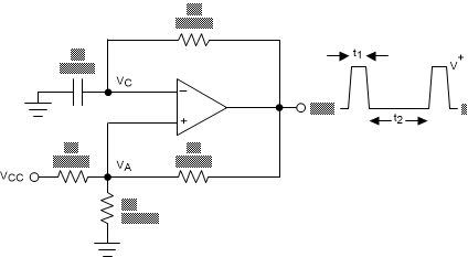
方波振荡器

方波振荡器可用作低成本时序基准或系统监控时钟源。推荐使用推挽输出器件 (TLV1812-EP) 以获得最佳对称性。

TLV1812-EP TLV1822-EP 方波振荡器图 7-9 方波振荡器