ZHCSNE0B March   2021  – February 2024 TLIN2029A-Q1

PRODUCTION DATA  

  1.   1
  2. 特性
  3. 应用
  4. 说明
  5. Pin Configuration and Functions
  6. Specifications
    1. 5.1 Absolute Maximum Ratings
    2. 5.2 ESD Ratings
    3. 5.3 ESD Ratings - IEC
    4. 5.4 Thermal Information
    5. 5.5 Recommended Operating Conditions
    6. 5.6 Electrical Characteristics
    7. 5.7 Duty Cycle Characteristics
    8. 5.8 Timing Requirements
    9. 5.9 Typical Characteristics
  7. Parameter Measurement Information
  8. Detailed Description
    1. 7.1 Overview
    2. 7.2 Functional Block Diagram
    3. 7.3 Feature Description
      1. 7.3.1  LIN (Local Interconnect Network) Bus
        1. 7.3.1.1 LIN Transmitter Characteristics
        2. 7.3.1.2 LIN Receiver Characteristics
          1. 7.3.1.2.1 Termination
      2. 7.3.2  TXD (Transmit Input and Output)
      3. 7.3.3  RXD (Receive Output)
      4. 7.3.4  VSUP (Supply Voltage)
      5. 7.3.5  GND (Ground)
      6. 7.3.6  EN (Enable Input)
      7. 7.3.7  Protection Features
      8. 7.3.8  TXD Dominant Time Out (DTO)
      9. 7.3.9  Bus Stuck Dominant System Fault: False Wake Up Lockout
      10. 7.3.10 Thermal Shutdown
      11. 7.3.11 Under Voltage on VSUP
      12. 7.3.12 Unpowered Device and LIN Bus
    4. 7.4 Device Functional Modes
      1. 7.4.1 Normal Mode
      2. 7.4.2 Sleep Mode
      3. 7.4.3 Standby Mode
      4. 7.4.4 Wake Up Events
        1. 7.4.4.1 Wake Up Request (RXD)
        2. 7.4.4.2 Mode Transitions
  9. Application Information Disclaimer
    1. 8.1 Application Information
    2. 8.2 Typical Application
      1. 8.2.1 Design Requirements
      2. 8.2.2 Detailed Design Procedures
        1. 8.2.2.1 Normal Mode Application Note
        2. 8.2.2.2 Standby Mode Application Note
      3. 8.2.3 Application Curves
    3. 8.3 Power Supply Recommendations
    4. 8.4 Layout
      1. 8.4.1 Layout Guidelines
      2. 8.4.2 Layout Example
  10. Device and Documentation Support
    1. 9.1 Documentation Support
      1. 9.1.1 Related Documentation
    2. 9.2 Receiving Notification of Documentation Updates
    3. 9.3 支持资源
    4. 9.4 Trademarks
    5. 9.5 静电放电警告
    6. 9.6 术语表
  11. 10Revision History
  12. 11Mechanical, Packaging, and Orderable Information

封装选项

机械数据 (封装 | 引脚)
散热焊盘机械数据 (封装 | 引脚)
订购信息

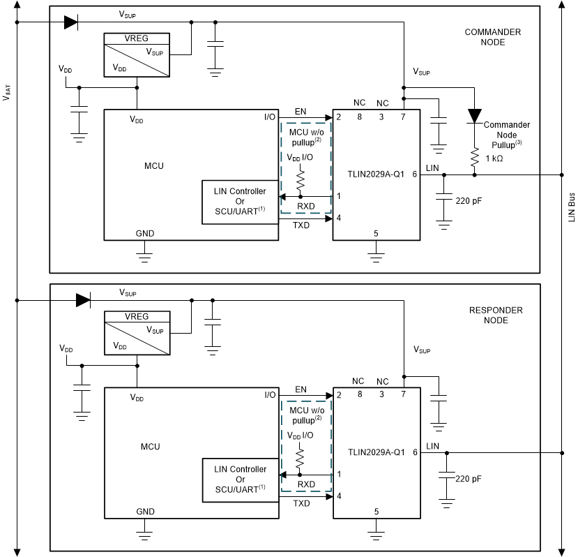
Typical Application

The device integrates a 45kΩ pull-up resistor and series diode for responder node applications. For commander applications, an external 1kΩ pull-up resistor with series blocking diode can be used. Figure 8-1 shows the device being used in both commander mode and responder mode applications.

GUID-20210302-CA0I-L4S2-HHHW-NCJ2R6DV3NJL-low.gif
If RXD on MCU on LIN responder node has internal pullup; no external pullup resistor is needed.
If RXD on MCU or LIN responder node does not have an internal pullup requires external pullup resistor.
Commander node applications require and external 1 kΩ pullup resistor and serial diode.
Decoupling capacitor values on VSUP are system dependent but usually have 100nF, 1µF and ≥ 10µF.
Figure 8-1 Typical LIN Bus