ZHCSH91D December   2017  – June 2022 TLIN1022-Q1

PRODUCTION DATA  

  1. 特性
  2. 应用
  3. 说明
  4. Revision History
  5. Pin Configuration and Functions
  6. Specifications
    1. 6.1 Absolute Maximum Ratings
    2. 6.2 ESD Ratings
    3. 6.3 ESD Ratings - IEC
    4. 6.4 Thermal Information
    5. 6.5 Recommended Operating Conditions
    6. 6.6 Electrical Characteristics
    7. 6.7 Switching Characteristics (1)
    8. 6.8 Timing Requirements
    9. 6.9 Typical Characteristics
      1.      Parameter Measurement Information
  7. Detailed Description
    1. 7.1 Overview
    2. 7.2 Functional Block Diagram
    3. 7.3 Feature Description
      1. 7.3.1  LIN (Local Interconnect Network) Bus
        1. 7.3.1.1 LIN Transmitter Characteristics
        2. 7.3.1.2 LIN Receiver Characteristics
          1. 7.3.1.2.1 Termination
      2. 7.3.2  TXD (Transmit Input and Output)
      3. 7.3.3  RXD (Receive Output)
      4. 7.3.4  VSUP (Supply Voltage)
      5. 7.3.5  GND (Ground)
      6. 7.3.6  EN (Enable Input)
      7. 7.3.7  Protection Features
      8. 7.3.8  TXD Dominant Time Out (DTO)
      9. 7.3.9  Bus Stuck Dominant System Fault: False Wake Up Lockout
      10. 7.3.10 Thermal Shutdown
      11. 7.3.11 Under Voltage on VSUP
      12. 7.3.12 Unpowered Device and LIN Bus
    4. 7.4 Device Functional Modes
      1. 7.4.1 Normal Mode
      2. 7.4.2 Sleep Mode
      3. 7.4.3 Standby Mode
      4. 7.4.4 Wake Up Events
        1. 7.4.4.1 Wake Up Request (RXD)
        2. 7.4.4.2 Mode Transitions
  8. Application and Implementation
    1. 8.1 Application Information
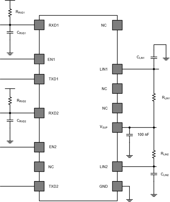
    2. 8.2 Typical Application
      1. 8.2.1 Design Requirements
      2. 8.2.2 Detailed Design Procedures
        1. 8.2.2.1 Normal Mode Application Note
        2. 8.2.2.2 Standby Mode Application Note
        3. 8.2.2.3 TXD Dominant State Timeout Application Note
      3. 8.2.3 Application Curves
    3. 8.3 Power Supply Recommendations
    4. 8.4 Layout
      1. 8.4.1 Layout Guidelines
      2. 8.4.2 Layout Example
  9. Device and Documentation Support
    1. 9.1 Documentation Support
      1. 9.1.1 Related Documentation
    2. 9.2 接收文档更新通知
    3. 9.3 支持资源
    4. 9.4 Trademarks
    5. 9.5 Electrostatic Discharge Caution
    6. 9.6 术语表
  10. 10Mechanical, Packaging, and Orderable Information

封装选项

机械数据 (封装 | 引脚)
散热焊盘机械数据 (封装 | 引脚)
订购信息

Parameter Measurement Information

GUID-401D2090-B182-4281-BACB-BE4AD2EFE7DD-low.gifFigure 7-1 Test System: Operating Voltage Range with RX and TX Access: Parameters 9, 10
GUID-045A2657-F3EC-4A2A-87F3-C040972A756C-low.gifFigure 7-2 RX Response: Operating Voltage Range
GUID-B385DFE1-DD57-4507-A347-47480150AE81-low.gifFigure 7-3 LIN Bus Input Signal
GUID-50C2B387-A0D7-47BC-B637-C8D891F4EAAF-low.gifFigure 7-4 LIN Receiver Test with RX access Parameters 17, 18, 19, 20
GUID-45438D4F-3092-4E14-9F56-828CCB15DE65-low.gifFigure 7-5 VSUP_NON_OP Parameters 11
GUID-F26D9779-82C9-40AC-9D56-E85B3F5DF11E-low.gifFigure 7-6 Test Circuit for IBUS_LIM at Dominant State (Driver on) Parameters 12
GUID-D7F3D615-9E34-43AC-97AC-B7A51C3F9975-low.gifFigure 7-7 Test Circuit for IBUS_PAS_dom; TXD = Recessive State VBUS = 0 V, Parameters 13
GUID-77D619F4-141B-4365-944C-9374B2446DA3-low.gifFigure 7-8 Test Circuit for IBUS_PAS_rec Param 14
GUID-C27B9574-A377-4752-B573-15BF0A64D389-low.gifFigure 7-9 Test Circuit for IBUS_NO_GND Loss of GND
GUID-13829E35-3B30-4783-A3FB-14C5936E28E9-low.gifFigure 7-10 Test Circuit for IBUS_NO_BAT Loss of Battery
GUID-5B1EF07C-1F3E-42FB-A982-947F9AF94115-low.gifFigure 7-11 Test Circuit Slope Control and Duty Cycle Parameters 27, 28, 29, 30
GUID-8E45E382-C96B-4076-8B73-5FD06562B26C-low.gifFigure 7-12 Definition of Bus Timing Parameters
GUID-17965081-504E-4A0F-A30B-30908225A3B9-low.gifFigure 7-13 Propagation Delay Test Circuit; Parameters 31, 32
GUID-AA10B234-85D6-4258-9C2D-A4ED6A4FC139-low.gifFigure 7-14 Propagation Delay
GUID-C04C9419-4B79-44BF-BA49-90A0E1C90EBF-low.gifFigure 7-15 Mode Transitions
GUID-D8F4246D-7BBD-42A4-9E57-3AF4AF16BC76-low.gifFigure 7-16 Wakeup Through EN
GUID-917CAB60-C388-4099-A7D7-EE74EF3F78A2-low.gifFigure 7-17 Wakeup through LIN
GUID-00030E14-4F28-4F47-A35F-029C23688B71-low.gifFigure 7-18 Test Circuit for AC Characteristics